电脑桌面
添加小米粒文库到电脑桌面
安装后可以在桌面快捷访问

通风与空调设备节能检验批质量验收记录

通风与空调设备节能检验批质量验收记录_第1页
1/2
通风与空调设备节能检验批质量验收记录_第2页
2/2
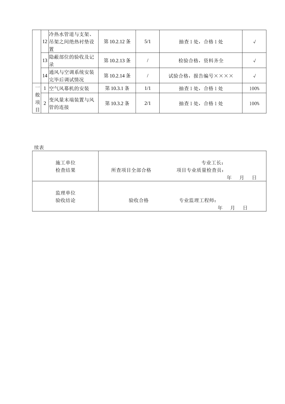
通风与空调设备节能检验批质量验收记录 09020251_____ 单位(子单位)工程名称智多星分部(子分部)工程名称建筑节能/供暖空调设备及管网节能分项工程名称通风与空调设备节能施工单位智多星项目负责人欧玥旭检验批容量1 个系统分包单位/分包单位项目负责人/检验批部位首层 1~8/A~C 轴施工依据智多星建筑节能施工方案验收依据《建筑节能工程施工质量验收法律规范》GB50411-2025验收项目设计要求及法律规范规定最小/实际抽样数量检查记录检查结果主控项目1 材料设备进场验收第 10.2.1 条/质量证明文件齐全,通过进场验收√2 风机盘管机组和绝热材料见证复验第 10.2.2 条/见证试验合格,报告编号××××√3 通风与空调系统安装第 10.2.3 条全/1共 1 处,全部检查,合格 1 处√4 风管的制作与安装第 10.2.4 条1/1抽查 1 处,合格 1 处√5组合式空调机组、柜式空调机组、新风机组、单元式空调机组的安装第 10.2.5 条1/1抽查 1 处,合格 1 处√6 风机盘管机组的安装第 10.2.6 条5/1抽查 1 处,合格 1 处√7 通风与空调系统风机的安装第 10.2.7 条全/3共 3 处,全部检查,合格 3 处√8带热回收功能的双向换气装置和集中排风系统中的排风热回收装置的安装第 10.2.8 条1/1抽查 1 处,合格 1 处√9电动两通调节阀、水力平衡阀、冷(热)量计量装置等自控阀门与仪表的安装第 10.2.9 条1/1抽查 1 处,合格 1 处√10空调风管系统及部件的绝热层和防潮层的施工第 10.2.10 条2/1抽查 1 处,合格 1 处√11 空调水系统管道及配件的绝热层和防潮层的施工第 10.2.11 条10/1抽查 1 处,合格 1 处√12冷热水管道与支架、吊架之间绝热衬垫设置第 10.2.12 条5/1抽查 1 处,合格 1 处√13 隐蔽部位的验收及记录第 10.2.13 条/检验合格,资料齐全√14 通风与空调系统安装完毕后调试情况第 10.2.14 条/试验合格,报告编号××××√一般项目1 空气风幕机的安装第 10.3.1 条1/1抽查 1 处,合格 1 处100%2 变风量末端装置与风管的连接第 10.3.2 条2/1抽查 1 处,合格 1 处100%续表施工单位检查结果 专业工长:所查项目全部合格 项目专业质量检查员: 年 月 日监理单位验收结论验收合格 专业监理工程师: 年 月 日

1、当您付费下载文档后,您只拥有了使用权限,并不意味着购买了版权,文档只能用于自身使用,不得用于其他商业用途(如 [转卖]进行直接盈利或[编辑后售卖]进行间接盈利)。
2、本站所有内容均由合作方或网友上传,本站不对文档的完整性、权威性及其观点立场正确性做任何保证或承诺!文档内容仅供研究参考,付费前请自行鉴别。
3、如文档内容存在违规,或者侵犯商业秘密、侵犯著作权等,请点击“违规举报”。

碎片内容

通风与空调设备节能检验批质量验收记录

文森传品+ 关注
实名认证
内容提供者

一家传播文化教育的小店,资料丰富,随意挑选。

相关文档

确认删除?
VIP
微信客服
  • 扫码咨询
会员Q群
  • 会员专属群点击这里加入QQ群
客服邮箱
回到顶部