电脑桌面
添加小米粒文库到电脑桌面
安装后可以在桌面快捷访问

通风与空调设备安

通风与空调设备安_第1页
1/3
通风与空调设备安_第2页
2/3
通风与空调设备安_第3页
3/3
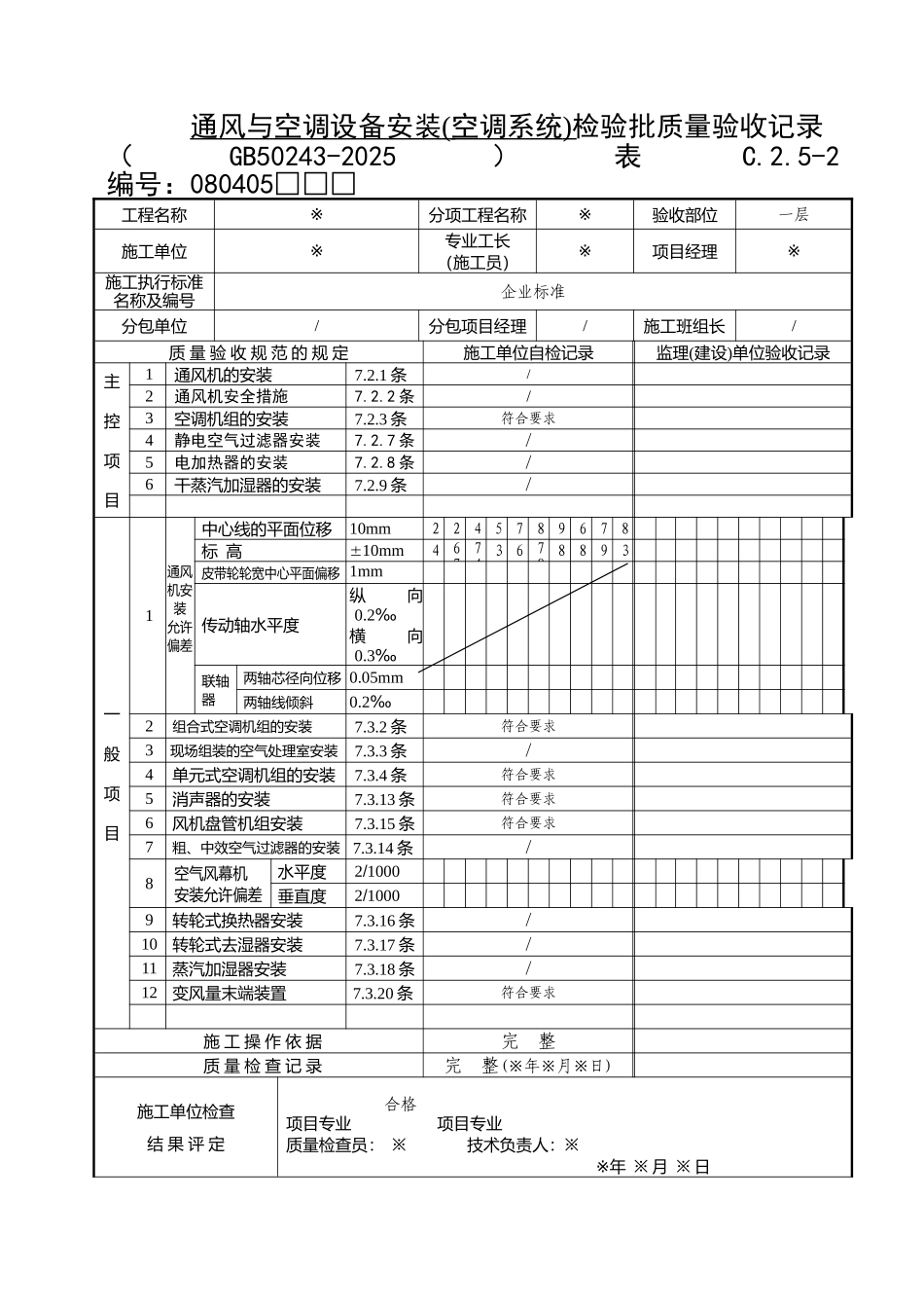
通风与空调设备安装 ( 空调系统 ) 检验批质量验收记录(GB50243-2025)表C.2.5-2 编号:080405□□□工程名称※分项工程名称※验收部位一层施工单位※专业工长(施工员)※项目经理※施工执行标准名称及编号企业标准分包单位/分包项目经理/施工班组长/质 量 验 收 规 范 的 规 定施工单位自检记录监理(建设)单位验收记录主控项目1通风机的安装7.2.1 条/2通风机安全措施7.2.2 条/3空调机组的安装7.2.3 条符合要求4静电空气过滤器安装7.2.7 条/5电加热器的安装7.2.8 条/6干蒸汽加湿器的安装7.2.9 条/一般项目1通风机安装允许偏差中心线的平面位移10mm2 2 4 5 7 8 9 67 8标 高10mm4 67743 6 788 89 3皮带轮轮宽中心平面偏移 1mm传动轴水平度纵向0.2‰横向0.3‰联轴器两轴芯径向位移 0.05mm两轴线倾斜0.2‰2组合式空调机组的安装7.3.2 条符合要求3现场组装的空气处理室安装7.3.3 条/4单元式空调机组的安装7.3.4 条符合要求5消声器的安装7.3.13 条符合要求6风机盘管机组安装7.3.15 条符合要求7粗、中效空气过滤器的安装 7.3.14 条/8空气风幕机安装允许偏差水平度21000垂直度210009转轮式换热器安装7.3.16 条/10转轮式去湿器安装7.3.17 条/11蒸汽加湿器安装7.3.18 条/12变风量末端装置7.3.20 条符合要求施 工 操 作 依 据完 整质 量 检 查 记 录完 整(※年※月※日)施工单位检查结 果 评 定合格项目专业 项目专业质量检查员: ※ 技术负责人:※※年 ※ 月 ※ 日监理(建设)单位验收结论专业监理工程师:※(建设单位项目专业技术负责人)年 月 日

1、当您付费下载文档后,您只拥有了使用权限,并不意味着购买了版权,文档只能用于自身使用,不得用于其他商业用途(如 [转卖]进行直接盈利或[编辑后售卖]进行间接盈利)。
2、本站所有内容均由合作方或网友上传,本站不对文档的完整性、权威性及其观点立场正确性做任何保证或承诺!文档内容仅供研究参考,付费前请自行鉴别。
3、如文档内容存在违规,或者侵犯商业秘密、侵犯著作权等,请点击“违规举报”。

碎片内容

通风与空调设备安

确认删除?
VIP
微信客服
  • 扫码咨询
会员Q群
  • 会员专属群点击这里加入QQ群
客服邮箱
回到顶部