电脑桌面
添加小米粒文库到电脑桌面
安装后可以在桌面快捷访问

采暖与卫生设备安装工程

采暖与卫生设备安装工程_第1页
1/157
采暖与卫生设备安装工程_第2页
2/157
采暖与卫生设备安装工程_第3页
3/157
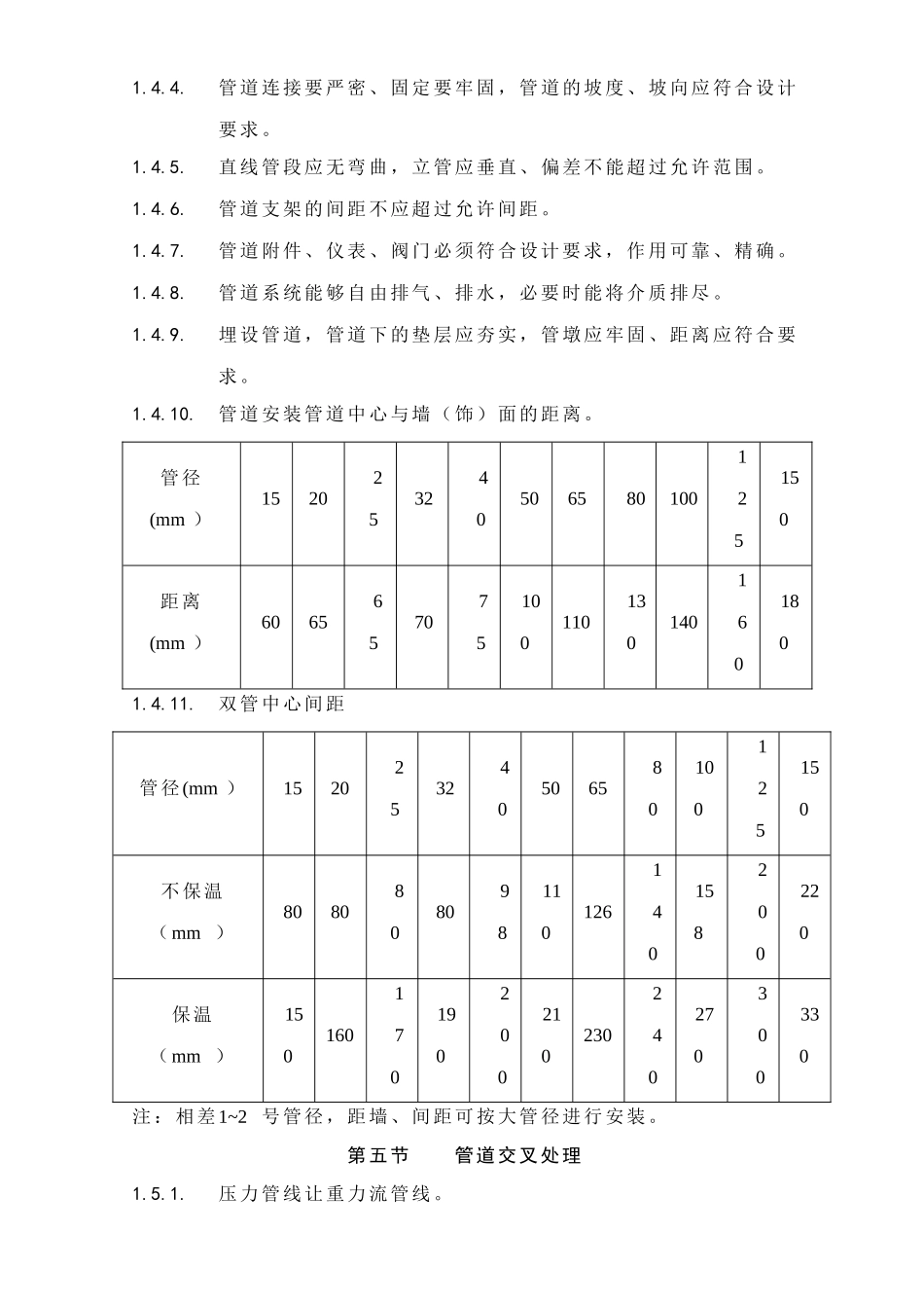
采暖与卫生设备安装工程第一章 暖卫设备及管道安装基本工艺....................................2第二章 室内金属给水管道安装................................................20第三章 室内塑料给水管道安装................................................31第四章 室内给水钢塑复合管安装............................................40第五章 室内给水铝塑复合管安装............................................49第六章 室内排水管道安装........................................................58第七章 室内塑料排水管道安装....................................................67第八章 卫生洁具安装................................................................72第九章 消防自动喷洒系统和消火栓系统的管道及设备安装88第十章 采暖管道安装................................................................98第十一章 室内散热器的安装................................................107第十二章 集中供暖住宅分户热计量管道及散热器安装....116第十三章 低温热水地板辐射供暖应用技术规程................126第十四章 太阳能热水器及管道安装....................................132第十五章 室外给水管道和设备安装....................................137第十六章 室外塑料给水管道安装........................................145第十七章 管道、设备和容器的防腐....................................152第十八章 管道及设备的保温................................................155第一章 暖卫设备及管道安装基本工艺本工艺标准适用于民用及一般工业建筑室内、外采暖与卫生设备管道安装工程第一节 材料、设备要求1.1.1.暖卫设备、钢材、管材、管件及附属制品等,在进场后使用前应仔细检查,必须符合国家或行业标准有关质量、技术要求和设计要求,并有产品出厂中文质量合格证明文件。1.1.2.各种连接管件不得有砂眼、裂纹、偏扣、乱扣、丝扣不全和角度不准等现象。1.1.3.各种阀门的型号、规格、压力必须符合设计要求,外观要规矩无损伤,阀体严密性好,阀杆不得弯曲,安装前应按施工法律规范规定进行强度及严密性试验。1.1.4.石棉橡胶垫、油麻、线麻、水泥、电、气焊条等质量都必须符合设计及法律规范要求。1.1.5.主要器具和设备必须有完整的安装使用说明书,在运输保管和施工过程...

1、当您付费下载文档后,您只拥有了使用权限,并不意味着购买了版权,文档只能用于自身使用,不得用于其他商业用途(如 [转卖]进行直接盈利或[编辑后售卖]进行间接盈利)。
2、本站所有内容均由合作方或网友上传,本站不对文档的完整性、权威性及其观点立场正确性做任何保证或承诺!文档内容仅供研究参考,付费前请自行鉴别。
3、如文档内容存在违规,或者侵犯商业秘密、侵犯著作权等,请点击“违规举报”。

碎片内容

采暖与卫生设备安装工程

确认删除?
VIP
微信客服
  • 扫码咨询
会员Q群
  • 会员专属群点击这里加入QQ群
客服邮箱
回到顶部