电脑桌面
添加小米粒文库到电脑桌面
安装后可以在桌面快捷访问

青岛某港区四期工程某泊位集装箱码头施工方案

青岛某港区四期工程某泊位集装箱码头施工方案_第1页
1/16
青岛某港区四期工程某泊位集装箱码头施工方案_第2页
2/16
青岛某港区四期工程某泊位集装箱码头施工方案_第3页
3/16
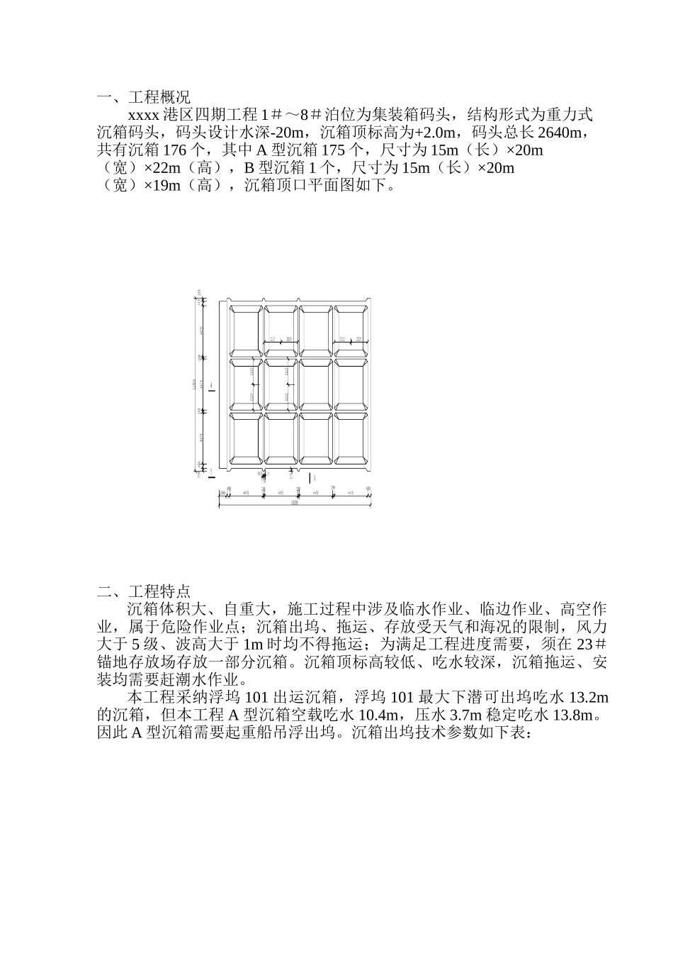
一、工程概况xxxx 港区四期工程 1#~8#泊位为集装箱码头,结构形式为重力式沉箱码头,码头设计水深-20m,沉箱顶标高为+2.0m,码头总长 2640m,共有沉箱 176 个,其中 A 型沉箱 175 个,尺寸为 15m(长)×20m(宽)×22m(高),B 型沉箱 1 个,尺寸为 15m(长)×20m(宽)×19m(高),沉箱顶口平面图如下。 二、工程特点沉箱体积大、自重大,施工过程中涉及临水作业、临边作业、高空作业,属于危险作业点;沉箱出坞、拖运、存放受天气和海况的限制,风力大于 5 级、波高大于 1m 时均不得拖运;为满足工程进度需要,须在 23#锚地存放场存放一部分沉箱。沉箱顶标高较低、吃水较深,沉箱拖运、安装均需要赶潮水作业。本工程采纳浮坞 101 出运沉箱,浮坞 101 最大下潜可出坞吃水 13.2m的沉箱,但本工程 A 型沉箱空载吃水 10.4m,压水 3.7m 稳定吃水 13.8m。因此 A 型沉箱需要起重船吊浮出坞。沉箱出坞技术参数如下表:三、施工方法1、施工工艺流程施工前准备→沉箱出坞→沉箱拖运→沉箱存放→沉箱起浮、拖运→沉箱安装2、施工程序及操作要点2.1、施工前准备(1)沉箱压载分区划分:舱格按对称分布划分为 4 个独立分区,不相通的区格之间的拉条孔必须堵塞严密。沉箱阀门布置及隔舱划分情况如下图:(2)制作 2 套沉箱封仓钢盖板,每套 4 片。根据沉箱仓口的实际尺寸加工盖板尺寸为 13.8m×4.5m;(3)制作阀门杆 2 套,每套 4 根。沉箱预留阀门杆的位置为沉箱上口向下 5m,阀门杆的长度加工为 6.5m。(4)沉箱拖运主拖缆钢丝绳选用:拖缆力:F=A*γw*K*V2/2/g =15×(14+1)×10.25×1×(2.5×1.852/3.6)2/2/9.8=194.5kNΦ52 钢丝绳破断力:1152.1 kN安全系数:5.92,因此可以使用此钢丝绳。(5)起重船吊浮沉箱吊鼻、钢丝绳选用:沉箱预埋起重船吊浮用 Φ80 的吊鼻 4 个,安装用 Φ50 吊鼻 6 个,具体位置如下图: 起重船吊浮沉箱时最大吊力不超过 120t。预选用现有 27m 长 Φ52 的钢丝绳 2 根。钢丝绳受力计算:4F×sin69.4=120F=32tΦ65 钢丝绳的破断拉力为 179.9t,安全系数为:5.6,满足要求。此时吊高为 21.6m,起重船的最大吊高为 27m,也满足要求。(6)准备起浮沉箱时抽水,准备 20 台 4 寸潜水泵。(7)出坞坑选择:出坞坑水深需满足以下条件:沉箱吊浮吃水深度+沉箱富余吃水深度+浮船坞甲板与台车梁高度=13+0.5+5.5=19m目前使用的沉坞坑位于 102#浮...

1、当您付费下载文档后,您只拥有了使用权限,并不意味着购买了版权,文档只能用于自身使用,不得用于其他商业用途(如 [转卖]进行直接盈利或[编辑后售卖]进行间接盈利)。
2、本站所有内容均由合作方或网友上传,本站不对文档的完整性、权威性及其观点立场正确性做任何保证或承诺!文档内容仅供研究参考,付费前请自行鉴别。
3、如文档内容存在违规,或者侵犯商业秘密、侵犯著作权等,请点击“违规举报”。

碎片内容

青岛某港区四期工程某泊位集装箱码头施工方案

您可能关注的文档

阳光书坊+ 关注
实名认证
内容提供者

阳光书坊,传播未来

确认删除?
VIP
微信客服
  • 扫码咨询
会员Q群
  • 会员专属群点击这里加入QQ群
客服邮箱
回到顶部