电脑桌面
添加小米粒文库到电脑桌面
安装后可以在桌面快捷访问

2025煤矿安全生产标准化管理体系基本要求及评分办法通风部分

2025煤矿安全生产标准化管理体系基本要求及评分办法通风部分_第1页
1/7
2025煤矿安全生产标准化管理体系基本要求及评分办法通风部分_第2页
2/7
2025煤矿安全生产标准化管理体系基本要求及评分办法通风部分_第3页
3/7
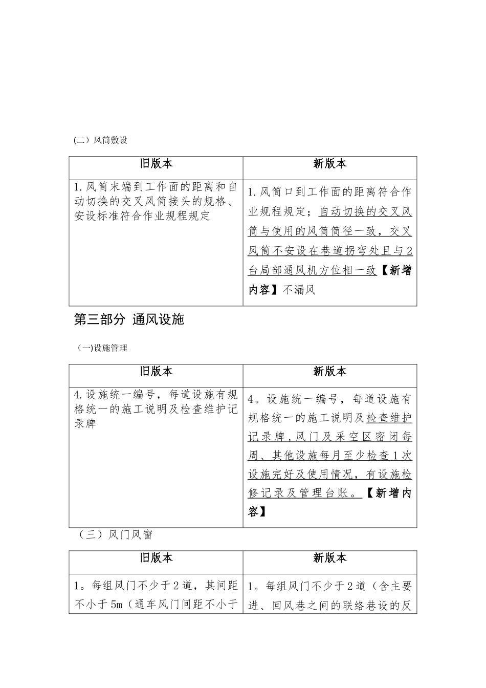
第一部分 通风系统(一)系统管理旧版本新版本4。装有主要通风机的回风井口的防爆门符合规定,每 6 个月检查维修 1 次;每季度至少检查 1次反风设施;制定年度全矿性反风技术方案,按规定审批,实施有总结报告,并达到反风效果4。装有主要通风机的井口防爆门等反风设施每季度至少组织检查维修 1 次 【防爆门以往 6 个月一次】,有记录;制定年度全矿性反风技术方案,按规定审批,实施有总结报告,并达到反风效果(二)风量配置旧版本新版本2.矿井每年进行 1 次通风能力核定;每 10 天至少进行 1 次井下全面测风,井下各硐室和巷道的供风量满足计算所需风量2。矿井每年进行 1 次通风能力核定;井下测风站 ( 点)布置齐全、 合理,并有测风记录牌板 , 填写 所需风量、现场实际风量等参数【新增内容】,每 10 天至少进行1 次井下全面测风,井下各硐室和巷道的供风量满足计算所需风量4。采煤工作面进、回风巷实际断面不小于设计断面的 2/3;其他通风巷道实际断面不小于设计断面的 4/5;矿井通风系统的阻力符合 AQ1028 规定;矿井内各地点风速符合《煤矿安全规程》规定4.采煤工作面进、回风巷实际断面不小于设计断面的 2/3;其他全风压【新增表述】通风巷道实际断面不小于设计断面的 4/5;矿 井 通 风 系 统 的 阻 力 符 合 AQ 1028 规定;矿井内各地点风速符合《煤矿安全规程》规定第二部分 局部通风(一)装备措施旧版本新版本1。掘进通风方式符合《煤矿安全规程》规定,采纳局部通风机供风的掘进巷道应安设同等能力的备用局部通风机,实现自动切换.局部通风机的安装、使用符合《煤矿安全规程》规定,实行挂牌管理,不发生循环风;不出现无计划停风,有计划停风前制定专项通风安全技术措施1.采纳局部通风机供风的掘进巷道应安设同等能力的备用局部通风机,实现自动切换。局部通风机的安装、使用符合《煤矿安全规程》规定,实行挂牌管理,由指定人员上岗签字并进行切换试验,有记录【新增内容】;不发 生 循 环 风 ; 不 出 现 无 计 划 停风,有计划停风前制定专项通风安全技术措施2.局部通风机设备齐全,装有消音器(低噪声局部通风机和除尘风机除外),吸风口有风罩和整流器,高压部位有衬垫;局部通风机及其启动装置安设在进风巷道中,地点距回风口大于 10m,且10m 范围内巷道支护完好,无淋水、积水、淤泥和杂物;局部通风 机 离 巷 道 底 板 高 度 不 小 于0。3m2.局部通风机有消音装...

1、当您付费下载文档后,您只拥有了使用权限,并不意味着购买了版权,文档只能用于自身使用,不得用于其他商业用途(如 [转卖]进行直接盈利或[编辑后售卖]进行间接盈利)。
2、本站所有内容均由合作方或网友上传,本站不对文档的完整性、权威性及其观点立场正确性做任何保证或承诺!文档内容仅供研究参考,付费前请自行鉴别。
3、如文档内容存在违规,或者侵犯商业秘密、侵犯著作权等,请点击“违规举报”。

碎片内容

2025煤矿安全生产标准化管理体系基本要求及评分办法通风部分

确认删除?
VIP
微信客服
  • 扫码咨询
会员Q群
  • 会员专属群点击这里加入QQ群
客服邮箱
回到顶部