电脑桌面
添加小米粒文库到电脑桌面
安装后可以在桌面快捷访问

3-环境保护检查表

3-环境保护检查表_第1页
1/2
3-环境保护检查表_第2页
2/2
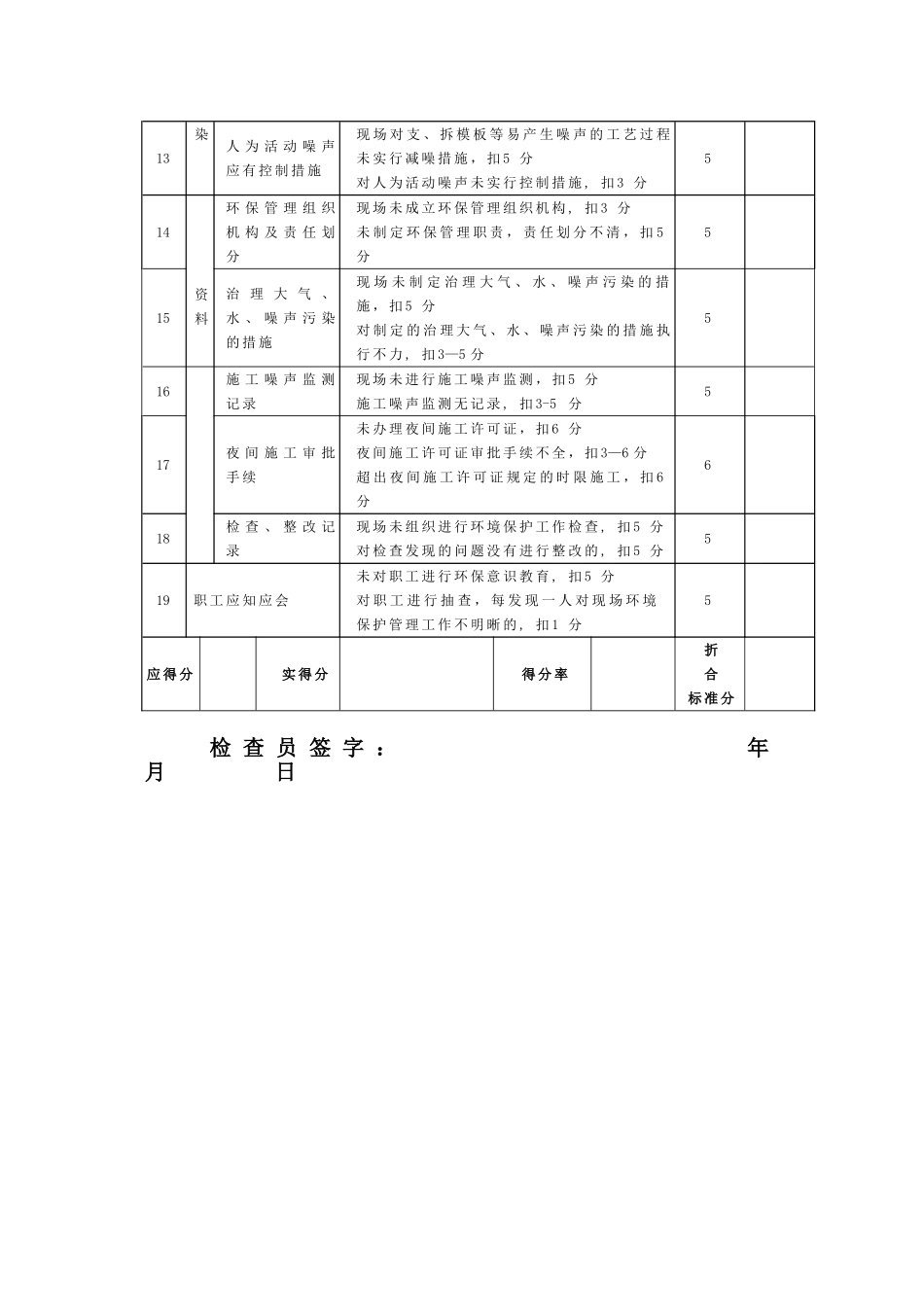
中 国 建 筑 股 份 有 限 公 司 施 工 现 场 检 查 评 分记 录 表 3( 环 境 保 护 )施工单位: 工 程 名 称 : 序 号检 查 项 目检 查 标 准标 准 分值评 定 分 值1防大气污染搭 设 封 闭 式 垃圾 道 或 用 容 器吊 运 ,禁 止 凌空 抛 掷垃 圾 吊 运 未 采 纳 容 器 或 封 闭 式 垃 圾 通 道 , 扣 7分凌 空 抛 掷 建 筑 垃 圾 , 扣 7 分堆 放 在 场 地 内 的 建 筑 垃 圾 未 进 行 覆 盖 , 扣 5分72主 要 道 路 硬 化现 场 主 要 道 路 未 进 行 硬 化 处 理 , 扣 6 分63土 方 集 中 存 放覆 盖 或 固 化 ,细 颗 粒 材 料 密闭 存 放现 场 土 方 堆 放 场 未 进 行 覆 盖 或 固 化 , 扣 6 分现 场 细 颗 粒 材 料 未 密 闭 存 放 , 扣 6 分温 暖 季 节 , 现 场 未 进 行 绿 化 , 扣 3 分64专 人 清 扫 保 洁洒 水 压 尘现 场 未 设 专 人 进 行 清 扫 和 保 洁 , 扣 5 分现 场 未 定 期 进 行 洒 水 压 尘 , 扣 4 分55施 工 场 地 出 口有 冲 洗 车 辆 设施 , 车 轮 不 带泥 砂 出 场施 工 场 地 出 口 无 冲 洗 车 辆 设 施 , 扣 5 分现 场 进 出 车 辆 未 进 行 冲 洗 , 扣 3 分进 出 施 工 场 地 车 辆 的 车 轮 带 泥 砂 出 场 , 扣 5分56茶 炉 、 大 灶 使用 清 洁 燃 料现 场 茶 炉 、 大 灶 等 未 使 用 清 洁 燃 料 , 扣 5 分现 场 存 在 焚 烧 垃 圾 现 象 , 扣 5 分57搅 拌 机 封 闭 使用 , 并 安 装 除尘 装 置搅 拌 机 露 天 使 用 , 未 进 行 封 闭 , 扣 5 分搅 拌 机 未 安 装 除 尘 装 置 , 扣 5 分58防水污染搅 拌 机 前 台 、砼 泵 、 车 辆 清洗 处 应 设 沉 淀池搅 拌 机 前 台 、 砼 泵 、 车 辆 清 洗 处 未 设 沉 淀池 , 扣 5 分污 水 直 接 排 入 市 政 管 道 或 河 流 等 , 扣 5 分现 场 雨 水 、 污 水 排 入 同 一 市 政 管 道 , 扣 5 分59储 存 和 使 用 油料 应 有 防 止 污染 土 壤 、 水 体措 ...

1、当您付费下载文档后,您只拥有了使用权限,并不意味着购买了版权,文档只能用于自身使用,不得用于其他商业用途(如 [转卖]进行直接盈利或[编辑后售卖]进行间接盈利)。
2、本站所有内容均由合作方或网友上传,本站不对文档的完整性、权威性及其观点立场正确性做任何保证或承诺!文档内容仅供研究参考,付费前请自行鉴别。
3、如文档内容存在违规,或者侵犯商业秘密、侵犯著作权等,请点击“违规举报”。

碎片内容

3-环境保护检查表

确认删除?
VIP
微信客服
  • 扫码咨询
会员Q群
  • 会员专属群点击这里加入QQ群
客服邮箱
回到顶部