电脑桌面
添加小米粒文库到电脑桌面
安装后可以在桌面快捷访问

K2+865.50小桥施工组织设计方案

K2+865.50小桥施工组织设计方案_第1页
1/20
K2+865.50小桥施工组织设计方案_第2页
2/20
K2+865.50小桥施工组织设计方案_第3页
3/20
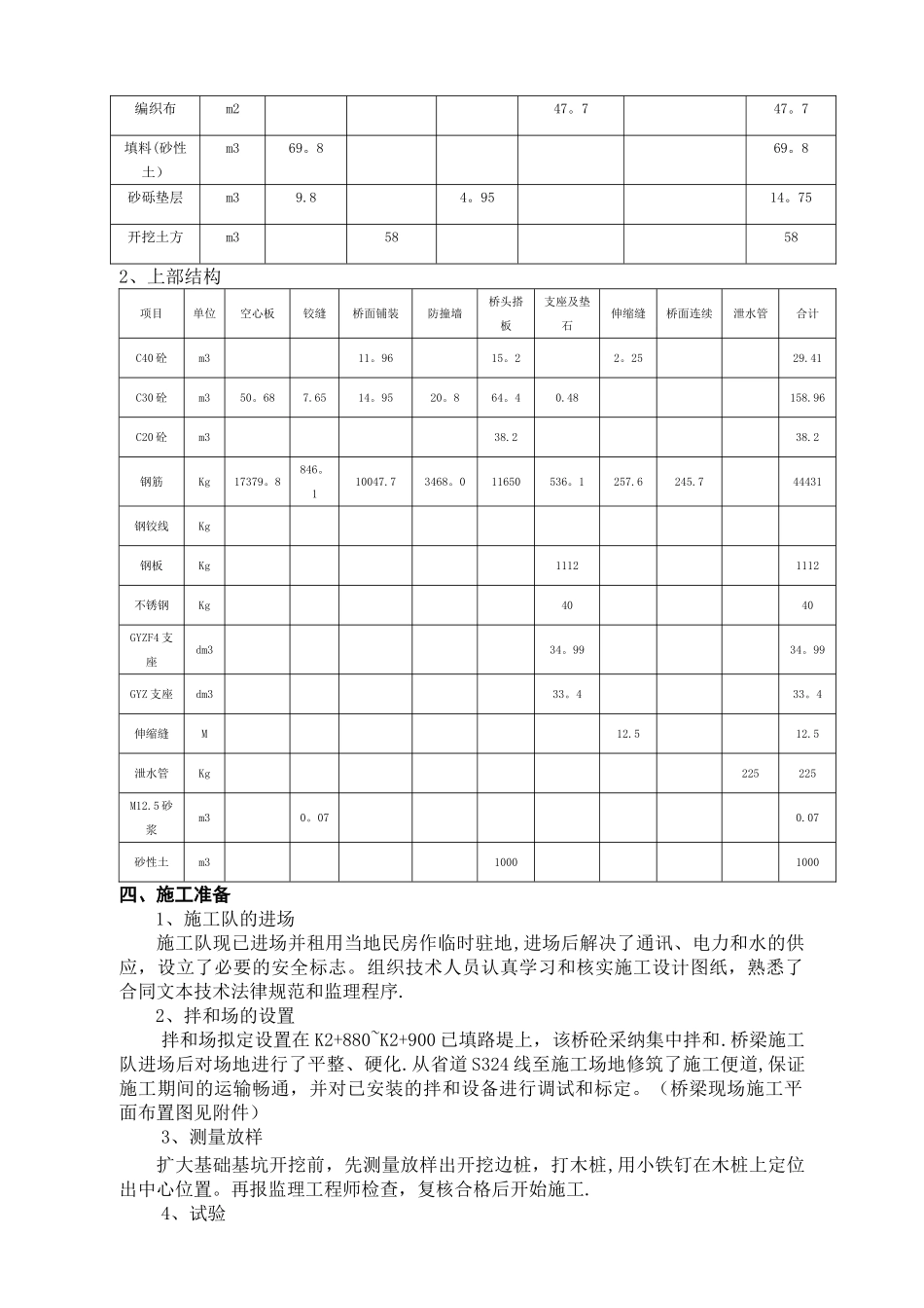
K2+865。50 小桥施工组织设计一、工程概况小桥桥位中心桩号为 K2+865。50,该桥为 1—13m 预应力混凝土空心板桥,桥全长23.64m,该桥位于直线段,竖曲线 R=20000m、T=60m。桥宽 12.50m,上部结构为C30 预应力混凝土空心板梁,全桥共 10 片梁.下部结构为 U 型桥台扩大基础。二、编制依据1、《公路工程技术标准》JTGB01-20252、《公路桥涵设计通用法律规范》JTGD60-20253、《公路桥涵施工技术法律规范》JTJ041-20004、《公路桥涵地基与基础设计法律规范》JTJ024—855、《公路钢筋混凝土及预应力混凝土桥涵设计法律规范》JTGD62—20256、《工程建设标准强制性条文》(公路工程部分)7、设计图纸8、招标文件及施工合同9、总体施工组织设计三、工程数量1、下部结构及其它工程项目单位台帽台身侧墙护栏基座扩大基础合计C30 砼m329.4629.46C25 砼m3374.437。3381。73C20 砼m3459。7459。7钢筋Kg1774.3326.52100.8填料(砂性土)m3861。5375.71237.2砂砾垫层m338.838。8开挖土方m3880。7880。7项目单位锥坡护脚墙人行踏步台后排水水沟合计C15 砼m319。7119.71M7.5 砂浆m330.739。318.788.7碎石m381。981。9大片石m38。28.2粘土m354.354.3编织布m247。747。7填料(砂性土)m369。869。8砂砾垫层m39.84。9514。75开挖土方m358582、上部结构项目单位空心板铰缝桥面铺装防撞墙桥头搭板支座及垫石伸缩缝桥面连续泄水管合计C40 砼m311。9615。22。2529.41C30 砼m350。687.6514。9520。864。40.48158.96C20 砼m338.238.2钢筋Kg17379。8846。110047.73468。011650536。1257.6245.744431钢铰线Kg钢板Kg11121112不锈钢Kg4040GYZF4 支座dm334。9934。99GYZ 支座dm333。433。4伸缩缝M12.512.5泄水管Kg225225M12.5 砂浆m30。070.07砂性土m310001000四、施工准备1、施工队的进场施工队现已进场并租用当地民房作临时驻地,进场后解决了通讯、电力和水的供应,设立了必要的安全标志。组织技术人员认真学习和核实施工设计图纸,熟悉了合同文本技术法律规范和监理程序.2、拌和场的设置拌和场拟定设置在 K2+880~K2+900 已填路堤上,该桥砼采纳集中拌和.桥梁施工队进场后对场地进行了平整、硬化.从省道 S324 线至施工场地修筑了施工便道,保证施工期间的运输畅通,并对已安装的拌和设备进行调试和标定。(桥梁现场施工平面布置图见附件)3、测量放样扩大基础基坑开挖前,先测量放样出开挖边桩,打木桩,用小铁钉在木桩上定位出中心位置。再报监理工程师检...

1、当您付费下载文档后,您只拥有了使用权限,并不意味着购买了版权,文档只能用于自身使用,不得用于其他商业用途(如 [转卖]进行直接盈利或[编辑后售卖]进行间接盈利)。
2、本站所有内容均由合作方或网友上传,本站不对文档的完整性、权威性及其观点立场正确性做任何保证或承诺!文档内容仅供研究参考,付费前请自行鉴别。
3、如文档内容存在违规,或者侵犯商业秘密、侵犯著作权等,请点击“违规举报”。

碎片内容

K2+865.50小桥施工组织设计方案

确认删除?
VIP
微信客服
  • 扫码咨询
会员Q群
  • 会员专属群点击这里加入QQ群
客服邮箱
回到顶部