电脑桌面
添加小米粒文库到电脑桌面
安装后可以在桌面快捷访问

SG-A076裸母线、封闭母线、插接式母线安装工程检验批质量验收记录

SG-A076裸母线、封闭母线、插接式母线安装工程检验批质量验收记录_第1页
1/5
SG-A076裸母线、封闭母线、插接式母线安装工程检验批质量验收记录_第2页
2/5
SG-A076裸母线、封闭母线、插接式母线安装工程检验批质量验收记录_第3页
3/5
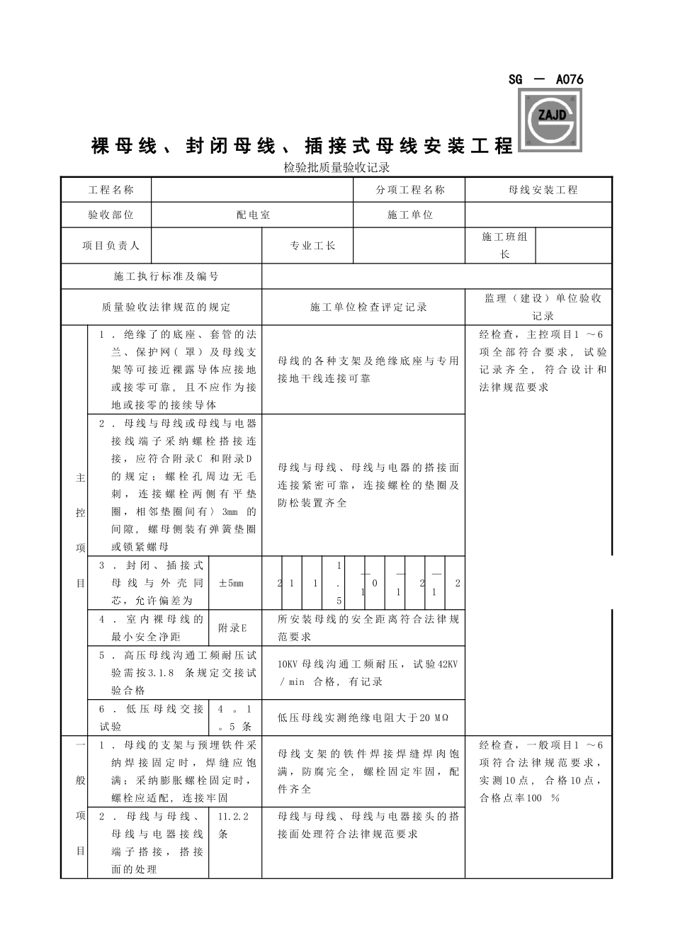
SG - A076裸 母 线 、 封 闭 母 线 、 插 接 式 母 线 安 装 工 程检验批质量验收记录工 程 名 称分 项 工 程 名 称母 线 安 装 工 程验 收 部 位配 电 室施 工 单 位项 目 负 责 人专 业 工 长施 工 班 组长施 工 执 行 标 准 及 编 号质 量 验 收 法 律 规 范 的 规 定施 工 单 位 检 查 评 定 记 录监 理 ( 建 设 ) 单 位 验 收记 录主控项目1 . 绝 缘 了 的 底 座 、 套 管 的 法兰 、 保 护 网 ( 罩 ) 及 母 线 支架 等 可 接 近 裸 露 导 体 应 接 地或 接 零 可 靠 , 且 不 应 作 为 接地 或 接 零 的 接 续 导 体母 线 的 各 种 支 架 及 绝 缘 底 座 与 专 用接 地 干 线 连 接 可 靠经 检 查 , 主 控 项 目 1 ~ 6项 全 部 符 合 要 求 , 试 验记 录 齐 全 , 符 合 设 计 和法 律 规 范 要 求2 . 母 线 与 母 线 或 母 线 与 电 器接 线 端 子 采 纳 螺 栓 搭 接 连接 , 应 符 合 附 录 C 和 附 录 D的 规 定 ; 螺 栓 孔 周 边 无 毛刺 , 连 接 螺 栓 两 侧 有 平 垫圈 , 相 邻 垫 圈 间 有 〉 3mm的间 隙 , 螺 母 侧 装 有 弹 簧 垫 圈或 锁 紧 螺 母母 线 与 母 线 、 母 线 与 电 器 的 搭 接 面连 接 紧 密 可 靠 , 连 接 螺 栓 的 垫 圈 及防 松 装 置 齐 全3. 封 闭 、 插 接 式母 线 与 外 壳 同芯 , 允 许 偏 差 为±5mm2 111.5—10—12—124. 室 内 裸 母 线 的最 小 安 全 净 距附 录 E所 安 装 母 线 的 安 全 距 离 符 合 法 律 规范 要 求5 . 高 压 母 线 沟 通 工 频 耐 压 试验 需 按 3.1.8条 规 定 交 接 试验 合 格10KV 母 线 沟 通 工 频 耐 压 , 试 验 42KV/ min合 格 , 有 记 录6. 低 压 母 线 交 接试 验4。 1。 5 条低 压 母 线 实 测 绝 缘 电 阻 大 于 20 MΩ一般项目1 . 母 线 的 支 架 与 预 埋 铁 件 采纳 焊 接 固 定 时 , 焊 缝 应 饱满 ; 采 纳 膨 胀 螺 栓 固 定 时 ,螺 栓 应 适 配 , 连 接...

1、当您付费下载文档后,您只拥有了使用权限,并不意味着购买了版权,文档只能用于自身使用,不得用于其他商业用途(如 [转卖]进行直接盈利或[编辑后售卖]进行间接盈利)。
2、本站所有内容均由合作方或网友上传,本站不对文档的完整性、权威性及其观点立场正确性做任何保证或承诺!文档内容仅供研究参考,付费前请自行鉴别。
3、如文档内容存在违规,或者侵犯商业秘密、侵犯著作权等,请点击“违规举报”。

碎片内容

SG-A076裸母线、封闭母线、插接式母线安装工程检验批质量验收记录

确认删除?
VIP
微信客服
  • 扫码咨询
会员Q群
  • 会员专属群点击这里加入QQ群
客服邮箱
回到顶部