电脑桌面
添加小米粒文库到电脑桌面
安装后可以在桌面快捷访问

TS16949应急计划控制程序

TS16949应急计划控制程序_第1页
1/4
TS16949应急计划控制程序_第2页
2/4
TS16949应急计划控制程序_第3页
3/4
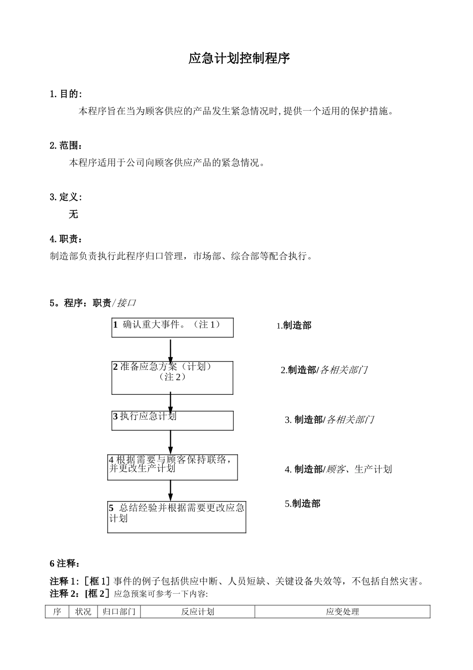
应急计划控制程序修订日期修订单号修订内容摘要页次 版次修订审核批准2011/03/30/系统文件新制定4A/0///更多免费资料下载请进:http://bbs.bz01 。 com 好好学习社区批准:审核:编制:应急计划控制程序1.目的:本程序旨在当为顾客供应的产品发生紧急情况时,提供一个适用的保护措施。2.范围:本程序适用于公司向顾客供应产品的紧急情况。3.定义:无4.职责:制造部负责执行此程序归口管理,市场部、综合部等配合执行。5。程序:职责/接口6 注释:注释 1:[框 1] 事件的例子包括供应中断、人员短缺、关键设备失效等,不包括自然灾害。注释 2:[框 2]应急预案可参考一下内容:序状况归口部门反应计划应变处理1 确认重大事件。(注 1)2 准备应急方案(计划)(注 2)4 根据需要与顾客保持联络,并更改生产计划3 执行应急计划5 总结经验并根据需要更改应急计划 1.制造部3. 制造部/各相关部门5.制造部2.制造部/各相关部门4. 制造部/顾客、生产计划号1人 员短缺综合部1.确认状况a: 关键工序操作人员,发生意外事故。b:主要管理人员突然发生意外,导致上下脱轨,无法正常调度生产.c: 发生大面积的人员短缺无法组织生产.1.检查事故发生可能引起的后果。2.查看人事资料,是否有相应资格人员可以顶替,启用顶岗人员(平常培育多功能岗位人员)。3.调查生产计划,作息时间,必要时安排人员加班.4.设法安排外加工。5。 联络顾客取得沟通与谅解。2主 要设 备故障制造部1.确认状况。2.修复2.1 内部协调,组织修复工作。2.2 准备好外委资料,根据资料迅速联络修复。2.3 进口设备国内无法修复,联络国外人员修复.3. 联系技术部门,设立临时工艺,用其它加工方法解决。1.检查状况出现时可能出现的后果。2.改变生产计划,调整作息时间,安排人员加班。3。 设法安排外加工.4。 改变生产方式,投入新的工艺、设备和人员,组织生产.5。 联络顾客取得沟通与谅解. 3供 应中断市场部1.确认状况a:供应商遇到突发事故,影响生产导致无法按时交货.b:送检物资不合格,导致物资供应中断。1.检查紧急状况是否影响交货期。2.变更生产计划,调整有关人员的作息时间,必要时安排加班。3.与另外一家供应商联系,要求紧急供货.4.联络顾客取得沟通与谅解。4公 用能 源设 施故 障( 水、电 、气等)综合部1.确认紧急状况。2.修复计划2.1 公司外部原因,导致公用设施故障,尽快与有关单位取得联系尽快恢复能源供应。3.2 公司内部组织协调,设法使用...

1、当您付费下载文档后,您只拥有了使用权限,并不意味着购买了版权,文档只能用于自身使用,不得用于其他商业用途(如 [转卖]进行直接盈利或[编辑后售卖]进行间接盈利)。
2、本站所有内容均由合作方或网友上传,本站不对文档的完整性、权威性及其观点立场正确性做任何保证或承诺!文档内容仅供研究参考,付费前请自行鉴别。
3、如文档内容存在违规,或者侵犯商业秘密、侵犯著作权等,请点击“违规举报”。

碎片内容

TS16949应急计划控制程序

您可能关注的文档

确认删除?
VIP
微信客服
  • 扫码咨询
会员Q群
  • 会员专属群点击这里加入QQ群
客服邮箱
回到顶部