电脑桌面
添加小米粒文库到电脑桌面
安装后可以在桌面快捷访问

一般抹灰工程施工技术交底

一般抹灰工程施工技术交底_第1页
1/7
一般抹灰工程施工技术交底_第2页
2/7
一般抹灰工程施工技术交底_第3页
3/7
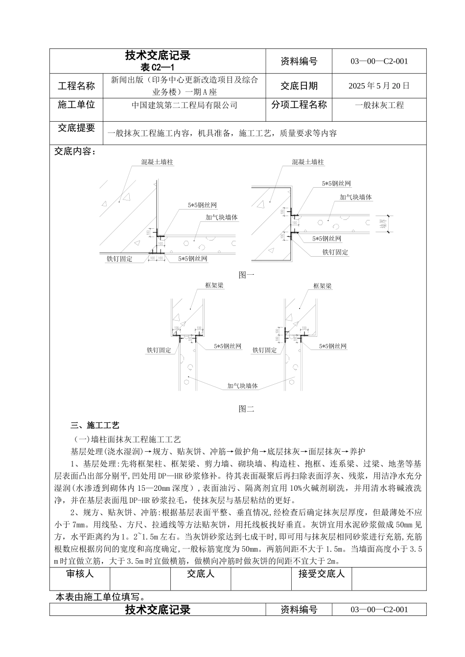
技术交底记录表 C2—1资料编号03-00—C2-001工程名称新闻出版(印务中心更新改造项目及综合业务楼)一期 A 座交底日期2025 年 5 月 20 日施工单位中国建筑第二工程局有限公司分项工程名称一般抹灰工程交底提要一般抹灰工程施工内容,机具准备,施工工艺,质量要求等内容交底内容:一、一般抹灰工程概况墙柱面抹灰有以下两种做法:编号初装修做法用于部位内墙 2(乳胶漆墙面)1、2 厚 DP—HR 砂浆罩面2、8 厚 DP-HR 砂浆打底赶平3、DP-HR 砂浆勾实接缝、修补墙面、拉毛4、加气混凝土砌块或混凝土墙体纸库,印厂走廊,供墨室,废品库房,油墨库房,供纸部,楼梯,楼梯前室,合用前室,走廊,库房,气瓶间,走廊,强电井,弱电井,自动化无人车库,网络电话机房,有限电视机房,印厂其他用房,复式停车库,变配电室,停车管理,电梯机房,卫星接收机房内墙 5(吸声墙面)1、8 厚 1:1:6 水泥石灰膏砂浆分层压实抹平;2、3 厚外加剂专用砂浆抹基底,抹前喷湿墙面;3、加气混凝土砌块或混凝土墙体;空压机房、印刷车间,生活水泵房、空调机房,制冷机房及控制室,天棚抹灰有以下一种做法:编号初装修做法用于部位天棚 1 (乳胶漆顶棚)1、底板刮 5~10 厚 DP-G(粉刷石膏)抹平2、现浇钢筋砼楼板停车管理,印厂走廊及其他印厂用房,软化水及废水处理,楼梯,楼梯前室,合用前室,强电井,弱电井,走廊,网络电话机房,有限电视机房,自动化无人车库,供纸部,供墨室,废品库房,油墨库房,库房,气瓶间,纸库其中首层印刷业务窗口、办公室、演播室、会议室不在本次初装修范围内。二、施工部署总体施工顺序遵循分层分段,先地下后地上,先顶后地,先上后下,先房间后公共的原则,分为四个施工区段,每区段以层为单位,从上向下逐层流水施工,先进行各房间内的装修后进行走道的装修。三、施工准备1、抹灰工程在砌体工程施工完毕至少 7d 并经验收合格后进行。2、抹灰施工用水及养护用水从现场临水平面布置图上就近支管上接管。3、抹灰前要检查门框的安装位置是否正确,与墙体连接是否牢固。对连接处的缝隙用 DP 砂浆填塞密实,若缝隙较大时应在砂浆中掺入少量麻刀嵌塞,使其塞缝严密.4、管道穿越的墙洞和楼板洞,应及时安放套管,并用水泥砂浆或细石混凝土堵塞密实;电线管、消火栓箱、配电箱安装完毕,并将背后露明部分钉好钢丝网。 5、混凝土与砌块墙体相接处基体表面的抹灰前,先铺钉 5×5 的钢丝网,并绷紧牢固,刷水泥浆一道后再抹底灰,钢...

1、当您付费下载文档后,您只拥有了使用权限,并不意味着购买了版权,文档只能用于自身使用,不得用于其他商业用途(如 [转卖]进行直接盈利或[编辑后售卖]进行间接盈利)。
2、本站所有内容均由合作方或网友上传,本站不对文档的完整性、权威性及其观点立场正确性做任何保证或承诺!文档内容仅供研究参考,付费前请自行鉴别。
3、如文档内容存在违规,或者侵犯商业秘密、侵犯著作权等,请点击“违规举报”。

碎片内容

一般抹灰工程施工技术交底

您可能关注的文档

确认删除?
VIP
微信客服
  • 扫码咨询
会员Q群
  • 会员专属群点击这里加入QQ群
客服邮箱
回到顶部