电脑桌面
添加小米粒文库到电脑桌面
安装后可以在桌面快捷访问

乳化沥青试验报告

乳化沥青试验报告_第1页
1/6
乳化沥青试验报告_第2页
2/6
乳化沥青试验报告_第3页
3/6
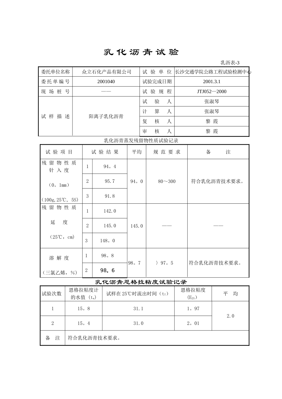
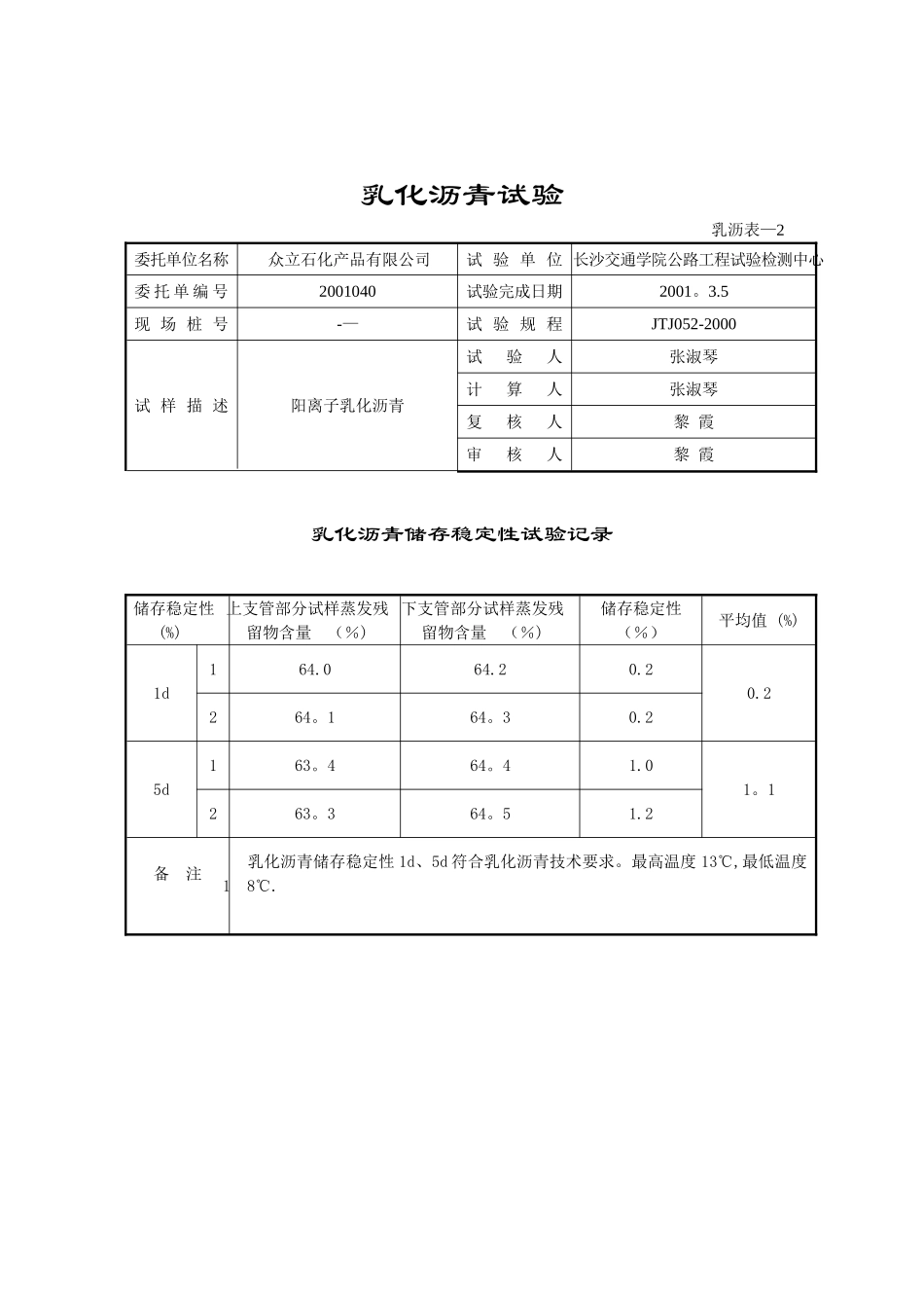
乳化沥青试验乳沥表-1委托单位名称众立石化产品有限公司试 验 单 位 长沙交通学院公路工程试验检测中心委 托 单 编 号2001040试验完成日期2001。3。2现 场 桩 号-—试 验 规 程JTJ052—2000试 样 描 述阳离子乳化沥青试验人张淑琴 计算人张淑琴复核人黎 霞审核人黎 霞乳化沥青蒸发残留物含量试验记录 试验次数 乳化沥青质量 (g)蒸发残留物质量 (g)沥青含量 (%)平均值 (%)1300.1192.264。064.02300.0192。364。1备 注符合乳化沥青技术要求。乳化沥青筛上剩余量试验记录试验次数乳化沥青质量 (g)筛上残留物质量 (g)筛上残留物含量 (%)平均值 (%)1501.20。800.160.22500。00。750.15备 注符合乳化沥青技术要求.乳化沥青试验乳沥表—2委托单位名称众立石化产品有限公司试 验 单 位 长沙交通学院公路工程试验检测中心委 托 单 编 号2001040试验完成日期2001。3.5现 场 桩 号-—试 验 规 程JTJ052-2000试 样 描 述阳离子乳化沥青试验人张淑琴 计算人张淑琴复核人黎 霞审核人黎 霞乳化沥青储存稳定性试验记录 储存稳定性(%)上支管部分试样蒸发残留物含量 (%)下支管部分试样蒸发残留物含量 (%)储存稳定性 (%)平均值 (%)1d164.064.20.20.2264。164。30.25d163。464。41.01。1263。364。51.2备 注 乳化沥青储存稳定性 1d、5d 符合乳化沥青技术要求。最高温度 13℃,最低温度1 8℃.乳 化 沥 青 试 验乳沥表-3委托单位名称众立石化产品有限公司试 验 单 位 长沙交通学院公路工程试验检测中心委 托 单 编 号2001040试验完成日期2001.3.1现 场 桩 号——试 验 规 程JTJ052—2000试 样 描 述阳离子乳化沥青试验人张淑琴 计算人张淑琴复核人黎 霞审核人黎 霞乳化沥青蒸发残留物性质试验记录试 验 项 目试 验 结 果平均规 范 要 求备 注残 留 物 性 质针 入 度(0。1mm)(100g,25℃, 5S)194。494。080~300符合乳化沥青技术要求。295.7391.8残 留 物 性 质延 度(25℃,cm)1142.0145.0————2145.0 3148。0溶 解 度(三氯乙烯,%) 198。898。7〉97。5符合乳化沥青技术要求。 298。6乳化沥青恩格拉粘度试验记录 试验次数恩格拉粘度计的水值 (tw)试样在 25℃时流出时间(tT)恩格拉粘度 (E25)平 均115。831.11。972.0215。431.02。01备 注符合乳化沥青技术要求。乳化沥青试验 乳沥表—4委托单位名称众立石化产品有限...

1、当您付费下载文档后,您只拥有了使用权限,并不意味着购买了版权,文档只能用于自身使用,不得用于其他商业用途(如 [转卖]进行直接盈利或[编辑后售卖]进行间接盈利)。
2、本站所有内容均由合作方或网友上传,本站不对文档的完整性、权威性及其观点立场正确性做任何保证或承诺!文档内容仅供研究参考,付费前请自行鉴别。
3、如文档内容存在违规,或者侵犯商业秘密、侵犯著作权等,请点击“违规举报”。

碎片内容

乳化沥青试验报告

确认删除?
VIP
微信客服
  • 扫码咨询
会员Q群
  • 会员专属群点击这里加入QQ群
客服邮箱
回到顶部