电脑桌面
添加小米粒文库到电脑桌面
安装后可以在桌面快捷访问

产品报废处理流程55536

产品报废处理流程55536_第1页
1/3
产品报废处理流程55536_第2页
2/3
产品报废处理流程55536_第3页
3/3
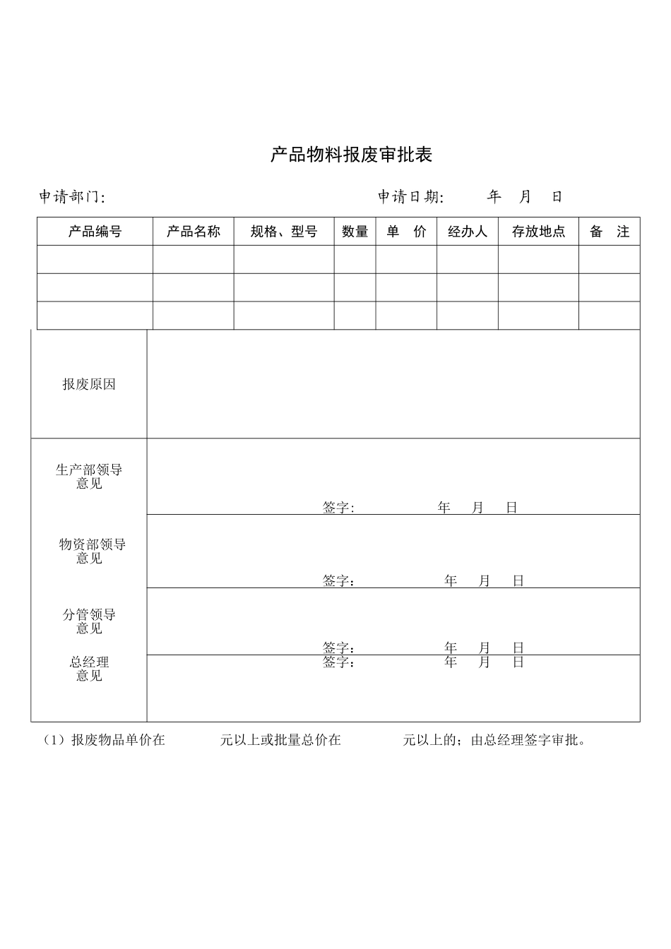
产品(物料)报废管理规定1。0 目的为有效的利用仓库空间。降低仓储成本、真实地反映公司存货资产、及时对不良产品的报废做到法律规范、合理、快捷,特制定本规定.2。0 适用范围凡本公司物料/产品报废(含半成品和成品、退货产品、包装物料)均按此规定作业.3。0 各岗职责3。1 申请报废的部门:负责组织对报废产品物料的清理及鉴定、填写《产品报废申请单》并跟踪领导审批签字、形成有效单据后转到仓储部门。仓库根据有效的《产品报废申请单》内容,负责对报废产品物料的执行处理,并录入报废内容后将有效《产品报废申请单》原件转交给财务部相关岗位审核单据;3.2 质保部门:负责对报废产品及物料的品质鉴定。4。1 报废品类型4.1.1 不良品库形成的各类型需报废产品;(超出三个月客户返回产品)由物质部、质保部协助负责组织实施4。1。1。1 包装物料;因市场原因需更换内容、外形、颜色等原因形成的报废;由销售部为主和物质部协助负责组织实施4.1。2 因存仓时间太久或因颜色不配套等原因而导致的产品物料报废,货仓清理所需报废的产品物料,由生产部门为主物资部、质保部门协助负责组织实施4。1.5 责任部主管接到通知后需在 48 小时内对不良产品进行确认 4。2 报废品控制4。2。1 仓储部接获有效的《产品报废申请单》后,即安排人员对产品物料进行产品物料与单据的核对,必须在 2 个工作日内完成。4.2。2 如产品物料与《产品报废申请单》所示内容不符或认为报废不合理,则将单据退回申请单位,要求其重新清理或重写单据.4。2。3 申请报废的部门依有效《产品报废申请单》核准的“处理方法"将产品/物料送到相关的执行地点进行报废处理.4.2.5 报废产品残值处理;应由申请报废部门经办一人、库管一人共同实施并在单据上签字、所有现金收入由主导经办人 24 小时内上交财务部5.0 本规定自发布之日起实施。附;报废审批样表 产品物料报废审批表申请部门:申请日期: 年 月 日产品编号产品名称规格、型号数量单 价经办人存放地点备 注 报废原因 生产部领导 意见 签字: 年 月 日 物资部领导 意见 签字: 年 月 日分管领导意见 签字: 年 月 日总经理意见 签字: 年 月 日(1)报废物品单价在 元以上或批量总价在 元以上的;由总经理签字审批。

1、当您付费下载文档后,您只拥有了使用权限,并不意味着购买了版权,文档只能用于自身使用,不得用于其他商业用途(如 [转卖]进行直接盈利或[编辑后售卖]进行间接盈利)。
2、本站所有内容均由合作方或网友上传,本站不对文档的完整性、权威性及其观点立场正确性做任何保证或承诺!文档内容仅供研究参考,付费前请自行鉴别。
3、如文档内容存在违规,或者侵犯商业秘密、侵犯著作权等,请点击“违规举报”。

碎片内容

产品报废处理流程55536

确认删除?
VIP
微信客服
  • 扫码咨询
会员Q群
  • 会员专属群点击这里加入QQ群
客服邮箱
回到顶部