电脑桌面
添加小米粒文库到电脑桌面
安装后可以在桌面快捷访问

供应商考察报告

供应商考察报告_第1页
1/10
供应商考察报告_第2页
2/10
供应商考察报告_第3页
3/10
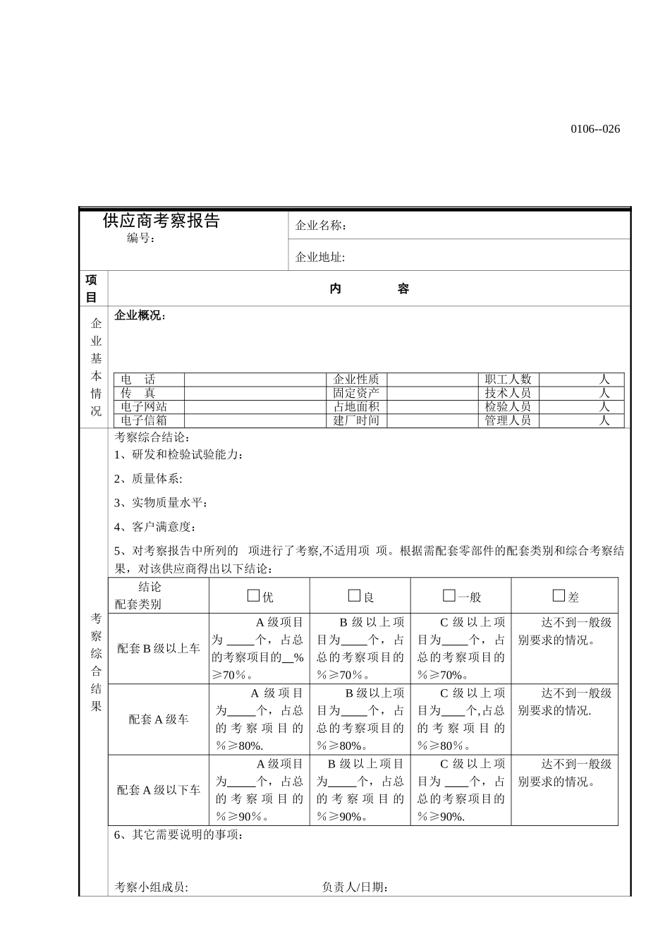
供应商考察报告 编号:企业名称:企业地址:项目内 容企业基本情况企业概况:考察综合结果考察综合结论:1、研发和检验试验能力:2、质量体系:3、实物质量水平:4、客户满意度:5、对考察报告中所列的 项进行了考察,不适用项 项。根据需配套零部件的配套类别和综合考察结果,对该供应商得出以下结论: 结论配套类别□优□良□一般□差配套 B 级以上车A 级项目为 个,占总的考察项目的 %≥70%。B 级 以 上 项目为 个,占总的考察项目的 %≥70%。C 级 以 上 项目为 个,占总的考察项目的 %≥70%。达不到一般级别要求的情况。配套 A 级车A 级 项 目为 个,占总的 考 察 项 目 的 %≥80%.B 级以上项目为 个,占总的考察项目的 %≥80%。C 级 以 上 项目为 个,占总的 考 察 项 目 的 %≥80%。达不到一般级别要求的情况.配套 A 级以下车A 级项目为 个,占总的 考 察 项 目 的 %≥90%。B 级以上项目为 个,占总的 考 察 项 目 的 %≥90%。C 级 以 上 项目为 个,占总的考察项目的 %≥90%.达不到一般级别要求的情况。6、其它需要说明的事项:考察小组成员: 负责人/日期: 0106--026电 话企业性质职工人数人传 真固定资产技术人员人电子网站占地面积检验人员人电子信箱建厂时间管理人员人公司意见采购部:签 名:采购委员会:签 名:企业主要产品及配套情况:主要产品现年产量OEM 量售后市场量OEM 供货企业OEM 所配车型需配套的零部件详细情况:零部件名称:研发工艺方面产品的资源情况使用何种三维设计软件及程度自主开发能力及经验描述有何新技术、新工艺及新材料运用是否开展国、国际间技术合作产品设计是否考虑顾客要求和功能产品设计是否有 APQP 和 DFMEA产品的 PFMEA、作业指导书情况过程能力验证情况质量方面零部件质量等级3C 或强制性产品认证或其他认证情况具体的质量指标质量试验、实验设备质量试验、实验情况关键零部件、原材料供应情况产品的检验情况产品的可追溯性生产物流成本是否有产品专用生产线或专机生产产品生产设备情况产品工艺装备情况该产品是否实行精益生搬运贮存情况包装标识情况产品运输情况产品价格情况公司内部成本控制计划原材料成本控制情况是否开展 VA/VE 活动C产品开发与改进能力序号考 察 内 容考 察 情 况ABCD1人员配备(1)产品设计:人(2)模夹检具设计:人(3)试制试验:人⑴⑵⑶ 满足且足够⑴⑵ 或 ⑴⑶ 满 ...

1、当您付费下载文档后,您只拥有了使用权限,并不意味着购买了版权,文档只能用于自身使用,不得用于其他商业用途(如 [转卖]进行直接盈利或[编辑后售卖]进行间接盈利)。
2、本站所有内容均由合作方或网友上传,本站不对文档的完整性、权威性及其观点立场正确性做任何保证或承诺!文档内容仅供研究参考,付费前请自行鉴别。
3、如文档内容存在违规,或者侵犯商业秘密、侵犯著作权等,请点击“违规举报”。

碎片内容

供应商考察报告

确认删除?
VIP
微信客服
  • 扫码咨询
会员Q群
  • 会员专属群点击这里加入QQ群
客服邮箱
回到顶部