电脑桌面
添加小米粒文库到电脑桌面
安装后可以在桌面快捷访问

全国宽带和窄带载波方案性能对比表

全国宽带和窄带载波方案性能对比表_第1页
1/3
全国宽带和窄带载波方案性能对比表_第2页
2/3
全国宽带和窄带载波方案性能对比表_第3页
3/3
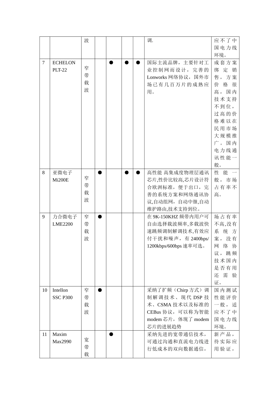
编号厂家类型物理层芯片SOC芯片网络协议解决方案竞争优势竞争劣势1东软窄带载波●●●●多年经营形成的市场份额;与客户形成长期合作关系;系统解决方案提供能力;系统性能目前处于国内先进水平.技术支持 、 售 后服 务 不 到位2福星晓程窄带载波●●●●多年经营形成的市场份额;与客户形成长期的合作关系;系统解决方案提供能力;目前系统性能处于国内较好水平。技术支持 、 售 后服 务 不 到位;其通讯频 率 在 国外 市 场 不在 许 可 频段内.3长沙新竹数码 XZ386窄带载波●●●●具有多年提供电表方案累积的经验;具有系统解决方案提供能力;在东软等厂家产品基础上开发,系统性能处于国内先进水平。属 于 该 公司 根 据 市场 需 求 推出的新品 , 目 前市 场 占 有率不高。4瑞斯康窄带载波●●●系统芯片加网络协议 ,实行与电力公司下属企业项目合作(资助)形式,参加了一些地方项目的试验。产 品 性 能一般,芯片设计复杂 , 产 品化 难 , 市场 占 有 率不高。5鼎信窄带载波●●●●有系统解决方案提供能力,系 统 性 能 处 于 国 内 较 好 水平。产 品 推 出较 晚 , 目前 市 场 占有率不高,载 波 功 率较 大 , 对电 网 干 扰较大。6ST 7536 7537 7538窄带载●国外应用较多,效果也不错,有一定的知名度,ST7538 速率最高 4800bps,频率软件可国 内 测 试性 能 评 价一 般 , 适波调.应 不 了 中国 电 力 线环境。7ECHELON PLT-22窄带载波●●●国际主流品牌,主要针对工业 控 制 网 而 设 计 , 完 善 的Lonworks 网络协议,国外市场 已 有 几 百 万 片 的 成 熟 应用。成 套 方 案绑定销售 , 方 案价格很高 , 国 内技 术 支 持不 到 位 ,过 高 的 价格 难 以 在民 用 市 场大 规 模 推广 。 国 内电 力 线 通讯 性 能 一般。8亚微电子Mi200E窄带载波●●●高性能 高集成度物理层通讯芯片,性价比较高,芯片设计符合欧洲标准,便于出口,完善的系统方案和网络通讯协议,自动组网,自动中继,自动维护路由,技术支持到位。性能一般 , 市 场占 有 率 不高。9力合微电子LME2200窄带载波●在 9K-150KHZ 频带内用户可自由选择载波频率,多载波快速跳频调制解调技术,有效应付干扰和噪声,有 2400bps/1200kbps/600bps 速率可选。场 占 有 率不高,没有系统方案 , 没...

1、当您付费下载文档后,您只拥有了使用权限,并不意味着购买了版权,文档只能用于自身使用,不得用于其他商业用途(如 [转卖]进行直接盈利或[编辑后售卖]进行间接盈利)。
2、本站所有内容均由合作方或网友上传,本站不对文档的完整性、权威性及其观点立场正确性做任何保证或承诺!文档内容仅供研究参考,付费前请自行鉴别。
3、如文档内容存在违规,或者侵犯商业秘密、侵犯著作权等,请点击“违规举报”。

碎片内容

全国宽带和窄带载波方案性能对比表

确认删除?
VIP
微信客服
  • 扫码咨询
会员Q群
  • 会员专属群点击这里加入QQ群
客服邮箱
回到顶部