电脑桌面
添加小米粒文库到电脑桌面
安装后可以在桌面快捷访问

公路桥梁盆式橡胶支座系列规格表

公路桥梁盆式橡胶支座系列规格表_第1页
1/13
公路桥梁盆式橡胶支座系列规格表_第2页
2/13
公路桥梁盆式橡胶支座系列规格表_第3页
3/13
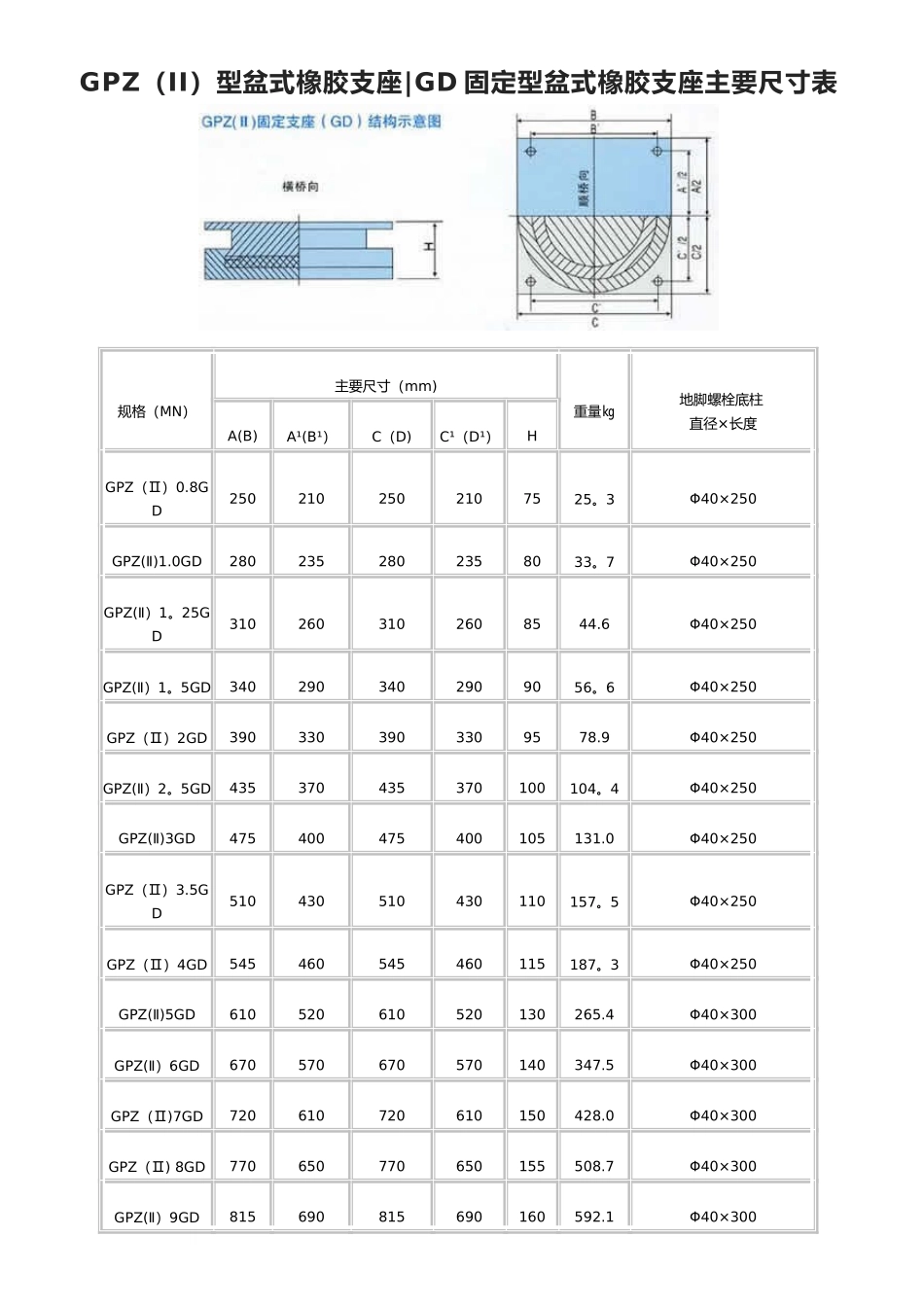
GPZ、 GPZ(II)型系列公路桥梁盆式橡胶支座(SX 双向,DX 单向,GD 固定)主要尺寸表GPZ(II)型盆式橡胶支座|GD 固定型盆式橡胶支座主要尺寸表规格(MN)主要尺寸(mm)重量㎏地脚螺栓底柱 直径×长度A(B)A¹(B¹)C(D)C¹(D¹)HGPZ(Ⅱ)0.8GD2502102502107525。3Φ40×250GPZ(Ⅱ)1.0GD2802352802358033。7Φ40×250GPZ(Ⅱ)1。25GD3102603102608544.6Φ40×250GPZ(Ⅱ)1。5GD3402903402909056。6Φ40×250GPZ(Ⅱ)2GD3903303903309578.9Φ40×250GPZ(Ⅱ)2。5GD435370435370100104。4Φ40×250GPZ(Ⅱ)3GD475400475400105131.0Φ40×250GPZ(Ⅱ)3.5GD510430510430110157。5Φ40×250GPZ(Ⅱ)4GD545460545460115187。3Φ40×250GPZ(Ⅱ)5GD610520610520130265.4Φ40×300GPZ(Ⅱ)6GD670570670570140347.5Φ40×300GPZ(Ⅱ)7GD720610720610150428.0Φ40×300GPZ(Ⅱ) 8GD770650770650155508.7Φ40×300GPZ(Ⅱ)9GD815690815690160592.1Φ40×300GPZ(Ⅱ)10GD860730860730170697.0Φ40×300GPZ(Ⅱ)12。5GD960810960810185946.6Φ40×350GPZ(Ⅱ)15GD105089010508902001226.9Φ40×350GPZ(Ⅱ)17。5GD113596011359602101496.6Φ40×350GPZ(Ⅱ)20GD12201040122010402301896.0Φ40×350GPZ(Ⅱ)22。5GD12901100129011002402217。2Φ40×350GPZ(Ⅱ)25GD13601150136011502502565。6Φ40×400GPZ(Ⅱ)27.5GD14301220143012202602929。8Φ40×400GPZ(Ⅱ)30GD14901270149012702703295.3Φ40×400GPZ(Ⅱ)32。5GD15501320155013202803708。5Φ40×400GPZ(Ⅱ)35GD16101370161013702904154.1Φ40×400GPZ(Ⅱ)37。5GD16701420167014203004609。5Φ40×400GPZ(Ⅱ)40GD17201460172014603105050.2Φ40×400GPZ(Ⅱ)45GD18301560183015603205856.3Φ40×450GPZ(Ⅱ)50GD19201630192016303356743。8Φ40×450GPZ(Ⅱ)55GD20251720202517203507827.4Φ40×450GPZ(Ⅱ)60GD21001790210017903658817.0Φ40×450GPZ(II)型盆式橡胶支座|DX 单向型盆式橡胶支座主要尺寸表规格(MN)纵向位移(mm)主要尺寸(mm)地脚螺栓底柱 直径×长度重量 ㎏AA¹BB¹C(D)C¹D¹HGPZ(Ⅱ)0。8DX±50±100±150321 420 520280 380 480315 220 265 230 180 75Φ40×25038.8GPZ(Ⅱ)1.0DX ±50±100±150340 440 540300 400 500340 245 290 250 200 80Φ40×25047.8GPZ(Ⅱ)1.25DX±50±100±150360 460 560320 420 520370 275 320 280 230 8...

1、当您付费下载文档后,您只拥有了使用权限,并不意味着购买了版权,文档只能用于自身使用,不得用于其他商业用途(如 [转卖]进行直接盈利或[编辑后售卖]进行间接盈利)。
2、本站所有内容均由合作方或网友上传,本站不对文档的完整性、权威性及其观点立场正确性做任何保证或承诺!文档内容仅供研究参考,付费前请自行鉴别。
3、如文档内容存在违规,或者侵犯商业秘密、侵犯著作权等,请点击“违规举报”。

碎片内容

公路桥梁盆式橡胶支座系列规格表

您可能关注的文档

津创媒+ 关注
实名认证
内容提供者

欢迎交流文创,小店资料希望满足您的需要。

确认删除?
VIP
微信客服
  • 扫码咨询
会员Q群
  • 会员专属群点击这里加入QQ群
客服邮箱
回到顶部