电脑桌面
添加小米粒文库到电脑桌面
安装后可以在桌面快捷访问

电力公司交流三相隔离开关-标准化技术详评细则

电力公司交流三相隔离开关-标准化技术详评细则_第1页
1/5
电力公司交流三相隔离开关-标准化技术详评细则_第2页
2/5
电力公司交流三相隔离开关-标准化技术详评细则_第3页
3/5
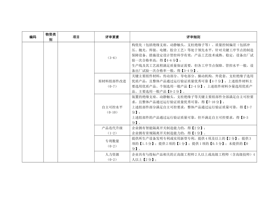
编码物资类别项目评审要素评审细则PW-JLGLKG-JS10kV交流隔离开关一、业绩水平(4-10)供货业绩(4-10)公告作出业绩要求的:业绩满足公告要求得【4 分】;超过公告要求 50%及以上得【6 分】;超过公告要求 100%及以上得【8 分】;超过公告要求 200%及以上得【10 分】;公告未作业绩要求的,但额外提供业绩的:按供货业绩从大到小分为两档,分别得【8 分】、【10 分】。二、资源实力(6-55)创新能力(2-13)企业参与制定与投标产品相关的行业及以上标准 1 项得【3 分】;企业参与制定与投标产品相关的企标或团标标准 1 项得【2 分】;不符合以上情形的得【0 分】。企业具有类似投标产品的中文核心及以上论文或发明专利或软著,且单位排序第一,满足上述任意一项,得【2 分】;企业具有类似投标产品的中文核心及以上论文或发明专利或软著,单位排序非第一作者,得【1 分】;不符合以上情形的,得【0 分】。企业获得与投标产品相关的省部级及以上科技奖励,得【2 分】;企业获得与投标产品相关的其他科技奖励,得【1 分】;不符合以上情形的,得【0 分】。设计图纸为自主研发、部分设计软件具有自主设计能力及软件著作权并经过验证,拥有针对投标产品质量提升重要作用的发明、实用新型专利以及相关著作权等知识产权项【4-6 分】;设计图纸自主研发,设计软件全部引进【2-4 分】。设备工艺优化改进生产线及其工艺流程科学先进,影响隔离开关质量的关键工艺方法、关键部位结编码物资类别项目评审要素评审细则(3-6)构优化(包括绝缘支座、动静触头、支柱绝缘子等)、质量控制偏差(包括冲压、抛光、焊接、电镀、胶合工艺)等处于领先水平,针对关键工序节点的制造保障设备、措施设定设计管控科学有效,产品工艺技术成熟、稳定,设备出厂试验一次合格率高,得【4-6 分】;生产线及其工艺流程满足质量保证需要,但各工序节点保障、管控水平一般,设备出厂试验一次合格率一般,得【3-4 分】。原材料组部件改进(0-7)关键主要组件材料:传动部分、导电部分、操动机构、外瓷套、支柱绝缘子选用优质产品,且整体产品通过运行验证质量优秀可靠【4-7 分】;上述组件材料主要选用优质产品、个别选用一般产品【2-4 分】;上述组件材料少量选用优质产品、主要选用一般产品【0-2 分】。自主可控水平(0-10)装置的绝缘支座、动静触头、支柱绝缘子等关键主要组部件全部满足自主可控要求,且整体产品通过运行验证质量优秀可靠,得【7-...

1、当您付费下载文档后,您只拥有了使用权限,并不意味着购买了版权,文档只能用于自身使用,不得用于其他商业用途(如 [转卖]进行直接盈利或[编辑后售卖]进行间接盈利)。
2、本站所有内容均由合作方或网友上传,本站不对文档的完整性、权威性及其观点立场正确性做任何保证或承诺!文档内容仅供研究参考,付费前请自行鉴别。
3、如文档内容存在违规,或者侵犯商业秘密、侵犯著作权等,请点击“违规举报”。

碎片内容

电力公司交流三相隔离开关-标准化技术详评细则

文章天下+ 关注
实名认证
内容提供者

各种文档应有尽有

确认删除?
VIP
微信客服
  • 扫码咨询
会员Q群
  • 会员专属群点击这里加入QQ群
客服邮箱
回到顶部