电脑桌面
添加小米粒文库到电脑桌面
安装后可以在桌面快捷访问

三菱车系自诊断系统大全

三菱车系自诊断系统大全_第1页
1/8
三菱车系自诊断系统大全_第2页
2/8
三菱车系自诊断系统大全_第3页
3/8
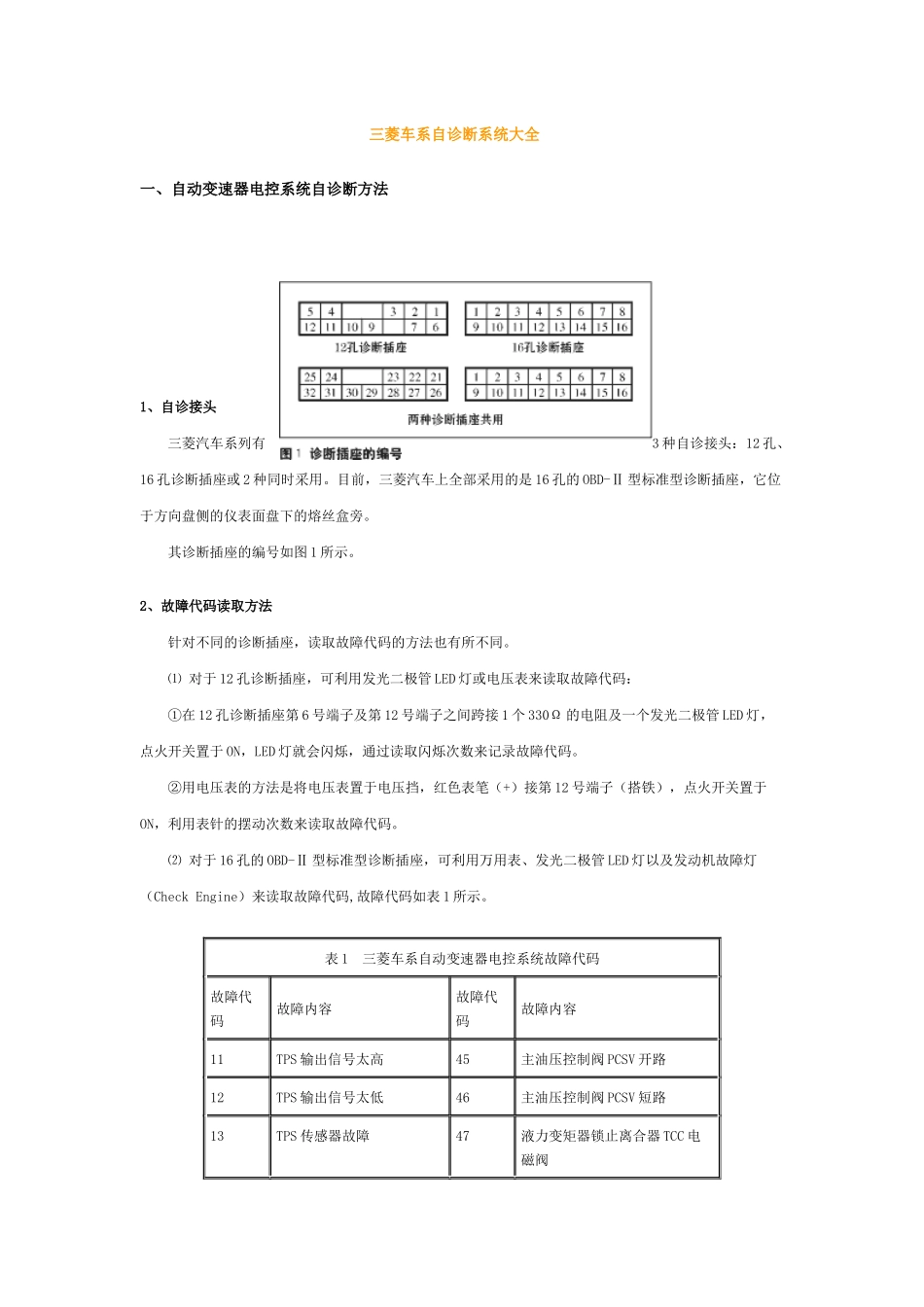
三菱车系自诊断系统大全 一、自动变速器电控系统自诊断方法1、自诊接头 三菱汽车系列有3 种自诊接头:12 孔、16 孔诊断插座或 2 种同时采用。目前,三菱汽车上全部采用的是 16 孔的 OBD-Ⅱ 型标准型诊断插座,它位于方向盘侧的仪表面盘下的熔丝盒旁。 其诊断插座的编号如图 1 所示。2、故障代码读取方法 针对不同的诊断插座,读取故障代码的方法也有所不同。 ⑴ 对于 12 孔诊断插座,可利用发光二极管 LED 灯或电压表来读取故障代码: ①在 12 孔诊断插座第 6 号端子及第 12 号端子之间跨接 1 个 330Ω 的电阻及一个发光二极管 LED 灯,点火开关置于 ON,LED 灯就会闪烁,通过读取闪烁次数来记录故障代码。 ②用电压表的方法是将电压表置于电压挡,红色表笔(+)接第 12 号端子(搭铁),点火开关置于ON,利用表针的摆动次数来读取故障代码。 ⑵ 对于 16 孔的 OBD-Ⅱ 型标准型诊断插座,可利用万用表、发光二极管 LED 灯以及发动机故障灯(Check Engine)来读取故障代码,故障代码如表 1 所示。表 1 三菱车系自动变速器电控系统故障代码故障代码故障内容故障代码故障内容11TPS 输出信号太高45主油压控制阀 PCSV 开路12TPS 输出信号太低46主油压控制阀 PCSV 短路13TPS 传感器故障47液力变矩器锁止离合器 TCC 电磁阀 电路开路14TPS 调整不当48TCC 电磁阀短路15油温传感器开路49TCC 电磁阀短路16油温传感器短路51Ⅰ 挡传动比错误17油温传感器线路不良52Ⅱ 挡传动比错误18发动机转速传感器开路53Ⅲ 挡传动比错误21强迫降挡开关开路54Ⅳ 挡传动比错误22强迫降挡开关短路59产生异常震动23点火信号开路61负荷信号开路28制动灯开关开路62负荷信号短路31、81油压电磁阀 PG-A 断路63负荷输出线路短路32、82油压电磁阀 PG-B 断路83SCVA-A 线路不良41换挡控制电磁阀 SCSV-A 开路84SCSV-B 线路不良42换挡控制电磁阀 SCSV-A 短路85PCSV 线路不良43换挡控制电磁阀 SCSV-B 开路86变速器换挡错误44换挡控制电磁阀 SCSV-B 断路 若仪表面盘上有发动机故障灯,可将诊断插座 6 号端子用跨接线直接短路搭铁,点火开关置于 ON,发动机故障灯即可闪烁出故障代码。 若无发动机故障灯,则可用万用表来读取故障代码。此时万用表的红笔(+)接到诊断插座第 6 号端子,黑笔(-)接到第 4 号、5 号端子或直接搭铁。利用表针的摆动次数来读取故障代码。也可在诊断插座的第 6 号...

1、当您付费下载文档后,您只拥有了使用权限,并不意味着购买了版权,文档只能用于自身使用,不得用于其他商业用途(如 [转卖]进行直接盈利或[编辑后售卖]进行间接盈利)。
2、本站所有内容均由合作方或网友上传,本站不对文档的完整性、权威性及其观点立场正确性做任何保证或承诺!文档内容仅供研究参考,付费前请自行鉴别。
3、如文档内容存在违规,或者侵犯商业秘密、侵犯著作权等,请点击“违规举报”。

碎片内容

三菱车系自诊断系统大全

确认删除?
VIP
微信客服
  • 扫码咨询
会员Q群
  • 会员专属群点击这里加入QQ群
客服邮箱
回到顶部