电脑桌面
添加小米粒文库到电脑桌面
安装后可以在桌面快捷访问

IMS管理手册VIP免费

IMS管理手册_第1页
1/51
IMS管理手册_第2页
2/51
IMS管理手册_第3页
3/51
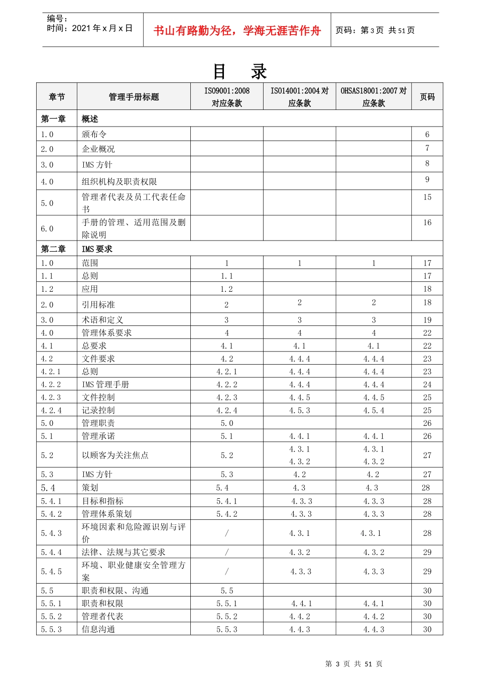
第1页共51页编号:时间:2021年x月x日书山有路勤为径,学海无涯苦作舟页码:第1页共51页编制人:冯复安编制日期:2012.12.12审核人:林玉龙审核日期:2012.12.14批准人:李至隆批准日期:2012.12.14适用单位:M1、M2、M3、M5、W1、W2、T1会签部门会签人签字日期M1王瑞弟2012.12.14M2孙瑞峰2012.12.14M3张百顺2012.12.17M5花莉莉2012.12.17W1洪宝团2012.12.17W2秦利军代2012.12.17第2页共51页第1页共51页编号:时间:2021年x月x日书山有路勤为径,学海无涯苦作舟页码:第2页共51页修订记录表版本更改页码修订内容修订日期修订人A0新版发行2012.03.28冯复安A014.1.4“生产过程没有委外生产”改为“依本司目前生产能力小尺寸棒材轧制、锻造过程为委外生产”7.5.22012.12.11冯复安第3页共51页第2页共51页编号:时间:2021年x月x日书山有路勤为径,学海无涯苦作舟页码:第3页共51页目录章节管理手册标题ISO9001:2008对应条款ISO14001:2004对应条款OHSAS18001:2007对应条款页码第一章概述1.0颁布令62.0企业概况73.0IMS方针84.0组织机构及职责权限95.0管理者代表及员工代表任命书156.0手册的管理、适用范围及删除说明16第二章IMS要求1.0范围111171.1总则1.1171.2应用1.2182.0引用标准222183.0术语和定义333194.0管理体系要求444224.1总要求4.14.14.1224.2文件要求4.24.4.44.4.4234.2.1总则4.2.14.4.44.4.4234.2.2IMS管理手册4.2.24.4.44.4.4244.2.3文件控制4.2.34.4.54.4.5254.2.4记录控制4.2.44.5.34.5.4255.0管理职责5.0265.1管理承诺5.14.4.14.4.1265.2以顾客为关注焦点5.24.3.14.3.24.3.14.3.2275.3IMS方针5.34.24.2275.4策划5.44.34.3285.4.1目标和指标5.4.14.3.34.3.3285.4.2管理体系策划5.4.24.3.34.3.3285.4.3环境因素和危险源识别与评价/4.3.14.3.1285.4.4法律、法规与其它要求/4.3.24.3.2295.4.5环境、职业健康安全管理方案/4.3.34.3.3295.5职责和权限、沟通5.5305.5.1职责和权限5.5.14.4.14.4.1305.5.2管理者代表5.5.24.4.24.4.2305.5.3信息沟通5.5.34.4.34.4.330第4页共51页第3页共51页编号:时间:2021年x月x日书山有路勤为径,学海无涯苦作舟页码:第4页共51页章节管理手册标题ISO9001:2008对应条款ISO14001:2004对应条款OHSAS18001:2007对应条款页码5.6管理评审5.6315.6.1总则5.6.14.64.6315.6.2评审输入5.6.24.64.6325.6.3评审输出5.6.34.64.6326.0资源管理6.0326.1资源的提供6.14.4.14.4.1336.2人力资源6.2336.2.1总则6.2.14.4.24.4.2336.2.2能力、意识和培训6.2.2336.3基础设施6.34.4.14.4.1336.4工作环境6.4347.0产品实现7.04.44.4347.1产品实现的策划7.14.4.64.4.6347.2与顾客有关的过程7.2347.2.1有关要求的确定7.2.14.3.14.3.24.4.64.3.14.3.24.4.6357.2.2有关要求的评审7.2.24.3.14.4.64.3.14.4.6357.2.3顾客沟通7.2.3357.3设计与开发7.34.4.64.4.6367.4采购7.44.4.64.4.6387.4.1采购过程7.4.14.4.64.4.6387.4.2采购信息7.4.24.4.64.4.6387.4.3采购产品的验证7.4.34.4.64.4.6387.5生产和服务提供7.5397.5.1生产和服务提供的控制7.5.14.4.64.4.6397.5.2生产和服务提供过程的确认7.5.24.4.64.4.6397.5.3标识和可追溯性7.5.3397.5.4顾客财产7.5.4397.5.5产品防护7.5.5407.6监视和测量装置的控制7.64.5.14.5.1407.7运行控制4.4.64.4.6417.8应急准备和响应4.4.74.4.7428.0测量、分析和改进8.04.54.5438.1总则8.14.5.14.5.1438.2监视和测量8.2438.2.1顾客满意8.2.1438.2.2内部审核8.2.24.5.54.5.5438.2.3过程的监视和测量8.2.3448.2.4产品的监视和测量8.2.4448.2.5环境和职业健康安全的监视4.5.14.5.145第5页共51页第4页共51页编号:时间:2021年x月x日书山有路勤为径,学海无涯苦作舟页码:第5页共51页章节管理手册标题ISO9001:2008对应条款ISO14001:2004对应条款OHSAS18001:2007对应条款页码和测量8.2.6法律法规和其他要求合规性评价4.5.24.5.2458.3不符合控制458.3.1不合格品控制8.3458.3.2事件调查、不符合4.4.74.5.34.5.3468.4数据分析8.44.5.14.5.1468.5改进8.5478.5.1持续改进8.5.14.24.3.34.64.24.3.34.6478.5.2纠正措施8.5.24.5.34.5.3478.5.3预防措施8.5.34.5...

1、当您付费下载文档后,您只拥有了使用权限,并不意味着购买了版权,文档只能用于自身使用,不得用于其他商业用途(如 [转卖]进行直接盈利或[编辑后售卖]进行间接盈利)。
2、本站所有内容均由合作方或网友上传,本站不对文档的完整性、权威性及其观点立场正确性做任何保证或承诺!文档内容仅供研究参考,付费前请自行鉴别。
3、如文档内容存在违规,或者侵犯商业秘密、侵犯著作权等,请点击“违规举报”。

碎片内容

中小学教育精品资料+ 关注
实名认证
内容提供者

中小学教育资料,优质文档创作者

确认删除?
VIP
微信客服
  • 扫码咨询
会员Q群
  • 会员专属群点击这里加入QQ群
客服邮箱
回到顶部