电脑桌面
添加小米粒文库到电脑桌面
安装后可以在桌面快捷访问

b建筑行业质量管理手册VIP免费

b建筑行业质量管理手册_第1页
1/83
b建筑行业质量管理手册_第2页
2/83
b建筑行业质量管理手册_第3页
3/83
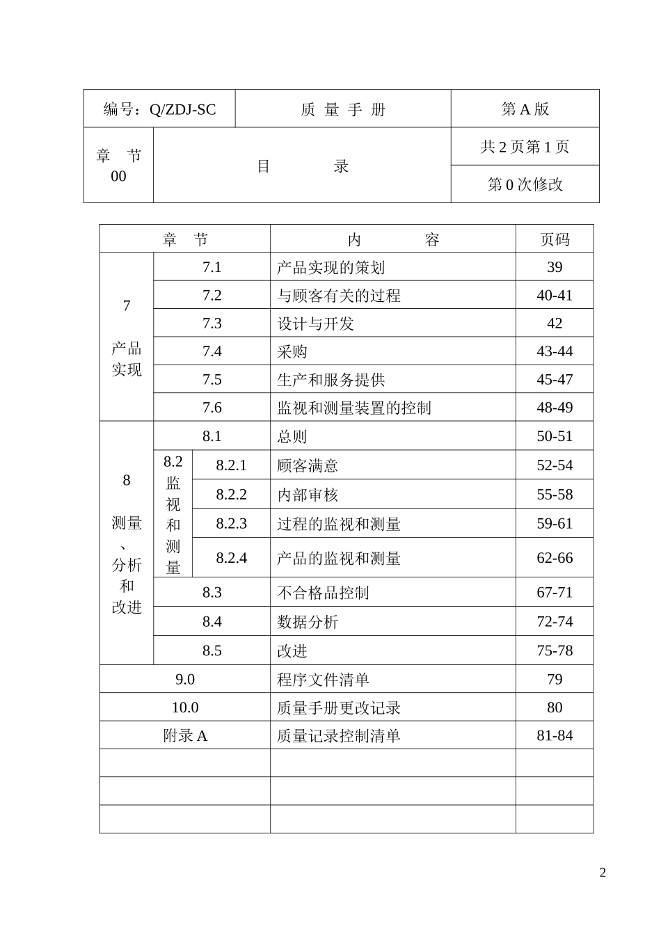
编号:Q/ZDJ-SC质量手册第A版章节00目录共2页第1页第0次修改章节内容页码00目录1-201质量手册颁布实施令302管理者代表任命书403公司简介5-604术语和缩写7-81.0质量手册说明92.0组织机构图102.1质量管理网络图112.2质量体系要素及职能分配表122.3质量职责13-183.0质量方针和质量目标194.0质量管理体系20-255管理职责5.1管理承诺265.2以顾客为关注焦点275.3质量方针285.4策划29-305.5职责、权限与沟通315.6管理评审32-336资源管理6.1资源提供346.2人力资源35-366.3基础设施376.4工作环境381编号:Q/ZDJ-SC质量手册第A版章节00目录共2页第1页第0次修改章节内容页码7产品实现7.1产品实现的策划397.2与顾客有关的过程40-417.3设计与开发427.4采购43-447.5生产和服务提供45-477.6监视和测量装置的控制48-498测量、分析和改进8.1总则50-518.2监视和测量8.2.1顾客满意52-548.2.2内部审核55-588.2.3过程的监视和测量59-618.2.4产品的监视和测量62-668.3不合格品控制67-718.4数据分析72-748.5改进75-789.0程序文件清单7910.0质量手册更改记录80附录A质量记录控制清单81-842编号:Q/ZDJ-SC质量手册第A版章节01质量手册颁布实施令共1页第1页第0次修改质量手册颁布实施令本手册是依据GB/T19001﹕2000标准,结合集团公司所付诸的管理方式和有效管理经验编制而成。它是实施与保持质量体系有效运行的纲领性文件和企业法规,手册覆盖了本集团公司涉及贯标的公路工程项目,通过手册的贯彻落实,以确保集团公司质量方针、质量目标的实现,增强全员质量意识,提高质量管理水平,进一步促进集团公司的全面发展。经审核,质量手册完全符合所选用质量保证模式的要求,现批准予以发布并于2003年8月18日执行我保证,从发布之日起,不作出与质量手册相违背的指令和行动。董事长:2003年3月8日3聘書聘字(5)号兹聘请金江东任管理者代表聘期贰年特授予此证4二○○二年一月一日5第6页共83页编号:时间:2021年x月x日书山有路勤为径,学海无涯苦作舟页码:第6页共83页编号:Q/ZDJ-SC质量手册第A版章节03公司简介共2页第1页第0次修改浙江登峰交通集团有限公司是一家立足道路、桥梁、交通基础工程施工为主,多元化经营的股份制集团企业,具有国家公路一级资质,是浙江省公路施工的骨干企业。集团有限公司源于萧山市交通工程公司和萧山市临浦公路建设工程公司强强联合组建,公司经过8年的创业,逐步发展到目前占地19万平方米,总资产5亿元,员工1200人(其中工程技术人员225人),2000、2001、2002年三年分别完成工程总产值3.61亿元、4.1亿元和4.5亿元。集团拥有国内先进施工机械设备,如美国(TM-50)、意大利产(玛连尼)等大型沥青砼拌和楼五台套;美国(PF-510)和德国(ABG)摊铺机六台套;日本产小松挖掘机六台;WCQ500、WCQ300稳定土拌和设备五套;国产大中型水泥砼拌和楼(含自动进料设备)16台套;水泥砼输送车二辆;反击式碎石机二台套;大吨位工程(斯太尔)自卸车80余辆;机制砂设备一台套。集团中心试验室取得乙级资质;还利用集装箱改装成省内首创的具有检测和试验能力的整体式流动试验室,这些试验室均经工地所在地交通工程质监站批准取得“临时资质证书”,公司除了每年不断充实各级工程技术人员外,对在岗职工强化职业技术培训,提高职工岗位技能,共进行培训35次,累计受训206人次,发证227张,合格率达100%,和省厅工程质监站合编“浙江省公路建设项目施工统一用表”共5册,并已制成“浙江省公路建设项目施工统一用表管理系统”(电脑软件)。凭借集团雄厚的软硬件实力,已跨入大中型企业集团的行列。集团自96年以来,为激发企业活力,适时转换经营机制,牢牢抓住市编号:Q/ZDJ-SC质量手册第A版章节03公司简介共2页第2页第0次修改场这个契机,将企业直接推向市场,使企业能在激烈的市场角逐中生机勃发。一条重要的经验是,一个施工企业在建设市场的立足、生存、发展、和壮大第7页共83页第6页共83页编号:时间:2021年x月x日书山有路勤为径,学海无涯苦作舟页码:第7页共83页靠的是企业的实力、工程质量和信誉。公司在近三年中分别承建了杭州绕城公路,萧山机场路四、九合同段、104国道萧山段、11...

1、当您付费下载文档后,您只拥有了使用权限,并不意味着购买了版权,文档只能用于自身使用,不得用于其他商业用途(如 [转卖]进行直接盈利或[编辑后售卖]进行间接盈利)。
2、本站所有内容均由合作方或网友上传,本站不对文档的完整性、权威性及其观点立场正确性做任何保证或承诺!文档内容仅供研究参考,付费前请自行鉴别。
3、如文档内容存在违规,或者侵犯商业秘密、侵犯著作权等,请点击“违规举报”。

碎片内容

b建筑行业质量管理手册

您可能关注的文档

确认删除?
VIP
微信客服
  • 扫码咨询
会员Q群
  • 会员专属群点击这里加入QQ群
客服邮箱
回到顶部