电脑桌面
添加小米粒文库到电脑桌面
安装后可以在桌面快捷访问

FANUC伺服系统的故障诊断与维修VIP免费

FANUC伺服系统的故障诊断与维修_第1页
1/19
FANUC伺服系统的故障诊断与维修_第2页
2/19
FANUC伺服系统的故障诊断与维修_第3页
3/19
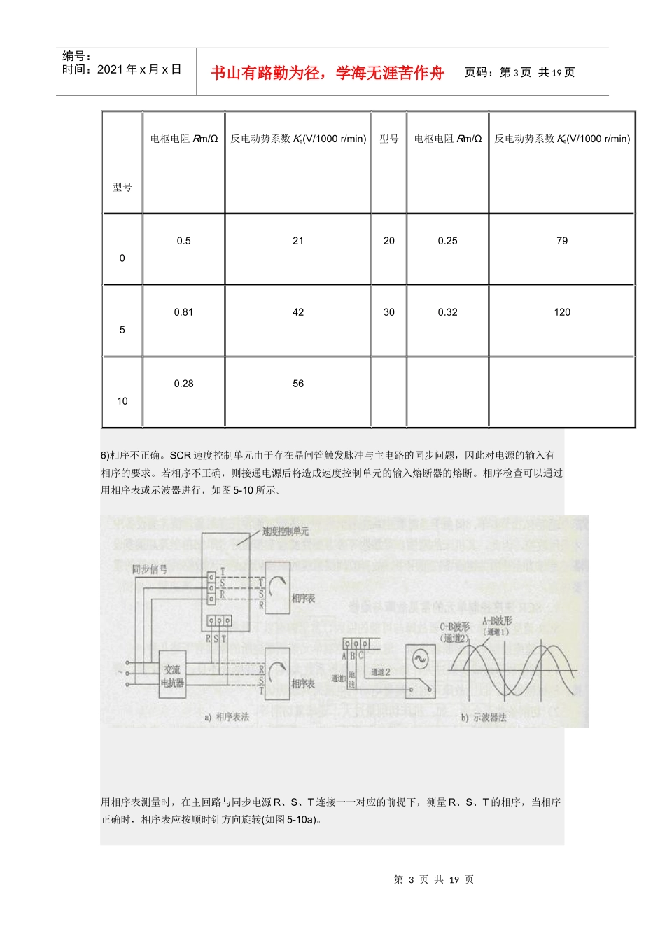
第1页共19页编号:时间:2021年x月x日书山有路勤为径,学海无涯苦作舟页码:第1页共19页FANUC伺服系统的故障诊断与维修阅读:586伺服系统的故障诊断,虽然由于伺服驱动系统生产厂家的不同,在具体做法上可能有所区别,但其基本检查方法与诊断原理却是一致的。诊断伺服系统的故障,一般可利用状态指示灯诊断法、数控系统报警显示的诊断法、系统诊断信号的检查法、原理分析法等等。FANUC伺服驱动系统与FANUC数控系统一样,是数控机床中使用最广泛的伺服驱动系统之一。从总体上说,FANUC伺服驱动系统可以分为直流驱动与交流驱动两大类。如前所述,直流驱动又有SCR速度控制单元与PWM速度控制单元两种形式;交流驱动分模拟式交流速度控制单元与数字式交流速度控制单元两种形式。在1985年以前生产的数控机床上,一般都采用直流伺服驱动,其配套的控制系统有FANUC的FS5、FS6、FS7系统等。随后生产的数控机床上,一般都采用交流伺服驱动,其配套的控制系统有FANUC的FS0、FSll、FSl5/16系统等。5.2.1FANUC直流伺服系统的故障诊断与维修直流伺服系统一般用于20世纪80年代中期以前生产的数控机床上,这些数控机床虽然距今已经有二十多年,但由于当时数控系统的价格十分昂贵,通常只有在高、精、尖设备中才采用数控,因此,其机床的刚性、可靠性等各方面性能通常都较好,即使在今天,很多设备还是作为企业的关键设备在使用中,故直流伺服系统的维修仍然是今天数控机床维修的重要内容。1.SCR速度控制单元的常见故障与维修SCR速度控制单元的主要故障与可能的原因,常见的有以下几种。(1)速度控制单元熔断器熔断造成速度控制单元熔断器烧断的原因有下述几种:1)机械故障造成负载过大。如:滑动面摩擦系数太大;齿轮啮合不良;工件干涉、碰撞;机械锁紧等。以上故障可通过测量电动机电流来判断确认。2)切削条件不合适。如:机床切削量过大,连续重切削等。第2页共19页第1页共19页编号:时间:2021年x月x日书山有路勤为径,学海无涯苦作舟页码:第2页共19页3)控制单元故障。如:控制单元的元器件损坏,控制板上设定端设定错误,电位器调整不当等。4)速度控制单元与电动机间的联接错误。如:速度负反馈被接成正反馈,使电动机飞车或使系统振荡。5)电动机选用不合适或电动机不良。如:因为直流电动机的退磁,造成需要过大的励磁电流,从而引起速度控制单元熔断器烧断。直流电动机去磁的检查方法如图5-9所示。通过测量图5-9上的电压表和电流表指示值,并按下式计算,可以判别电动机反电势常数足Ke是否正常,从而确定电动机是否退磁。式中V——测量的电压值(V):I——测量的电流值(A):Rm——电枢电阻(Ω);n——电动机转速(r/min)Ke——电动机反电动势系数(V/1000r/min)。若上式成立,则证明电动未退磁。不同型号的电动机,其电枢电阻和反电动势系数的值也是不相同的,对于常用的FANUC直流伺服电动机,它们的值可参考表5-1。表5-1达式电动机参数表第3页共19页第2页共19页编号:时间:2021年x月x日书山有路勤为径,学海无涯苦作舟页码:第3页共19页型号电枢电阻Rm/Ω反电动势系数Ke(V/1000r/min)型号电枢电阻Rm/Ω反电动势系数Ke(V/1000r/min)00.521200.257950.8142300.32120100.28566)相序不正确。SCR速度控制单元由于存在晶闸管触发脉冲与主电路的同步问题,因此对电源的输入有相序的要求。若相序不正确,则接通电源后将造成速度控制单元的输入熔断器的熔断。相序检查可以通过用相序表或示波器进行,如图5-10所示。用相序表测量时,在主回路与同步电源R、S、T连接一一对应的前提下,测量R、S、T的相序,当相序正确时,相序表应按顺时针方向旋转(如图5-10a)。第4页共19页第3页共19页编号:时间:2021年x月x日书山有路勤为径,学海无涯苦作舟页码:第4页共19页用示波器测量时,在主回路与同步电源R、S、T连接一一对应的前提下,双线示波器按照图5-10b连接,当UAB、UCB的波形为图5-10b所示时(两个波形在相位上相差120°),则表明相序正确。注意:在直流伺服驱动系统中,相序必须一一对应,因此不可以用观察交流电动机转向的方式,来检查相序。(2)状态指示灯显示的报警FANUC公司生产的SCR速度控制单元,在...

1、当您付费下载文档后,您只拥有了使用权限,并不意味着购买了版权,文档只能用于自身使用,不得用于其他商业用途(如 [转卖]进行直接盈利或[编辑后售卖]进行间接盈利)。
2、本站所有内容均由合作方或网友上传,本站不对文档的完整性、权威性及其观点立场正确性做任何保证或承诺!文档内容仅供研究参考,付费前请自行鉴别。
3、如文档内容存在违规,或者侵犯商业秘密、侵犯著作权等,请点击“违规举报”。

碎片内容

FANUC伺服系统的故障诊断与维修

您可能关注的文档

确认删除?
VIP
微信客服
  • 扫码咨询
会员Q群
  • 会员专属群点击这里加入QQ群
客服邮箱
回到顶部