电脑桌面
添加小米粒文库到电脑桌面
安装后可以在桌面快捷访问

三洋能源(苏州)有限公司仓库接建工程监理大纲VIP免费

三洋能源(苏州)有限公司仓库接建工程监理大纲_第1页
1/31
三洋能源(苏州)有限公司仓库接建工程监理大纲_第2页
2/31
三洋能源(苏州)有限公司仓库接建工程监理大纲_第3页
3/31
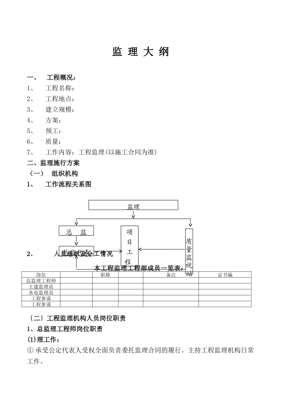
监理大纲一、工程概况:1、工程名称:2、工程地点:3、建立规模:4、方案:5、预工:6、质量:7、工作内容:工程监理(以施工合同为准)二、监理施行方案(一)组织机构1、工作流程关系图2、人员组织及分工情况本工程监理工程部成员一览表:岗位职称备注证书编总监理工程师土建监理员水电监理员工程参谋工程参谋〔二〕工程监理机构人员岗位职责1、总监理工程师岗位职责(1)理工作:①承受公定代表人受权全面负责委托监理合同的履行。主持工程监理机构日常工作。监理质量监视站总监总监代表项目工程②代表与设计、建立、承包及建立工程质量监视部门、理部门进展业务联络协调各方面的关系。a)组织、指导监理人员学习贯彻及地方发布的建立工程监理的政策、法、法规、、等。b)检查和监视监理人员的工作。对监理人员进展合理调配并对不称职的监理人员调换其工作。c)助建立工程工程施工工作及签订施工合同。(2)施工阶段监理工作:a)施工准备阶段监理工作:确定工程监理机构人员分工和岗位职责;主持编写工程?监理规划?、审批工程?监理施行细那么?;组织专业监理工程师审核设计、施工图纸参加设计技术交底会和图纸会审书面提出和建议;审批承包编制的?工程理规划或施工组织设计〔方案〕?;审查确认承包现场工程理机构的质量理体系、技术理体系和质量保证体系;签认承包报送的“分包资格报审表〞和有关资质资料;签发“工程开工报审表〔表A1〕〞及相关资料;组织工程监理机构人员参加第一次工地会议负责起草第一次?工地?并与各方代表会签;b)施工阶段监理工作:主持召开定和不定工地例会组织起草??和有关并与各方代表会签;审核签认承包对已批准的施工组织设计进展调整、补充和变更;组织安排监理人员对施工过程进展巡视和检查;签认承包报送的分部工程和工程质量验评资料;签署?工程暂停〔表B8〕?和?工程复工报审表〔表A6〕?;责承包报送?质量事故调查?及相关认可的?处理方案?。组织监理人员对质量事故的处理过程和进展跟踪检查和处理结果验收。并向建立提交有关质量事故的书面;审查“工程量〞和?工程款支付申请表〔表A4.3〕?签署?工程款支付证书〔表B8〕?;审查“工程开工结算报表〞签署最终?工程款支付证书〔表B8〕?;组织监理人员进展工程工程造价目的风险分析制定防范性对策;审查承包报审的“施工进度总方案〞和“年、季、月度施工进度方案〞及“工程进度方案报审表〔表A2.1〕〞并签署审核;审定专业监理工程编制的?进度控制方案?;定向建立工程进度和采取进度控制措施。并协调影响进度的关系;组织监理人员对工程质量进展开工验收签署“工程开工报验单〞组织编写?工程质量评估?并与监理技术负责人共同签字;汇同验收各方签署“开工验收〞;负责处理因工程暂停引起的与工、费用等有关问题;组织监理人员对有关提交的工程变更进展审查对工程变更的费用和工作出评估签发“工程变更单〞;组织监理人员搜集索赔资料协调建立和承包提出的索赔要求审查承包提交的?工程费用索赔申请表?和建立提交的?索赔?签署的工程费用索赔处理;审定承包提交的?工程〔临时〕延报审表?或?工程〔最终〕延报审表?签署审定;调解建立和承包发生的合同争议或地向仲裁和人民提供与争议有关的证据;协调处理合同解除的有关事宜;Ⅱ、总监理工程师审查的监理资料“监理日记〞〔表B7〕Ⅲ、由总监理工程师直接签发的资料“工程暂停〞〔表B1〕监视、检查施工现场的平安防护及文明施工:Ⅰ、工程质量保修的监理工作:协助建立与承包签订保修合同;组织监理人员对建立提出的工程质量缺陷进展检查和记录;组织监理人员对承包修复的工程质量进展验收合格后予以签认;组织监理人员对工程质量缺陷进展调查分析并确定责任归属;核实修复工程的费用签署工程款支付证书;Ⅱ、对监理过程生的重大技术问题及时向总工程师和提交技术会审议。2、总监理工程师代表岗位职责(1)在总监理工程师直接指导下开展工作。(2)负责总监理工程师指定或交办的监理机构行政理工作。(3)按总监理工程师受权行使总监理工程师部分职责和权利但总监理工程师不得将以下工作委托总监...

1、当您付费下载文档后,您只拥有了使用权限,并不意味着购买了版权,文档只能用于自身使用,不得用于其他商业用途(如 [转卖]进行直接盈利或[编辑后售卖]进行间接盈利)。
2、本站所有内容均由合作方或网友上传,本站不对文档的完整性、权威性及其观点立场正确性做任何保证或承诺!文档内容仅供研究参考,付费前请自行鉴别。
3、如文档内容存在违规,或者侵犯商业秘密、侵犯著作权等,请点击“违规举报”。

碎片内容

三洋能源(苏州)有限公司仓库接建工程监理大纲

您可能关注的文档

墨香书阁+ 关注
实名认证
内容提供者

热爱教学事业,对互联网知识分享很感兴趣

相关文档

确认删除?
VIP
微信客服
  • 扫码咨询
会员Q群
  • 会员专属群点击这里加入QQ群
客服邮箱
回到顶部