电脑桌面
添加小米粒文库到电脑桌面
安装后可以在桌面快捷访问

住宅及商业综合开发项目地下防水工程质量监理细则VIP免费

住宅及商业综合开发项目地下防水工程质量监理细则_第1页
1/7
住宅及商业综合开发项目地下防水工程质量监理细则_第2页
2/7
住宅及商业综合开发项目地下防水工程质量监理细则_第3页
3/7
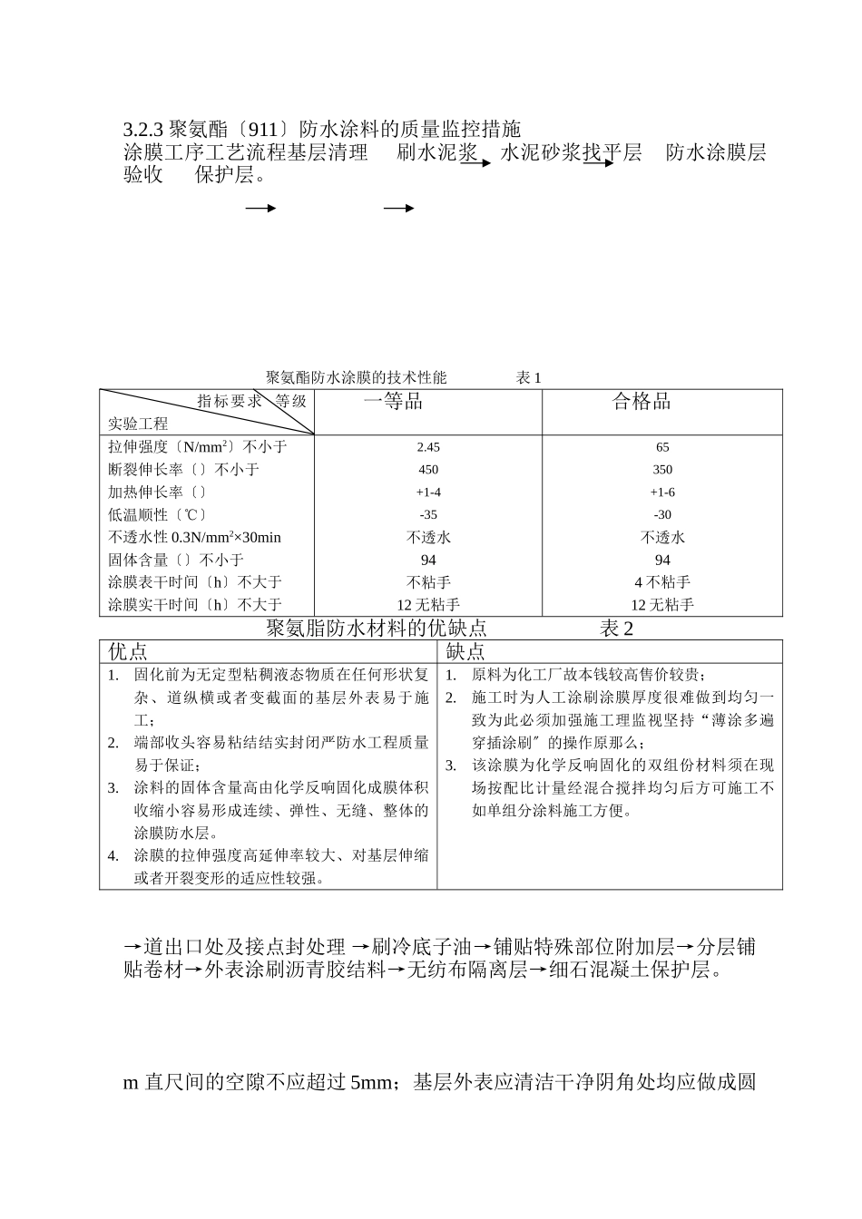
b地下防水工程质量监理细那么一、工程概况:天河东路商业综合开发工程建筑面积106012㎡为框支剪力墙构造两层地下室〔地下室建筑面积约25000㎡〕底板侧壁顶板防水面积合计约20000㎡均在迎水面施工。二、设计要求:本工程防水等级为一级根据构造特点及使用要求进展了多道防水设防构造设计刚柔并用使其共同组合成一个质量可靠的防水系统。2.1地下室底板侧壁顶板均用C30S8混凝土构造自防水;2.2底板及侧壁均采用3mm厚911防水涂料。底板防水保护层为40mm厚C20细石混凝土;侧壁保护层为20mm1:2.5水泥砂浆外砌120厚砖墙保护层。三、防水工程质量及监理要点3.1混凝土构造自防水:地下室底板施工准备混凝土层防水层保护层刚性防水层钢筋绑扎验收隐蔽。地下室侧墙施工准备钢筋绑扎安装止水钢板及穿墙构件钢筋验收模板安装验收隐蔽。砂、石外加剂等原材料要有检验合格碎石粒径除考虑满足可泵性要求以外不应≦20mm以上。审查混凝土施工配合比是否符合混凝土设计配合比其强度等级与抗渗等级能否到达设计要求。通过试验确定的施工配合比其抗渗等级应比设计要求进步一级〔0.2Mpa〕。cm以下并且基坑内不得有积水。严禁带水或带泥浆进展地下防水工程施工。预埋件应去除铁锈和焊渣埋件应焊止水板并固定结实不动。d;对防水混凝土的强度等级有疑心时可进展非破损检测。3.2防水工程施工监理程序3.2.3聚氨酯〔911〕防水涂料的质量监控措施涂膜工序工艺流程基层清理刷水泥浆水泥砂浆找平层防水涂膜层验收保护层。聚氨酯防水涂膜的技术性能表1指标要求等级实验工程一等品合格品拉伸强度〔N/mm2〕不小于断裂伸长率〔〕不小于加热伸长率〔〕低温顺性〔℃〕不透水性0.3N/mm2×30min固体含量〔〕不小于涂膜表干时间〔h〕不大于涂膜实干时间〔h〕不大于2.45450+1-4-35不透水94不粘手12无粘手65350+1-6-30不透水944不粘手12无粘手聚氨脂防水材料的优缺点表2优点缺点1.固化前为无定型粘稠液态物质在任何形状复杂、道纵横或者变截面的基层外表易于施工;2.端部收头容易粘结结实封闭严防水工程质量易于保证;3.涂料的固体含量高由化学反响固化成膜体积收缩小容易形成连续、弹性、无缝、整体的涂膜防水层。4.涂膜的拉伸强度高延伸率较大、对基层伸缩或者开裂变形的适应性较强。1.原料为化工厂故本钱较高售价较贵;2.施工时为人工涂刷涂膜厚度很难做到均匀一致为此必须加强施工理监视坚持“薄涂多遍穿插涂刷〞的操作原那么;3.该涂膜为化学反响固化的双组份材料须在现场按配比计量经混合搅拌均匀后方可施工不如单组分涂料施工方便。→道出口处及接点封处理→刷冷底子油→铺贴特殊部位附加层→分层铺贴卷材→外表涂刷沥青胶结料→无纺布隔离层→细石混凝土保护层。m直尺间的空隙不应超过5mm;基层外表应清洁干净阴角处均应做成圆弧形或钝角。→基层外表清理→基层充分潮湿→设置场饼和标筋→再次充分潮湿→分层铺抹→分层赶平→修整外表压光→养护。水泥标不低于32.5普硅水泥或膨胀水泥外加剂用氧化物金属盐类防水剂、膨胀剂、减水剂等;砂应采用中砂粒径3mm以下;水应不含有害物质的干净水;聚合物乳液无颗粒。异物和凝固物;外加剂的技术性能应符合或行业一等品或以上的质量要求。表3防水砼工程质量监理汇总主要工程质量允许误差检验及认可检验频率检验认可程序施工组织设计或施工技术方案设计要求和施工验收的规定审核…..审核检验施工和确保工程质量的技术措施监理工程师认可后才能进展施工定位放线轴线线、标高设计要求和施工验收的规定审核……复查尺量和水准仪查验收纪录原材料、外加剂、配合比设计要求和参照混凝土分项工程的有关局部所述质量…….经常检查观察查材料出场合格证和试验、配合比单表4卷材防水层工程质量监理汇总主要工程质量允许误差检验及认可检验频率检验认可程序钢筋、模板及预埋件安装设计要求和参照钢筋、模板等分项工程的有关质量参照钢筋、模板等分项工程的有关规定得到监理工程师书面的认可后才能进展下一道工序施工现浇混凝土质量设计要求和参照现浇混凝土构造分项工程的有关质量参照浇混凝土构造分项工程的有关规定每100M2抽查1处但不少于3处参照现浇混凝土构造分项工程的有关规定得...

1、当您付费下载文档后,您只拥有了使用权限,并不意味着购买了版权,文档只能用于自身使用,不得用于其他商业用途(如 [转卖]进行直接盈利或[编辑后售卖]进行间接盈利)。
2、本站所有内容均由合作方或网友上传,本站不对文档的完整性、权威性及其观点立场正确性做任何保证或承诺!文档内容仅供研究参考,付费前请自行鉴别。
3、如文档内容存在违规,或者侵犯商业秘密、侵犯著作权等,请点击“违规举报”。

碎片内容

住宅及商业综合开发项目地下防水工程质量监理细则

您可能关注的文档

确认删除?
VIP
微信客服
  • 扫码咨询
会员Q群
  • 会员专属群点击这里加入QQ群
客服邮箱
回到顶部