电脑桌面
添加小米粒文库到电脑桌面
安装后可以在桌面快捷访问

供应商评估表汇编VIP免费

供应商评估表汇编_第1页
1/11
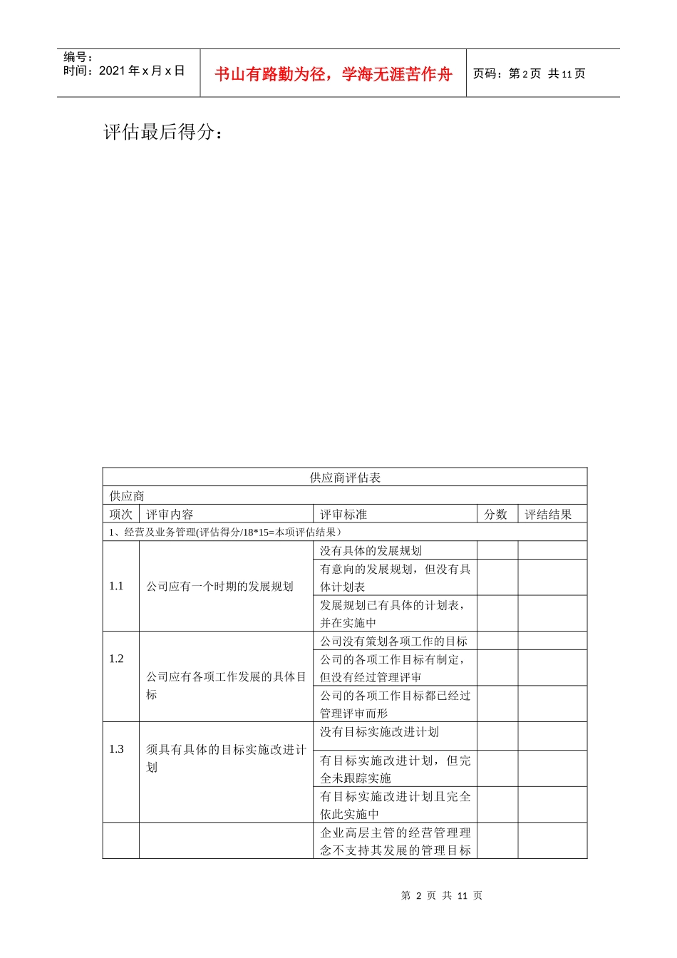
供应商评估表汇编_第2页
2/11
供应商评估表汇编_第3页
3/11
第1页共11页编号:时间:2021年x月x日书山有路勤为径,学海无涯苦作舟页码:第1页共11页供应商评估表供应商名称:供应商地址:第2页共11页第1页共11页编号:时间:2021年x月x日书山有路勤为径,学海无涯苦作舟页码:第2页共11页评估最后得分:供应商评估表供应商项次评审内容评审标准分数评结结果1、经营及业务管理(评估得分/18*15=本项评估结果)1.1公司应有一个时期的发展规划没有具体的发展规划有意向的发展规划,但没有具体计划表发展规划已有具体的计划表,并在实施中1.2公司应有各项工作发展的具体目标公司没有策划各项工作的目标公司的各项工作目标有制定,但没有经过管理评审公司的各项工作目标都已经过管理评审而形1.3须具有具体的目标实施改进计划没有目标实施改进计划有目标实施改进计划,但完全未跟踪实施有目标实施改进计划且完全依此实施中企业高层主管的经营管理理念不支持其发展的管理目标第3页共11页第2页共11页编号:时间:2021年x月x日书山有路勤为径,学海无涯苦作舟页码:第3页共11页1.4企业高层主管的经营管理理念应适合企业发展需求,没有改进的意愿企业高层主管的经营管理理念基本支持其发展管理目标的需求,但对于改进的意愿并不完全支持。企业高层主管的经营管理理念完全支持其发展管理目标的需求,且推进改进的意愿适合企业发展。1.5企业应重视人才资源,且统计人员的稳定性,并施改进企业对人才的重视不够,不统计人员的稳定性企业重视人才资源,但人员的稳定性统计不够完善1企业充分利用人员的移稳定性统计结果,并实施改进,以重视人才资源1.6公司在接到客户订单时,应经过评审来确定是否接受客户订单接到订单不经过评审,也不反馈是否接受订单意见给客户订单经过评审,但评审结果并没有及时反馈给客户客户订单经过评审,且评审的结果及时反馈给客户,保持与客户的沟通1.7客户订单是需要经过资材、生产、品质、技术等相关部门的评审,以确定公司是否具备生产订单能力订单未经过评审或只是业务部门确认订单经过其中部分部门评审,但不全面,难以确保评审的全面性订单都经过相关部门评审,并且依据评审的结果处理订单1.8公司具有专职的部门及多种与客户沟通的方法以保证与客户之间的沟通及时性没有专职的客户服务部门,且与客户沟通、联系的方式、方法单一设有专职的客户服务部门,具有多种方式与客户的沟通联系,但资源尚不充足,难以保证沟通的及时性设有专职的客户服务部门,资源充足,以多种方式保持与客户沟通以保证及时的将双方信息互换第4页共11页第3页共11页编号:时间:2021年x月x日书山有路勤为径,学海无涯苦作舟页码:第4页共11页1.9公司应编写一份完整的公司简介,简介内容应包括公司的基本情况(名称、地点、法人代表、注册资金、经营范围、厂房面积、成立时间等信息)、公司平面识意图、地理位置简图、公司组织架构、公司的主要机器设备、公司的人员分布情况、主要的检验仪器、公司的主要计划、公司的主要客户群等资料,以便让评审人员快速了解没有公司简介有公司简介,但简介内容过于简单,无法使评审人员从中获取必要的信息公司简介内容基本能使评审人员快速掌握企业信息2、品质管理(评估得分/44*40=本项评估结果)2.1公司有一套品质保证体系,且按照相关要求执行未计划实施ISO9000等品质保证系统,无构想0已引进相关系统,但还未认证或执行不完整1已通过相关系统认证,且在维护该系统,系统执行情况良好22.2公司的管理组织架构应明确,且职责区分清晰,被员工所知晓、理解未制定明确的公司组织架构,各岗位职责没有明文规定区分,员工不了解公司组织情况公司的组织架构明确,岗位职责区分有相关文件规定,但员工并不完全清楚公司的组织或未完全让员工知晓公司的各职能组织架构都完全明确且有书面规定岗位职责,并能让员工及时获得相关信息公司的各种文件、资料管第5页共11页第4页共11页编号:时间:2021年x月x日书山有路勤为径,学海无涯苦作舟页码:第5页共11页2.3公司的各项文件、记录应完整,且被有效管理理混乱,没有清单或文件、资料丢失严重0公司有对文件、资料进行管理,但分类不清楚或未及时更新文件资料1文件及资料管理依...

1、当您付费下载文档后,您只拥有了使用权限,并不意味着购买了版权,文档只能用于自身使用,不得用于其他商业用途(如 [转卖]进行直接盈利或[编辑后售卖]进行间接盈利)。
2、本站所有内容均由合作方或网友上传,本站不对文档的完整性、权威性及其观点立场正确性做任何保证或承诺!文档内容仅供研究参考,付费前请自行鉴别。
3、如文档内容存在违规,或者侵犯商业秘密、侵犯著作权等,请点击“违规举报”。

碎片内容

供应商评估表汇编

确认删除?
VIP
微信客服
  • 扫码咨询
会员Q群
  • 会员专属群点击这里加入QQ群
客服邮箱
回到顶部