电脑桌面
添加小米粒文库到电脑桌面
安装后可以在桌面快捷访问

一般砖砌筑工程技术交底VIP免费

一般砖砌筑工程技术交底_第1页
1/2
一般砖砌筑工程技术交底_第2页
2/2
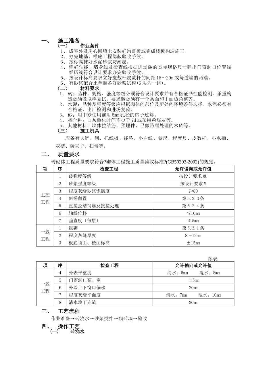
一、施工准备(一)作业条件1、成室外及房心回填土安装好沟盖板或完成楼板构造施工。2、办完地基、根底工程隐蔽验收手续。3、按标高抹好水泥砂浆防潮层。4、弹好轴线、墙身线及检查线根据进场砖的实际规格尺寸弹出门窗洞口位置线经历线符合设计要求办完验收手续。5、按设计标高要求立好皮数杆皮数杆的间距15~20m或每道墙的两端。6、有砂浆配合比单准备好砂浆试模(6块为一组)。(二)材料要求1、砖:品种、规格、强度等级必须符合设计要求并有合格证书性能检测。承重构造必须做取样复试。要求砖必须有一个条面和丁面边角整齐。2、水泥:品种及强度等级应根据砌体的部位及所处的环境条件选择。水泥必须有合格证、出厂检测和进场复验。3、砂:用中砂使用前用5mm孔径的筛子过筛。4、掺合料:白灰熟化时间不少于7d或采用粉煤灰等。5、其他材料:墙体拉结筋、预埋件、已做防腐处理的木砖等。(三)施工机具应备有大铲、刨、托线板、线坠、小白线、卷尺、程度尺、皮数杆、小水捅、灰槽、砖夹子、扫帚等。二、质量要求砖砌体工程质量要求符合?砌体工程施工质量验收标准?(GB50203-2002)的规定。项序检查工程允许偏向或允许值主控工程1砖强度等级按设计要求MU2砂浆强度等级按设计要求M3程度灰缝砂浆饱满度≥804斜搓留置第5.2.3条5直搓拉结钢筋及接搓处理第5.2.4条6轴线位移≤10mm7垂直度〔每层〕≤5mm一般工程1组砌第5.3.1条2程度灰缝厚度8~12mm3根底顶面、楼面标高±15mm续表项序检查工程允许偏向或允许值一般工程4外表平整度清水:5mm混水:8mm5门窗洞口高、宽±5mm6外墙上下窗口偏移20mm7程度灰缝平面度清水:7mm混水:10mm8清水墙丁走缝20mm三、工艺流程作业准备→砖浇水→砂浆搅拌→砌砖墙→验收四、操作工艺(一)砖浇水砌体用砖必须在砌筑前一天浇水潮湿一般以水浸入砖四边1.5cm为宜含水率为10~15常温施工不得用干砖上墙;雨不得使用含水率达饱和状态的砖砌墙;冬拎不得浇水可适当增大砂浆稠度。(二)砂浆搅拌砂浆配合比采用重量比计量精度水泥为±2砂、灰膏控制在±5以内机械搅拌时搅拌时间不得少于2min;参加粉煤灰或外加剂搅拌不少于3min;掺用有机塑化剂的砂浆搅拌3~5min。(三)砌砖墙1、组砌:砌体一般采用一顺一丁砌法。砖柱不得采用先砌四周后填心的包心砌法。2、排砖撂底:一般外墙第一层砖撂底时两山墙排丁砖前后檐纵墙排条砖。根据弹好的门窗口位置线及构造柱的尺寸认真核对窗间墙、垛尺寸其长度是否符合排砖模数如不符合模数时可将门窗口的位置左右挪动。假设留破活七分头或丁砖排在窗口中间、附墙垛或其他不明显的部位。挪动门窗口位置时应注意暖卫立及门窗开启时不受影响。另外在排砖时还要考虑在门窗口上边的砖墙合拢时也不出现破活。所以排砖时必须全盘考虑。前后檐墙排第一皮砖时要考虑甩窗日后砌条砖窗角上必须是七分头才是好活。3、选砖:外墙砖要棱角整齐无弯曲、裂纹颜色均匀规格根本一致。敲击时声音响亮、焙烧过火变色、变形的砖可用在根底或不影响外观的内墙上。4、盘角:砌砖前应先盘好角每次盘角不要超过五层新盘的大角及时进展吊、靠。如有偏向及时修整。盘角时要仔细对照皮数杆的砖层和标高控制好灰缝大小使程度缝均匀一致。大角盘好后再复查一次平整和垂直完全符合要求后再挂线砌墙。5、挂线:砌筑37墙必须挂双线假如长墙几个人共使用一根通线中间应设几个支点小线要拉紧每层砖都要穿线看平使程度缝均匀一致平直通顺;砌24墙时可采用挂外手单线(视砖外观质量要求情况假如质量好要求高也可挂双线进步砌砖质量。)可照顾砖墙两面平整为下道工序控制抹灰厚度奠定根底。6、砌砖:砌砖采用一铲灰、一块砖、一挤揉的“三一〞砌砖法。砌砖时砖要放平。里手高墙面就要张;里手低墙面就要背。砌砖一定要跟线“上跟线下跟棱左右相邻要对平〞砌筑砂浆要随搅拌随使用一般水泥砂浆必须在3h内使完混合砂浆必须在4h内用完。7、留搓:砖混构造施工缝一般留在构造柱处。一般情况下砖墙上不留直搓。假如不能留斜搓时可留直磋但必须砌成凸磋并应加设拉结筋。拉结筋的数量为每120mm墙厚设一根ф6的钢筋间距沿墙高不得超过500mm。其埋入长度从墙的留磋处算起一般每边均不小于500...

1、当您付费下载文档后,您只拥有了使用权限,并不意味着购买了版权,文档只能用于自身使用,不得用于其他商业用途(如 [转卖]进行直接盈利或[编辑后售卖]进行间接盈利)。
2、本站所有内容均由合作方或网友上传,本站不对文档的完整性、权威性及其观点立场正确性做任何保证或承诺!文档内容仅供研究参考,付费前请自行鉴别。
3、如文档内容存在违规,或者侵犯商业秘密、侵犯著作权等,请点击“违规举报”。

碎片内容

一般砖砌筑工程技术交底

您可能关注的文档

确认删除?
VIP
微信客服
  • 扫码咨询
会员Q群
  • 会员专属群点击这里加入QQ群
客服邮箱
回到顶部