电脑桌面
添加小米粒文库到电脑桌面
安装后可以在桌面快捷访问

公路工程质量管理行为督查内容及评分表VIP免费

公路工程质量管理行为督查内容及评分表_第1页
1/11
公路工程质量管理行为督查内容及评分表_第2页
2/11
公路工程质量管理行为督查内容及评分表_第3页
3/11
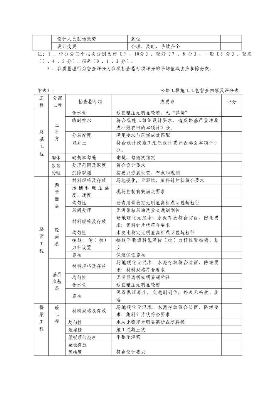
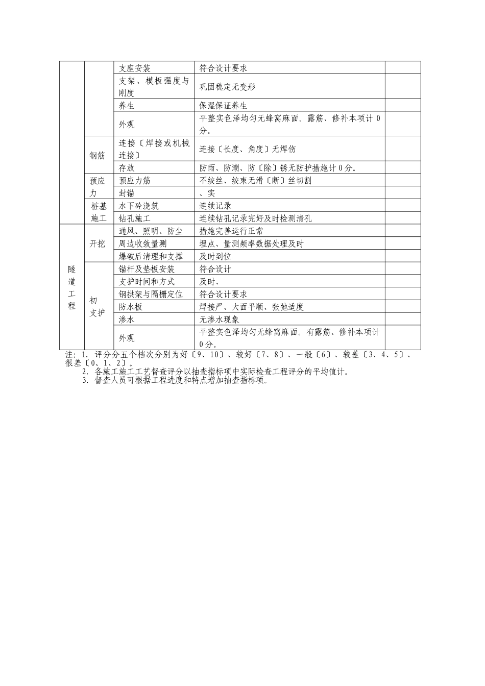
附表1:公路工程质量理行为督查内容及评分表督查内容抽查指标项或要求评分建立质量监视手续及时、完善施工答应手续及时、完善质量理目的、制度和措施目的明确详细制度和措施健全有针对性和可操作性且落实到位。分包及劳务理理制度健全落实到位施工工控制、合理施工、监理重要人员调整手续齐全变更理支付理及时质量问题、质量事故及重大隐患处理有制度且处理及时到位对有关检查整改落实情况及时到位扣分无针对性措施压缩工扣2分施工工程经理、总工、质检负责人、试验室主任到位及持证情况均符合合同或要求质量理制度和措施完善有针对性和可操作性且落实到位。分包及劳务理理制度健全落实到位施工组织设计有针对性、操作性、合理性及批施工技术交底及时、全面质量检查及整改落实情况按要求检查及时整改落实试验室理符合合同要求,人员到位、设备齐全理质量、理完好、、落实到位文明施工现场整洁环保扣分资料虚假扣2分人员资格虚假扣2分监理监理施行细那么、监理方案完善、有针对性监理工程师资格、到位符合合同要求及时岗位登记试验室理符合合同要求,人员到位、设备齐全理试验、配合比设计验证审批及时、资料齐全中间交工验收及质量评定及时抽检及时旁站、巡视到位、记录齐全准确日志记录记录、人手一册、每日连续质量监理指指闭合扣分资料虚假扣3分人员资格虚假扣3分设计设计交底及时、全面设计人员驻场效劳到位设计变更合理、及时、手续齐全注:1.评分分五个档次分别为好〔9、10分〕、较好〔7、8分〕、一般〔6分〕、较差〔3、4、5分〕、很差〔0、1、2分〕。2.各质量理行为督查评分为各项抽查指标项评分的平均值减去应扣除分数。附表2:公路工程施工工艺督查内容及评分表工程分部工程抽查指标项或要求评分路基工程土石方含水量适宜碾压无明显轮迹、无“弹簧〞临时排水符合或施工组织设计要求。造成路基严重冲刷或冲毁农田的本项计0分。分层厚度满足要求与压实成效匹配取弃土符合设计或施工组织设计要求否那么本项计0分。砌体砌筑和勾缝砌筑、勾缝实结实软基处理处理范围及深度符合设计要求沉降观测按要求进展设置、布点和观测路面工程沥青面层材料规格及存放场地硬化,无混堆;集料针片状符合要求摊铺和碾压温度、速度现场控制有效满足要求均匀性沥青用量稳定无明显离析或明显超粒径层间处理无污染粘层油适量交通制到位砼面层材料规格及存放场地硬化无混堆;水泥存放符合防雨、防潮要求;集料针片状符合要求均匀性水灰比稳定无明显离析或明显超粒径接缝、传(拉)力杆设置接缝平顺填料饱满传〔拉〕力杆位置准确、结实养生保湿保证养生基层底基层材料规格及存放场地硬化无混堆;水泥存放符合防雨、防潮要求;材料规格符合要求均匀性无明显离析或明显超粒径含水量适宜碾压无明显轮迹养生保湿保证养生;交通制到位;外表无松散、剥落桥梁工程砼工程材料规格及存放场地硬化无混堆;水泥存放符合防雨、防潮要求;集料针片状符合要求均匀性水灰比稳定无明显离析或超料径湿接缝施工混凝土实梁板顶部浇注平整无浮浆梁板存放预拱度符合设计要求支座安装符合设计要求支架、模板强度与刚度巩固稳定无变形养生保湿保证养生外观平整实色泽均匀无蜂窝麻面。露筋、修补本项计0分。钢筋连接〔焊接或机械连接〕连接〔长度、角度〕无焊伤存放防雨、防潮、防〔除〕锈无防护措施计0分。预应力预应力筋不绞丝、绞束无滑〔断〕丝切割封锚、实桩基施工水下砼浇筑连续记录钻孔施工连续钻孔记录完好及时检测清孔隧道工程开挖通风、照明、防尘措施完善运行正常周边收敛量测埋点、量测频率数据处理及时爆破后清理和支撑及时到位初支护锚杆及垫板安装符合设计支护时间和方式及时、钢拱架与隔栅定位符合设计要求防水板焊接严、大面平顺、张弛适度渗水无渗水现象外观平整实色泽均匀无蜂窝麻面。有露筋、修补本项计0分。注:1.评分分五个档次分别为好〔9、10〕、较好〔7、8〕、一般〔6〕、较差〔3、4、5〕、很差〔0、1、2〕。2.各施工施工工艺督查评分以抽查指标项中实际检查工程评分的平均值计。3.督查人员可根据工程进度和特点增加抽查指标项。附表3:公路工程实体质量督查内容及评分表工程分部工程抽查指标项和评...

1、当您付费下载文档后,您只拥有了使用权限,并不意味着购买了版权,文档只能用于自身使用,不得用于其他商业用途(如 [转卖]进行直接盈利或[编辑后售卖]进行间接盈利)。
2、本站所有内容均由合作方或网友上传,本站不对文档的完整性、权威性及其观点立场正确性做任何保证或承诺!文档内容仅供研究参考,付费前请自行鉴别。
3、如文档内容存在违规,或者侵犯商业秘密、侵犯著作权等,请点击“违规举报”。

碎片内容

公路工程质量管理行为督查内容及评分表

您可能关注的文档

确认删除?
VIP
微信客服
  • 扫码咨询
会员Q群
  • 会员专属群点击这里加入QQ群
客服邮箱
回到顶部