电脑桌面
添加小米粒文库到电脑桌面
安装后可以在桌面快捷访问

丽攀高速公路桥梁监理实施细则VIP免费

丽攀高速公路桥梁监理实施细则_第1页
1/39
丽攀高速公路桥梁监理实施细则_第2页
2/39
丽攀高速公路桥梁监理实施细则_第3页
3/39
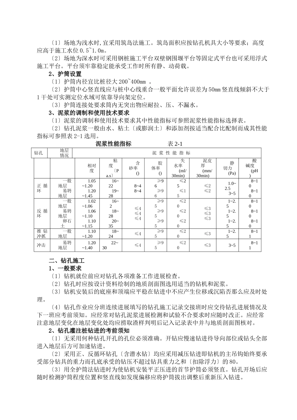
丽攀高速公路桥梁监理施行细那么北京中通公路桥梁工程咨询开展丽攀高速公路JL1总监办二0一0年一月第二章桥梁工程监理施行细那么第一节钻孔灌注桩根底施工监理一、钻孔灌注桩1、施工平台〔1〕场地为浅水时,宜采用筑岛法施工。筑岛面积应按钻孔机具大小等要求;高度应高于施工水位0.5~1.0m。〔2〕场地为深水时可采用钢桩施工平台双壁钢围堰平台等固定式平台也可采用浮式施工平台。平台须牢靠稳定能承受工作时所有静、动荷载。2、护筒设置〔1〕护筒内径宜比桩径大200~400mm。〔2〕护筒中心竖直线应与桩中心线重合一般平面允许误差为50mm竖直线倾斜不大于1干处可实测定位水域可依靠导向架定位。〔3〕护筒连接处要求筒内无突出物应耐拉、压、不漏水。3、泥浆的调制和使用技术要求〔1〕泥浆的调制和使用技术要求其中性能指标可参照泥浆性能指标选择表。〔2〕钻孔泥浆一般由水、粘土〔或膨润土〕和添加剂按适当配合比配制而成其性能指标可参照表2-1选用。泥浆性能指标表2-1二、钻孔施工1、一般要求〔1〕钻机就位前应对钻孔各项准备工作进展检查。〔2〕钻孔时应按设计资料绘制的地质剖面图选用适当的钻机和泥浆。〔3〕钻机安装后的底座和顶端应平稳在钻进中不应产生位移或沉陷否那么应及时处理。〔4〕钻孔作业应分班连续进展填写的钻孔施工记录交接班时应交待钻孔进展情况及下一班应考前须知。应经常对钻孔泥浆进展检测和试验不合要求时应随时改正。应经常注意地层变化在地层变化处均应捞取渣样判明后记入记录表中并与地质剖面图核对。2、钻孔灌注桩钻进的考前须知〔1〕无采用何种钻孔开孔的孔位必须准确。开钻应慢速钻进待导向部位或钻头全部进入地层后方可加速钻进。〔2〕采用正、反循环钻孔〔含潜水钻〕均应采用减压钻进即钻机的主吊钩始终要承受部分钻具的重力而孔底承受的钻压不超过钻具重力之和〔扣除浮力〕的80。〔3〕用全护筒法钻进时为使钻机安装平正压进的首节护筒必须竖直。钻孔开场后应随时检测护筒程度位置和竖直线如发现偏移应将护筒拔出调整后重新压入钻进。钻孔地层情况泥浆性能指标相对度粘度〔Pa.s〕含砂率()胶体率()失水率(ml/30min)泥皮厚(mm/30min)静切力(Pa)酸碱度(pH)正循环一般地层易坍地层1.05~1.201.20~1.4516~2219~288~48~4≥96≥96≤25≤15≤2≤21.0~2.53~58~108~10反循环一般地层易坍地层卵石土1.02~1.061.06~1.101.10~1.1516~218~2820~35≤4≤4≤4≥95≥95≥95≤20≤20≤20≤3≤3≤31~2.51~2.51~2.58~108~108~10推钻冲抓一般地层1.10~1.2018~24≤4≥95≤20≤31~2.58~11冲击易坍地层1.20~1.4022~30≤4≥95≤20≤33~58~11〔4〕在钻孔排渣、提钻头除土或因故停钻时应保持孔内具有规定的水位和要求的泥浆相对度和粘度。处理孔内事故或因故停钻必须将钻头提出孔外。三、清孔1、清孔要求〔1〕清孔要求符合钻孔成孔质量表。〔2〕清孔应根据设计要求、钻孔、机具设备条件和地层情况。〔3〕在吊入钢筋骨架后灌注水下混凝土之前应再次检查孔内泥浆性能指标和孔底沉淀厚度如超过规定应进展第二次清孔符合要求前方可灌注水下混凝土。2、清孔时考前须知〔1〕清孔有换浆、抽浆、掏渣、空压机喷射、砂浆置换等可根据详细情况选择使用。〔2〕不采用何种清孔在清孔排渣时必须注意保持孔内水头防止坍孔。〔3〕无采用何种清孔清孔后应从孔底提出泥浆试样进展性能指标试验。四、灌注水下砼1、钢筋骨架的制作、运输和吊装就位〔1〕长桩骨架宜分段制作分段长度应根据吊装条件确定应确保不变形接头应错开。〔2〕应在骨架外侧设置控制保护层厚度的垫块其间距竖向为2m横向圆周不得少于4处。骨架顶端应设置吊环。〔3〕骨架入孔一般用吊机无吊机时可采用钻机钻架、灌注塔架。起吊应按骨架长度的编入孔。〔4〕钢筋骨架的制作和吊放的允许偏向为:主筋间距±10mm;箍筋间距±20mm;骨架外径±10mm;骨架倾斜度±0.5;骨架保护层厚度±20mm;骨架中心平面位置20mm;骨架顶端高程±20mm骨架底面高程±50mm。2、灌注水下砼时应装备主要设备和备用设备。〔1〕灌注水下混凝土的搅拌机才能应能满足桩孔在规定时间内灌注完毕。灌注时间不得长于首批混凝土初凝时间。假设估计灌注时间长于首批混凝...

1、当您付费下载文档后,您只拥有了使用权限,并不意味着购买了版权,文档只能用于自身使用,不得用于其他商业用途(如 [转卖]进行直接盈利或[编辑后售卖]进行间接盈利)。
2、本站所有内容均由合作方或网友上传,本站不对文档的完整性、权威性及其观点立场正确性做任何保证或承诺!文档内容仅供研究参考,付费前请自行鉴别。
3、如文档内容存在违规,或者侵犯商业秘密、侵犯著作权等,请点击“违规举报”。

碎片内容

丽攀高速公路桥梁监理实施细则

您可能关注的文档

确认删除?
VIP
微信客服
  • 扫码咨询
会员Q群
  • 会员专属群点击这里加入QQ群
客服邮箱
回到顶部