电脑桌面
添加小米粒文库到电脑桌面
安装后可以在桌面快捷访问

地下模板施工技术交底VIP免费

地下模板施工技术交底_第1页
1/14
地下模板施工技术交底_第2页
2/14
地下模板施工技术交底_第3页
3/14
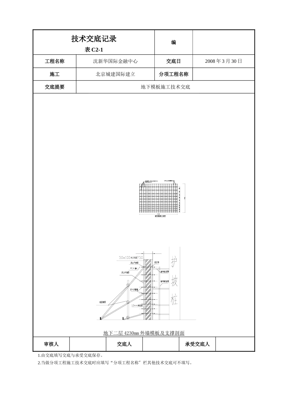
技术交底记录表C2-1编工程名称沈新华国际金融中心交底日2008年3月30日施工北京城建国际建立分项工程名称交底提要地下模板施工技术交底交底内容:1.施工准备1.1机具准备1.1.1运输工具:塔吊1.1.2其它机具:圆盘锯、平刨、电刨、空压机、水准仪、吸尘器、激光垂准仪、锤子、斧头、电钻、活动扳子、手锯、程度尺、线坠、撬棍。1.2材料准备1.2.1主要材料:12mm和15mm厚多层板、穿墙螺栓M14、山型件及螺帽、Φ48×3.5无缝钢、直角扣件、对接扣件、旋转扣件、50mm×100mm方木、100mm×100mm方木、10#槽钢、碗扣立杆、碗扣横杆、可调顶托、海绵条、灰砂砖。1.2.2材料要求:地下室模板采用12mm和15mm厚多层板12mm厚多层板:用于墙体、梁、顶板、门窗洞口、楼梯等部位。15mm厚多层板:用于框架柱、电梯井。1.2.3脱模剂:水性脱模剂1.3作业条件1.3.1已弹好模板位置线、门窗洞口位置线、标高线、控制线。1.3.2完成施工缝剔凿,并清理干净。1.3.3完成钢筋隐检、水电线、预留等工作。1.3.4墙体和柱子模板下口做好水泥砂浆找平层地锚已埋好。1.3.5第二次使用的多层板已完成脱模模剂涂刷工作。2.施工工艺2.1模板加工2.1.1模板加工要求:柱、梁的模板加工必须满足截面尺寸尺寸过大的模板需进展刨边否那么制止使用。次龙骨必须双面刨光主龙骨至少要单面刨光。翘曲、变形的方木不得作为龙骨使用。2.1.2模板加工的理与验收2.1.2.1每批多层板进场前技术、质量、材料理人员按材料及检测对材料进展验收。2.1.2.2所有100mm高方木进场后均应进展压刨处理未经压刨的方木严禁用于模板加工。2.1.2.3木模由劳务承包方现场加工:根据图纸、方案、洽商、现场实际尺寸等画出本班组施工范围内梁、板、墙、柱模板的拼装图〔要有拼板编〕2.1.2.4在模板加工过程中工程部技术、质量、材料理人员要随时监控加工质量及方案落实情审核人交底人承受交底人1.由交底填写交底与承受交底保存。2.当做分项工程施工技术交底时应填写“分项工程名称〞栏其他技术交底可不填写。技术交底记录表C2-1编工程名称沈新华国际金融中心交底日2008年3月30日施工北京城建国际建立分项工程名称交底提要地下模板施工技术交底况不符要求的要坚决予以返工以降低质量本钱。对加工好的模板要经过验收方能投入使用。2.2模板安装2.2.1模板安装的一般要求2.2.1.1模板及其支架、支撑必须有足够的强度、刚度和稳定性。2.2.1.2接缝宽度≤1.5mm〔用工程检测仪上的楔形塞尺检查〕。2.2.1.3模板外表必须清理干净不得漏刷脱模剂〔通过观察检查〕。2.2.1.4安装在构造中的预埋件、预留洞等按图纸和洽商进展安装不得遗漏且必须结实。2.2.1.5阴角必须方正〔用工程检测仪上角尺检验〕。2.2.2模板安装要求:2.2.2.1墙体模板安装顺序及技术要点:安装工艺流程:垂直度调整→模板加固→验收→混凝土浇筑→拆模。地下室墙体高度不等模板高度分别为3.73m、4.03m、4.23m、4.33m、5.53m、5.68m。为保证墙体的整体效果和模板拼装方便墙体模板采用1220mm×2440mm×12mm厚多层板50㎜×100㎜方木作竖楞间距250mm两块墙模接缝处做成企口;2根Φ48×3.5mm钢作横楞墙体底部间距300mm中部间距400mm顶部间距500mm外侧两道钢做竖楞用M14@对拉螺栓〔外墙部位加设3mm厚50mm×50mm止水厚钢板〕和2根Φ48×3.5mm钢做外龙骨墙体竖向不少于三道钢斜支撑横向间距不大于1200mm加固对拉螺栓程度间距400mm竖向间距同钢横楞间距。地下室外墙及消防水池墙体均需采用止水螺栓下列图对拉螺栓以外墙为例。外墙及消防水池墙体模板撤除后用气焊切除螺栓头〔入墙面15mm〕再将剩余螺栓两侧端头刷好防锈漆并用聚合物砂浆抹平。其他内墙体对拉螺栓位置预埋Φ20塑料套以便拆模时取出螺栓。阴角模板现场定型加工做成企口形式。下列图以高度4.23m墙体模板为例。地下室东侧外墙采用单侧支模详见?单侧支模方案?。审核人交底人承受交底人1.由交底填写交底与承受交底保存。2.当做分项工程施工技术交底时应填写“分项工程名称〞栏其他技术交底可不填写。技术交底记录表C2-1编工程名称沈新华国际金融中心交底日2008年3月30日施工北京城建国际建立分项工程名称交底提要地下模板施工技术交底地下二层4230mm外墙模板及支撑...

1、当您付费下载文档后,您只拥有了使用权限,并不意味着购买了版权,文档只能用于自身使用,不得用于其他商业用途(如 [转卖]进行直接盈利或[编辑后售卖]进行间接盈利)。
2、本站所有内容均由合作方或网友上传,本站不对文档的完整性、权威性及其观点立场正确性做任何保证或承诺!文档内容仅供研究参考,付费前请自行鉴别。
3、如文档内容存在违规,或者侵犯商业秘密、侵犯著作权等,请点击“违规举报”。

碎片内容

地下模板施工技术交底

您可能关注的文档

确认删除?
VIP
微信客服
  • 扫码咨询
会员Q群
  • 会员专属群点击这里加入QQ群
客服邮箱
回到顶部