电脑桌面
添加小米粒文库到电脑桌面
安装后可以在桌面快捷访问

地面与楼面工程施工质量监理细则VIP免费

地面与楼面工程施工质量监理细则_第1页
1/8
地面与楼面工程施工质量监理细则_第2页
2/8
地面与楼面工程施工质量监理细则_第3页
3/8
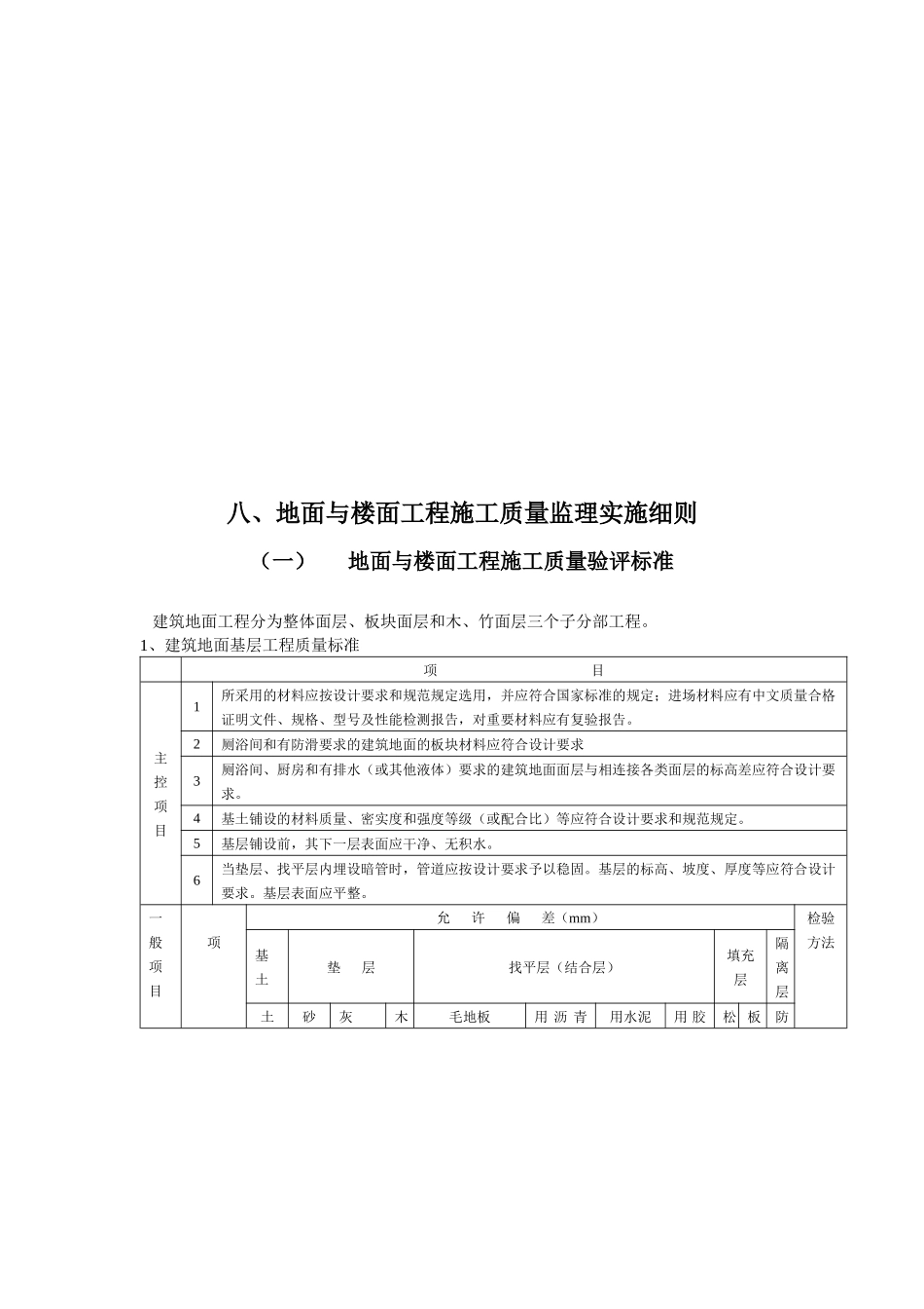
八、地面与楼面工程施工质量监理实施细则(一)地面与楼面工程施工质量验评标准建筑地面工程分为整体面层、板块面层和木、竹面层三个子分部工程。1、建筑地面基层工程质量标准项目主控项目1所采用的材料应按设计要求和规范规定选用,并应符合国家标准的规定;进场材料应有中文质量合格证明文件、规格、型号及性能检测报告,对重要材料应有复验报告。2厕浴间和有防滑要求的建筑地面的板块材料应符合设计要求3厕浴间、厨房和有排水(或其他液体)要求的建筑地面面层与相连接各类面层的标高差应符合设计要求。4基土铺设的材料质量、密实度和强度等级(或配合比)等应符合设计要求和规范规定。5基层铺设前,其下一层表面应干净、无积水。6当垫层、找平层内埋设暗管时,管道应按设计要求予以稳固。基层的标高、坡度、厚度等应符合设计要求。基层表面应平整。一般项目项允许偏差(mm)检验方法基土垫层找平层(结合层)填充层隔离层土砂灰木毛地板用沥青用水泥用胶松板防目、砂石、碎砖土、三合土、炉渣、混凝土搁栅玛蹄脂做结合层,铺设拼花木板,板块、板块面层砂浆做结合层,铺设板块面层粘剂做结合层铺设拼花木板、塑料板等面层散材料、块材料水、防潮、防油渗拼花实木木板等其他种类1表面平整度151510335352753用2m靠尺和楔形塞尺检查2标高0,-50±20±10±5±5±8±5±8±4±4±4用水准仪检查3坡度不大于房间相应尺寸的2/1000,且不大于30用坡度尺检查4厚度在个别地方不大于设计厚度的1/10用钢尺检查2、整体面层铺设工程质量标准项目主控项目1各种面层的材质、强度(配合比)和密度必须符合设计要求和规范规定。2铺设整体面层时,其水泥类基层的抗压强度不得小于1.2MPa;表面应粗糙、洁净、湿润并不得有积水。铺设前宜涂刷界面处理剂。3整体面层施工后,养护时间不应小于7d;抗压强度应达到5Mpa,方准上人行走;抗压强度应达到设计要求后,方可正常使用。4当采用掺有水泥拌和料做踢脚线时,不得用石灰砂浆打底。5整体面层的抹平工作应在水泥初凝前完成,压光工作应在水泥终凝前完成。一般项目项目允许偏差(mm)检验方法水泥混凝土面层水泥砂浆面层普通水磨石面层高级水磨石面层水泥钢(铁)面层防油渗混凝土和不发火面层1表面平整度543245用2m靠尺和楔形塞尺检查2踢脚线上口平直443344拉5m线和用钢尺检查3缝格平直3332333、木、面层铺设工程质量标准项目主控项目1建筑地面工程的木、竹面层搁栅下架空结构层(或构造层)的质量检验,应符合相应国家现行标准的规定。2木、竹面层的通风构造层包括室内通风沟、室外通风窗等,均应符合设计要求。3与厕浴间、厨房等潮湿场所相邻木、竹面层连接处应做防水(防潮)处理。4木、竹面层铺设在水泥类基层上,其基层表面应坚硬、平整、洁净、干燥、不起砂。一般项目项目允许偏差(mm)检验方法实木地板面层实木复合地板、中密度(强化)复合地板面层、竹地板面层松木地板硬木地板拼花地板1表面平整度3.02.02.02.0用2m靠尺和楔形塞尺检查2板面缝隙宽度1.00.50.20.5用钢尺检查3踢脚线上口平齐3.03.03.03.0拉5m通线4板面拼缝平直3.03.03.03.05相邻板材高差0.50.50.50.5用钢尺和楔形塞尺检查6踢脚线与面层的接缝1.0楔形塞尺检查(二)楼面与地面工程监理的预控内容1、使用的主要材料及半成品应有合格证,新材料、新技术、新工艺都应根据设计要求进行复试,取得合格等级。对材质要求较高的板块应进行厂家考察,对产品实行筛选。对木材则应注意控制含水率和颜色。材料进场后应进行质量验收,确保不合格材料不能用于工程,要督促施工单位做好保管工作。2、对铺装楼面、地面的基层进行质量验收。对基层的标高、坡度、表面清理、清扫、平整度均应对照图纸及已施工部位的相对关系进行校验,并通过承包单位做好必要的处理。3、对施工管理人员及操作人员要进行技术交底,监理工程师应审核施工方案及技术交底单,并在必要时进行样板试验引路。(三)楼面与地面工程监理质量控制要点监理工程师针对本分部工程质量通病(楼地面不平整、空鼓、裂缝、渗漏等)监督承包单位严格操作规程,消除通病。1、基层质量控制要点(1)土基要审核土质,测定土质最...

1、当您付费下载文档后,您只拥有了使用权限,并不意味着购买了版权,文档只能用于自身使用,不得用于其他商业用途(如 [转卖]进行直接盈利或[编辑后售卖]进行间接盈利)。
2、本站所有内容均由合作方或网友上传,本站不对文档的完整性、权威性及其观点立场正确性做任何保证或承诺!文档内容仅供研究参考,付费前请自行鉴别。
3、如文档内容存在违规,或者侵犯商业秘密、侵犯著作权等,请点击“违规举报”。

碎片内容

地面与楼面工程施工质量监理细则

您可能关注的文档

墨香书阁+ 关注
实名认证
内容提供者

热爱教学事业,对互联网知识分享很感兴趣

确认删除?
VIP
微信客服
  • 扫码咨询
会员Q群
  • 会员专属群点击这里加入QQ群
客服邮箱
回到顶部