电脑桌面
添加小米粒文库到电脑桌面
安装后可以在桌面快捷访问

国家公布的淘汰电力变压器和电动机目录-首都之窗-北京市政VIP免费

国家公布的淘汰电力变压器和电动机目录-首都之窗-北京市政_第1页
1/5
国家公布的淘汰电力变压器和电动机目录-首都之窗-北京市政_第2页
2/5
国家公布的淘汰电力变压器和电动机目录-首都之窗-北京市政_第3页
3/5
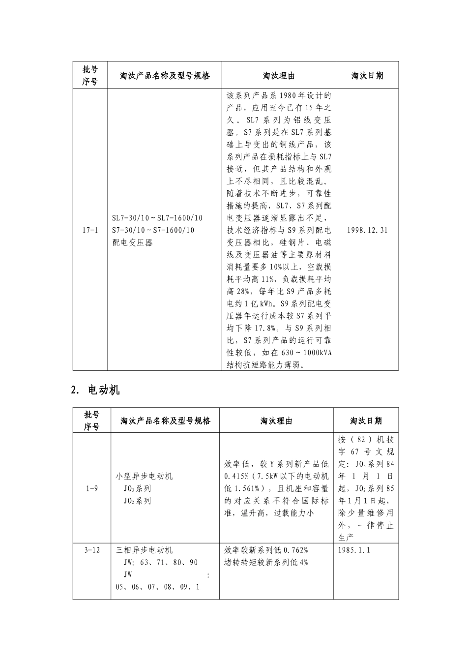
附件2:国家公布的淘汰电力变压器和电动机目录1.变压器、调压器批号序号淘汰产品名称及型号规格淘汰理由淘汰日期4-12中小型配电变压器SJ、SJ1、SJ2、SJ3、SJ4、SJ5、SJL、SJL1、S、S1、SZ、SL、SLZ、SL1、SLZ1系列和SL7、SLZ7低损耗中小型配电变压器相比每kVA变压器容量每年多耗电15度1986.7.14-14接触调压器TDGC、TSGC系列空载损耗较新产品TDGC2TSGC2系列大39%1985.7.111-1DJMB系列照明用干式变压器和DBK系列控制用干式变压器与更新换代的新系列产品相比,总损耗高51%,kVA多耗电172度1990.6.30批号序号淘汰产品名称及型号规格淘汰理由淘汰日期17-1SL7-30/10~SL7-1600/10S7-30/10~S7-1600/10配电变压器该系列产品系1980年设计的产品,应用至今已有15年之久。SL7系列为铝线变压器。S7系列是在SL7系列基础上导变出的铜线产品,该系列产品在损耗指标上与SL7接近,但其产品结构和外观上不尽相同,且比较混乱。随着技术不断进步,可靠性措施的提高,SL7、S7系列配电变压器逐渐显露出不足,技术经济指标与S9系列配电变压器相比,硅钢片、电磁线及变压器油等主要原材料消耗量要多10%以上,空载损耗平均高11%,负载损耗平均高28%,每年比S9产品多耗电约1亿kWh。S9系列配电变压器年运行成本较S7系列平均下降17.8%。与S9系列相比,S7系列产品的运行可靠性较低,如在630~1000kVA结构抗短路能力薄弱。1998.12.312.电动机批号序号淘汰产品名称及型号规格淘汰理由淘汰日期1-9小型异步电动机JO3系列JO2系列效率低,较Y系列新产品低0.415%(7.5kW以下的电动机低1.561%),且机座和容量的对应关系不符合国际标准,温升高,过载能力小按(82)机技字67号文规定:JO3系列84年1月1日起,JO2系列85年1月1日起,除少量维修用外,一律停止生产3-12三相异步电动机JW:63、71、80、90JW:05、06、07、08、09、1效率较新系列低0.762%堵转转矩较新系列低4%1985.1.1批号序号淘汰产品名称及型号规格淘汰理由淘汰日期JLO:01、22JCL:250W3-13单相电阻分相起动异步电动机JE(老型):0.8、0.63JLOE:1、2效率较新系列低0.762%堵转转矩较新系列低4%1985.1.13-14单相电容起动异步电动机JY(老型):08、09、1、2ZLLOR效率较新系列低0.762%堵转转矩较新系列低4%1985.1.13-15单相电容运转异步电动机JX(老型):05、06、07JLOY:012效率较新系列低0.762%堵转转矩较新系列低4%1985.1.13-17JB3系列隔爆型三相异步电动机效率较新系列低0.762%堵转转矩较新系列低4%1985.1.13-18BJO2系列隔爆型三相异步电动机效率较新系列低0.413%堵转转矩较新系列低33%1986.1.14-11冶金起重电机JZR2、JZ2、JZ、JZR、JZB、JZRB系列和新系列YZR、YZ相比较效率低1.879%,功率因数低9.35%1986.1.14-13分马力电动机(一)三相异步电动机AO:45,50,56,63,71A1:56,711AO:50,56,712AO:80JW(改型):45,50,56,63,71(二)单相电阻分相起动异步电动机BO:56,63,71JZ:56,63,71(三)单相电容起动异步电动机CO:63,71,80JCO:71和新产品AO2系列相比,效率低0.762%,堵转转矩低4%和新产品BO2系列相比,效率低0.762%,堵转转矩低4%和新产品CO2系列相比,效率低0.762%,堵转转矩低4%1986.1.11986.1.11986.1.1批号序号淘汰产品名称及型号规格淘汰理由淘汰日期JY:71(四)单相电容运转异步电动机DO:45,50,56,63JX:45,50,56和新产品DO2系列相比,效率低0.762%,堵转转矩低4%1986.1.15-39J2系列防滴式三相笼型异步电动机(36个规格,8个机座号,7.5~125kW,共11个功率等级)技术性能落后1986.12.305-40JR、JR2、JR3小型绕线转子异步电动机JR:30个规格JR2:13个规格JR3:16个规格技术性能落后1986.12.305-41JRO2小型绕线转子异步电动机26个规格,电压380V,功率5.5~75kW不符合IEC国际标准,技术性能差1986.12.307-17DM深井泵用三相异步电动机系列DM402-2DM521-4DM403-2DM452-2DM452-4结构陈旧,效率较更新产品低1.12%,堵转转矩低31.6%1987.12.17-18JLB2深井泵用三相异步电动机系列结构陈旧,效率较更新产品低1.12%,堵转转矩低31.6%1987.12.17-19JLB2立式深井泵用电动机JLB2-81-4JLB2-82-4JLB2-83-4结构陈旧,效率较更新产品低...

1、当您付费下载文档后,您只拥有了使用权限,并不意味着购买了版权,文档只能用于自身使用,不得用于其他商业用途(如 [转卖]进行直接盈利或[编辑后售卖]进行间接盈利)。
2、本站所有内容均由合作方或网友上传,本站不对文档的完整性、权威性及其观点立场正确性做任何保证或承诺!文档内容仅供研究参考,付费前请自行鉴别。
3、如文档内容存在违规,或者侵犯商业秘密、侵犯著作权等,请点击“违规举报”。

碎片内容

国家公布的淘汰电力变压器和电动机目录-首都之窗-北京市政

您可能关注的文档

墨香书阁+ 关注
实名认证
内容提供者

热爱教学事业,对互联网知识分享很感兴趣

确认删除?
VIP
微信客服
  • 扫码咨询
会员Q群
  • 会员专属群点击这里加入QQ群
客服邮箱
回到顶部