电脑桌面
添加小米粒文库到电脑桌面
安装后可以在桌面快捷访问

土建工程表格范本VIP免费

土建工程表格范本_第1页
1/59
土建工程表格范本_第2页
2/59
土建工程表格范本_第3页
3/59
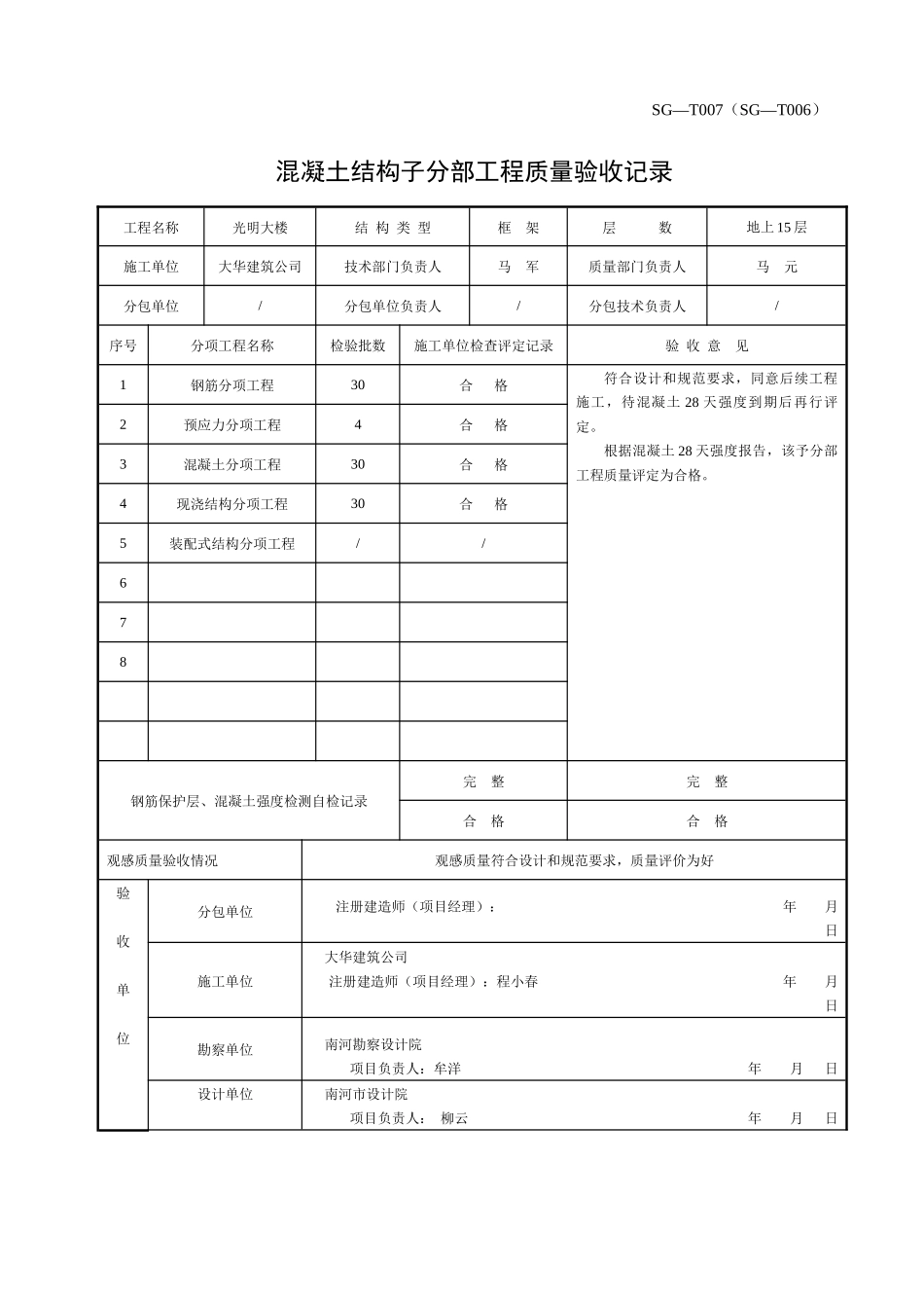
SG—T007(SG—T006)混凝土结构子分部工程质量验收记录工程名称光明大楼结构类型框架层数地上15层施工单位大华建筑公司技术部门负责人马军质量部门负责人马元分包单位/分包单位负责人/分包技术负责人/序号分项工程名称检验批数施工单位检查评定记录验收意见1钢筋分项工程30合格符合设计和规范要求,同意后续工程施工,待混凝土28天强度到期后再行评定。根据混凝土28天强度报告,该予分部工程质量评定为合格。2预应力分项工程4合格3混凝土分项工程30合格4现浇结构分项工程30合格5装配式结构分项工程//678钢筋保护层、混凝土强度检测自检记录完整完整合格合格观感质量验收情况观感质量符合设计和规范要求,质量评价为好验收单位分包单位注册建造师(项目经理):年月日施工单位大华建筑公司注册建造师(项目经理):程小春年月日勘察单位南河勘察设计院项目负责人:牟洋年月日设计单位南河市设计院项目负责人:柳云年月日监理(建设)单位华南监理公司总监理工程师(建设单位项目专业负责人):李元年月日四川省建设厅制G—T010(原SG—T013)土方开挖工程检验批质量验收记录工程名称分项工程名称验收部位施工单位项目负责人分包单位项目负责人(分包单位)专业工长施工班组长施工执行标准及编号质量验收规范的规定施工单位检查评定记录监理(建设)单位验收记录住基基坑基槽挖方场地平整管沟地面(路)基层人工机械主控项目边坡标高-50±30±50-50-50设计给定值495.15长度、宽度(由设计中心线向两边量)+200-50+300-100+500-150+100—设计给定值长43.2宽21.0一般项目表面平整度2020502020基底土性设计给定值:中蜜印石层共实测点,其中合格点、不合格点,合格率%施工单位检查评定结果该分项工程开挖后,经实测,主控项目、一般项目偏差符合规范要求。项目专业质量检查员:项目专业质量(技术)负责人:年月日监理(建设)单位验收结论监理工程师(建设单位项目技术负责人):年月日注:表中允许偏差实测值单位为“mm”四川省建设厅制SG—T011(原SG—T014)土方回填工程检验批质量验收记录工程名称四川科发综合楼分项工程名称土方回填验收部位施工单位四川广厦建筑公司项目负责人刘一林分包单位项目负责人(分包单位)专业工长王建施工班组长胡开江施工执行标准及编号质量验收规范的规定施工单位检查评定记录监理(建设)单位验收记录F分项分类桩基基坑基槽挖方场地平整管沟地(路)面基层人工机械主控项目标高-50√±30±50-50-50-40-50-45-30-45-30-50-50回填土料符合设计要求,含水率适当。经实测各项偏差数值符合规范要求设计给定值497.15分层压实系数设计给定值0.950.950.960.960.950.950.950.960.95一般项目回填土料设计给定值分层厚度及含水量设计给定值分层厚度30cm302528302425表面平整度20√203020201520232015181920共实测20点,其中合格17点,不合格3点,合格点率85%施工单位检查评定结果该回填工程采用分层回填,机械夯实,经取样试验和实测,主控项目全部合格,一般项目合格率符合规范要求项目专业质量检查员:项目专业质量(技术)负责人:年月日监理(建设)单位验收结论该分项工程经旁站监理,回填土料符合设计要求,施工中经抽查分层厚度,压实系数合格,完工后经实测标高,表面平整度符合规范规定,该分项工程合格。同意进行下道工序施工。监理工程师(建设单位项目技术负责人):年月日注:表中允许偏差实测值单位为“mm”。四川省建设厅制SG—T012(原SG—T104)回填土夯实施工记录工程名称:部位:年月日序号项目检查记录情况及分层标高1施工地段及面积2基底土质3夯实机具类型4回填土施工情况5预夯时土的厚度6含水率天然最佳7实际加水量8夯击遍数规定实际9最后下沉量(cm)10总下沉量(cm)说明施工单位工程技术负责人:(签字)年月日监理单位(签字)年月日建设单位现场代表:(签字)年月日注:本表一式三份,建设单位、施工单位、城建档案馆各一份。四川省建设厅制SG—T026(SG—T089)地基验槽记录施工单位:工程名称及部位验收日期基壁土层分布情况及走向(附示意图)槽底土质、岩层或地基处理后的情况基坑实际尺寸长:m,宽:m,深:m,底标高:m验收情况及结论...

1、当您付费下载文档后,您只拥有了使用权限,并不意味着购买了版权,文档只能用于自身使用,不得用于其他商业用途(如 [转卖]进行直接盈利或[编辑后售卖]进行间接盈利)。
2、本站所有内容均由合作方或网友上传,本站不对文档的完整性、权威性及其观点立场正确性做任何保证或承诺!文档内容仅供研究参考,付费前请自行鉴别。
3、如文档内容存在违规,或者侵犯商业秘密、侵犯著作权等,请点击“违规举报”。

碎片内容

土建工程表格范本

您可能关注的文档

墨香书阁+ 关注
实名认证
内容提供者

热爱教学事业,对互联网知识分享很感兴趣

确认删除?
VIP
微信客服
  • 扫码咨询
会员Q群
  • 会员专属群点击这里加入QQ群
客服邮箱
回到顶部