电脑桌面
添加小米粒文库到电脑桌面
安装后可以在桌面快捷访问

原料气精制和氨合成系统开车运行总结 - 南京国昌化工科技有限公司_VIP免费

原料气精制和氨合成系统开车运行总结 - 南京国昌化工科技有限公司__第1页
1/8
原料气精制和氨合成系统开车运行总结 - 南京国昌化工科技有限公司__第2页
2/8
原料气精制和氨合成系统开车运行总结 - 南京国昌化工科技有限公司__第3页
3/8
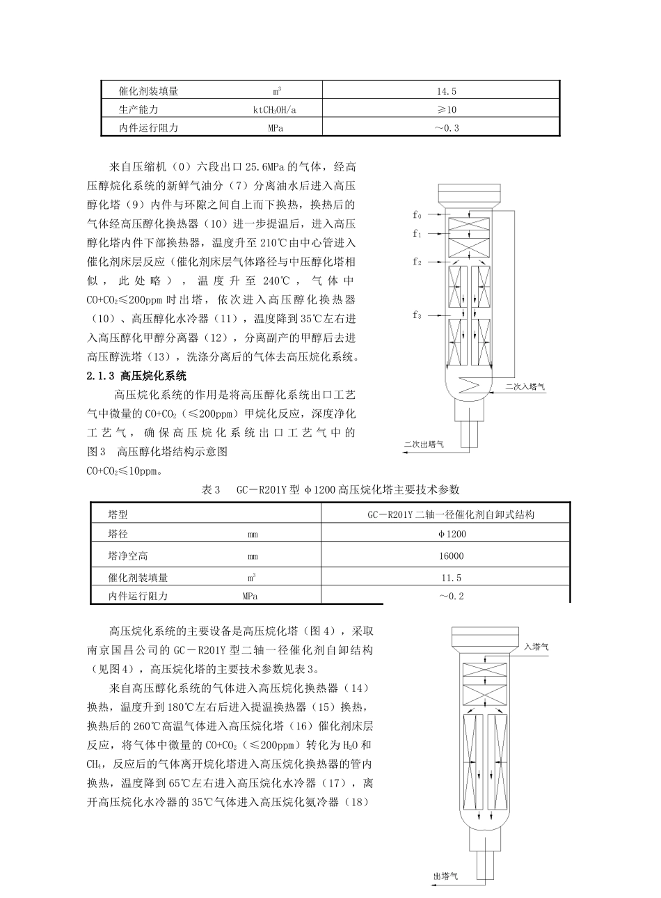
原料气精制和氨合成系统开车运行总结张兴德张培玉山东联盟化工股份有限公司邮编:2627001概述山东联盟化工股份有限公司地处山东寿光市,合成氨生产能力300kt/a,主要产品有400kt/a尿素、175kt/a甲醇等。2005年公司领导根据化肥、甲醇的市场行情和企业发展的需要,审时度势,本着“生产扩能、节能降耗、环保优先、提高效益”的原则,决定分两步实施“36·60”工程,一期工程合成氨能力180kt/a、尿素300kt/a,同时副产甲醇60kt/a,要求尽可能采用经过考验,技术成熟,切实可行的先进工艺和设备,以确保安全生产,清洁生产,并为科学管理,文明生产,减少检修工作量创造条件。公司经考察、论证后决定选用南京国昌化工科技有限公司的“全自热非等压醇烷化”工艺和氨合成技术,并委托国昌公司对合成氨原料气净化和氨合成装置进行设计。2系统组成2.1“全自热非等压醇烷化”系统“全自热非等压醇烷化”系统由中压醇化、高压醇化和高压烷化三个子系统组成,工艺流程见图1。图1“全自热非等压醇烷化”工艺流程示意图2.1.1中压醇化系统中压(12.0~16.0MPa)醇化装置以产醇为主,将脱碳气中3.5~8.0%的CO+CO2大部分(80~90%)转化为甲醇。通过中压醇化系统,醇氨比、甲醇产量调节灵活,同时可以控制进入高压醇化系统工艺气中CO+CO2含量在1.50~1.80%的指标范围内。中压醇化系统的主要设备是中压醇化塔,采取南京国昌公司的GC—R202Y型二轴二径催化剂自卸结构,下部设有换热器,见图2。该塔操作弹性较大、塔阻力低,其主要技术参数见表1。表1GC-R202Y型φ1600中压醇化塔主要技术参数塔型GC—R202Y二轴二径催化剂自卸式结构塔径mmφ1600塔净空高mm18000催化剂装填量m319.5设计生产能力ktCH3OH/a50内件运行阻力MPa~0.3来自原料气压缩机(0)五段出口脱碳气体(12.0MPa)与中压醇化循环机(1)出口气混合后进入油水分离器(2),分离油水后进入中压醇化塔(3)内外环隙换热冷却塔壁,由下部进入中压醇化塔下部换热器管外换热,温度升至210℃左右由中心管升至0米与f0冷激气混合后进入第一轴向层反应,反应后的气体与f1冷激气在菱形分布器混合后进入第二轴向层反应,反应后的气体与f2冷激气在外分布筒混合后沿径向进入第一径向层反应,反应后的气体在内集气筒与f3冷激气混合后沿径向进入第二径向层反应,反应后250℃的气体进入中压醇塔下部换热器的管内换热,温度降至120℃依次去软水加热器(4)和水冷器(5),气体温度降到35℃左右进中压醇分离器(6)进行气液分离,分离甲醇后的气体去压缩机的六段进口,经压缩机加压后去高压醇化系统。图2中压醇化塔结构示意图2.1.2高压醇化系统高压醇化装置以净化为主,系统进口气体中CO+CO2控制在1.50~1.80%能够保证系统自热反应而又不需开循环机。在高压条件下CO、CO2醇化反应的转化率非常高,系统出口气体中的CO+CO2≤200ppm,保证了工艺气极高的净化度。高压醇化系统的主要设备是高压醇化塔,采取南京国昌公司的GC-R202Y二轴二径催化剂自卸结构(见图3),高压醇化塔的主要技术参数见表2。表2GC-R202Y型φ1400高压醇化塔主要技术参数塔型GC-R202Y二轴二径催化剂自卸式结构塔径mmφ1400塔净空高mm16000催化剂装填量m314.5生产能力ktCH3OH/a≥10内件运行阻力MPa~0.3来自压缩机(0)六段出口25.6MPa的气体,经高压醇烷化系统的新鲜气油分(7)分离油水后进入高压醇化塔(9)内件与环隙之间自上而下换热,换热后的气体经高压醇化换热器(10)进一步提温后,进入高压醇化塔内件下部换热器,温度升至210℃由中心管进入催化剂床层反应(催化剂床层气体路径与中压醇化塔相似,此处略),温度升至240℃,气体中CO+CO2≤200ppm时出塔,依次进入高压醇化换热器(10)、高压醇化水冷器(11),温度降到35℃左右进入高压醇化甲醇分离器(12),分离副产的甲醇后去进高压醇洗塔(13),洗涤分离后的气体去高压烷化系统。2.1.3高压烷化系统高压烷化系统的作用是将高压醇化系统出口工艺气中微量的CO+CO2(≤200ppm)甲烷化反应,深度净化工艺气,确保高压烷化系统出口工艺气中的图3高压醇化塔结构示意图CO+CO2≤10ppm。表3GC-R201Y型φ1200高压烷化塔主要技术参数...

1、当您付费下载文档后,您只拥有了使用权限,并不意味着购买了版权,文档只能用于自身使用,不得用于其他商业用途(如 [转卖]进行直接盈利或[编辑后售卖]进行间接盈利)。
2、本站所有内容均由合作方或网友上传,本站不对文档的完整性、权威性及其观点立场正确性做任何保证或承诺!文档内容仅供研究参考,付费前请自行鉴别。
3、如文档内容存在违规,或者侵犯商业秘密、侵犯著作权等,请点击“违规举报”。

碎片内容

原料气精制和氨合成系统开车运行总结 - 南京国昌化工科技有限公司_

您可能关注的文档

确认删除?
VIP
微信客服
  • 扫码咨询
会员Q群
  • 会员专属群点击这里加入QQ群
客服邮箱
回到顶部