电脑桌面
添加小米粒文库到电脑桌面
安装后可以在桌面快捷访问

地下连续墙施工安全技术交底VIP免费

地下连续墙施工安全技术交底_第1页
1/1
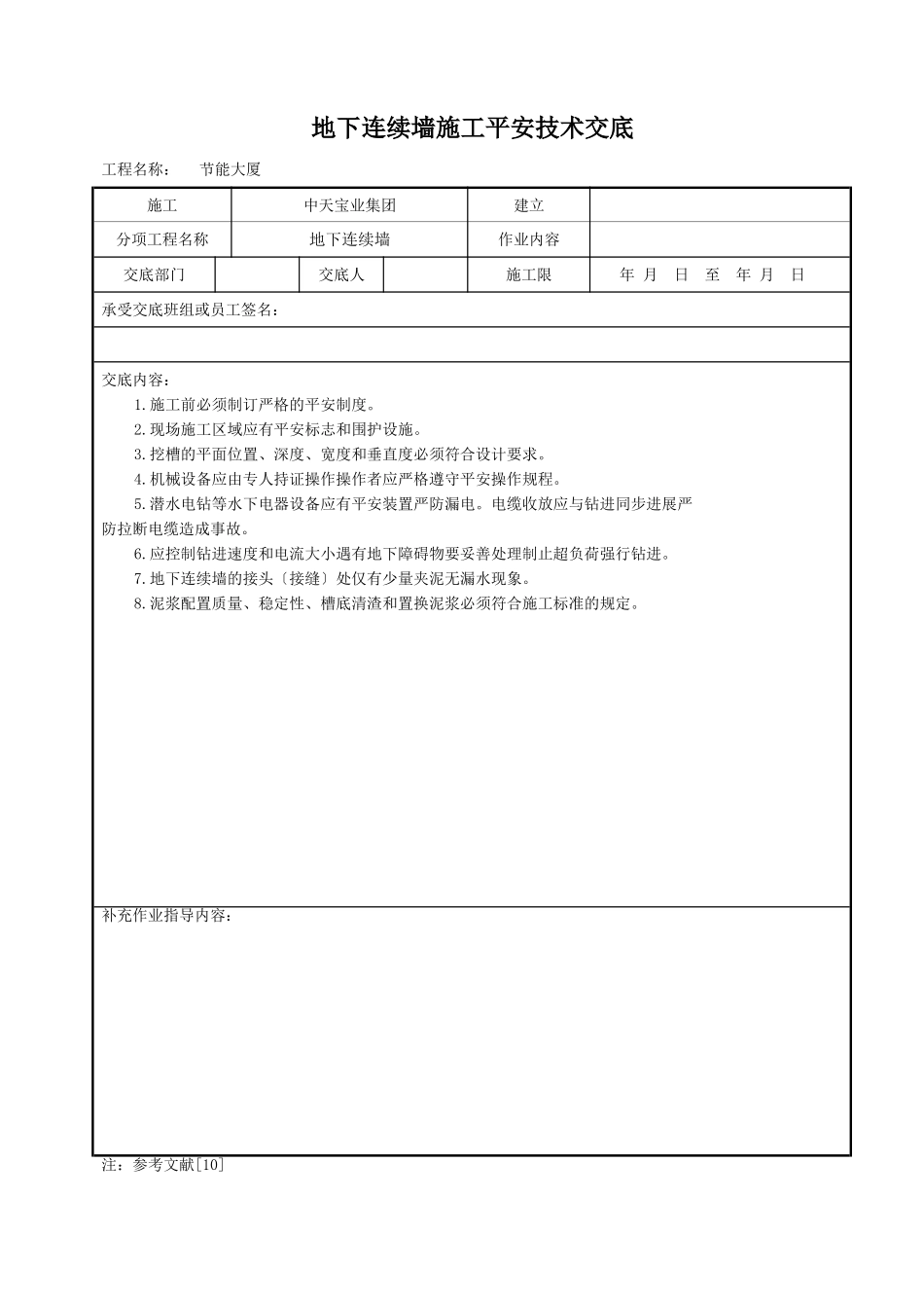
地下连续墙施工平安技术交底工程名称:节能大厦施工中天宝业集团建立分项工程名称地下连续墙作业内容交底部门交底人施工限年月日至年月日承受交底班组或员工签名:交底内容:1.施工前必须制订严格的平安制度。2.现场施工区域应有平安标志和围护设施。3.挖槽的平面位置、深度、宽度和垂直度必须符合设计要求。4.机械设备应由专人持证操作操作者应严格遵守平安操作规程。5.潜水电钻等水下电器设备应有平安装置严防漏电。电缆收放应与钻进同步进展严防拉断电缆造成事故。6.应控制钻进速度和电流大小遇有地下障碍物要妥善处理制止超负荷强行钻进。7.地下连续墙的接头〔接缝〕处仅有少量夹泥无漏水现象。8.泥浆配置质量、稳定性、槽底清渣和置换泥浆必须符合施工标准的规定。补充作业指导内容:注:参考文献[10]

1、当您付费下载文档后,您只拥有了使用权限,并不意味着购买了版权,文档只能用于自身使用,不得用于其他商业用途(如 [转卖]进行直接盈利或[编辑后售卖]进行间接盈利)。
2、本站所有内容均由合作方或网友上传,本站不对文档的完整性、权威性及其观点立场正确性做任何保证或承诺!文档内容仅供研究参考,付费前请自行鉴别。
3、如文档内容存在违规,或者侵犯商业秘密、侵犯著作权等,请点击“违规举报”。

碎片内容

地下连续墙施工安全技术交底

您可能关注的文档

确认删除?
VIP
微信客服
  • 扫码咨询
会员Q群
  • 会员专属群点击这里加入QQ群
客服邮箱
回到顶部