电脑桌面
添加小米粒文库到电脑桌面
安装后可以在桌面快捷访问

国家电网公司安全规程VIP免费

国家电网公司安全规程_第1页
1/104
国家电网公司安全规程_第2页
2/104
国家电网公司安全规程_第3页
3/104
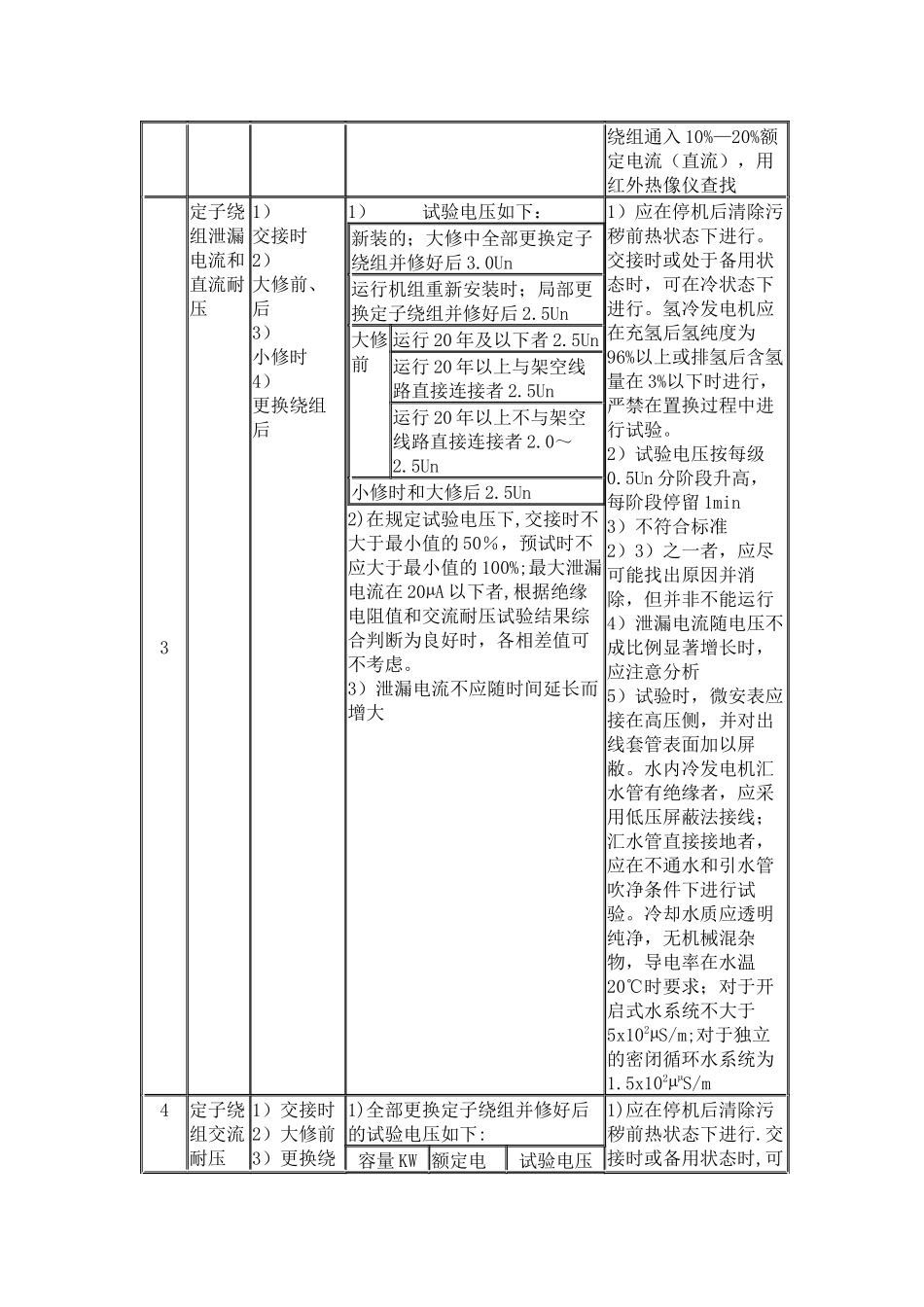
1总则1.1电力设备绝缘的交接和预防性试验是检查、鉴定设备的健康状况,防止设备在运行中发生损坏的重要措施。按电力部DL/T596《电力设备预防性试验规程》及GB50150《电气装置安装工程电气设备交接试验标准》的基本精神,结合大唐集团公司的具体情况,特制定本规程。1.2本规程所规定的各项试验标准,是电力设备绝缘监控工作的基本要求,也是电力设备全过程管理工作的重要组成部分。在设备的验收、维护、检修工作中必须坚持以预防为主,积极地对设备进行维护,使其能长期安全、经济运行。1.3对试验结果必须进行全面地、历史地综合分析和比较,即要对照历次试验结果,也要对照同类设备或不同相别的试验结果,根据变化规律和趋势,经全面分析后作出判断。1.4本规程规定了各种电力设备的交接和预防性试验的项目、周期和要求。中国大唐集团公司各公司各发电企业应遵照本规程开展绝缘试验工作。倘遇特殊情况而不能执行本规程有关规定时,如延长设备的试验周期、降低试验标准、删减试验项目以及判断设备能否投入运行等,应组织有关人员认真分析讨论,提出建议由本单位总工程师批准执行,并报上级监督部门备案,重大问题报分公司、集团公司批准。1.5本规程不适用于高压直流输电设备、矿用及其他特殊条件下使用的电力设备,也不适用于电力系统的继电保护装置、自动装置、测量装置等电气设备和安全用具。1.6110KV以下的电力设备,应按本规程进行耐压试验(有特殊规定者除外)。110KV及以上的电力设备,除有特殊规定外,可不进行耐压试验。50Hz交流耐压试验,加至试验电压后的持续时间,凡无特殊说明者,均为1min;其他耐压方法的施加时间在有关设备的试验要求中规定,非标准电压等级的电力设备的交流耐压试验值,可根据本规程规定的相邻电压等级按插入法计算。充油电力设备在注油后应有足够的静置时间才可进行耐压试验。静置时间无制造厂规定,则应依据设备的额定电压满足以下要求:500KV设备静置时间大于72h220KV设备静置时间大于48h110KV及以下设备静置时间大于24h1.7进行耐压试验时,应尽量将连在一起的各种设备分离开来单独试验(制造厂装配的成套设备不在此限),但同一试验电压的设备可以连在一起进行试验,已有单独试验记录的若干不同试验电压的电力设备,在单独试验有困难时,也可以连在一起进行试验,此时,试验电压应采取所连接设备中的最低试验电压。1.8当电力设备的额定电压与实际使用的额定电压不同时,应根据下列原则确定试验电压:a)当采用额定电压较高的设备以加强绝缘时,应按照设备的额定电压确定其试验电压;b)当采用额定电压较高的设备作为代用设备时,应按照实际使用的额定电压确定其试验电压;1.9在进行与温度和湿度有关的各种试验时(如测量直流电阻、绝缘电阻、介质损耗角的正切值、泄漏电流等),应同时测量被试品的温度和周围空气的温度和湿度。在进行绝缘试验时,被试品温度不应低于+5℃,户外试验应在良好的天气进行,且空气相对湿度一般不高于80%。对于不满足上述温度、湿度条件情况下,测得的试验数据应进行综合分析,以判断电气设备是否可以运行。1.10在进行直流高压试验时,应采用负极性接线。1.11有末屏抽头的套管、耦合电容器和避雷器可以积极开展带电测试电容电流和泄漏电流,当带电测试发现问题时可进行停电试验进一步核实。1.12对引进的国外设备,应按照国外制造厂标准和有关技术协议并参照本规程进行试验,1.13预试周期长短,应根据设备的具体情况加以选择,重要、新投、有缺陷设备的周期应缩短;绝缘稳定设备的周期可适当延长。交接试验后1年未投入运行的设备在投运前要求重做的项目本规程特设“投运前”周期内容。2.旋转电机2.1同步发电机和调相机2.1.1容量为6000KW以上的同步发电机和调相机的试验项目,周期和标准见表2-1,6000KW以下者可参照执行。表2——1同步发电机试验项目、周期和标准序号项目周期标准说明1定子绕组的绝缘电阻、吸收比或极化指数1)交接时2)大修前、后3)小修时1)绝缘电阻值自行规定。若在相近试验条件(温度、湿度)下,绝缘电阻值低到历年正常值的1/3以下时,应查明原因。2)各相或分支绝缘电阻的差值不应...

1、当您付费下载文档后,您只拥有了使用权限,并不意味着购买了版权,文档只能用于自身使用,不得用于其他商业用途(如 [转卖]进行直接盈利或[编辑后售卖]进行间接盈利)。
2、本站所有内容均由合作方或网友上传,本站不对文档的完整性、权威性及其观点立场正确性做任何保证或承诺!文档内容仅供研究参考,付费前请自行鉴别。
3、如文档内容存在违规,或者侵犯商业秘密、侵犯著作权等,请点击“违规举报”。

碎片内容

国家电网公司安全规程

您可能关注的文档

墨香书阁+ 关注
实名认证
内容提供者

热爱教学事业,对互联网知识分享很感兴趣

确认删除?
VIP
微信客服
  • 扫码咨询
会员Q群
  • 会员专属群点击这里加入QQ群
客服邮箱
回到顶部