电脑桌面
添加小米粒文库到电脑桌面
安装后可以在桌面快捷访问

制鞋企业质量管理部检测实验员岗位说明书VIP免费

制鞋企业质量管理部检测实验员岗位说明书_第1页
1/3
制鞋企业质量管理部检测实验员岗位说明书_第2页
2/3
制鞋企业质量管理部检测实验员岗位说明书_第3页
3/3
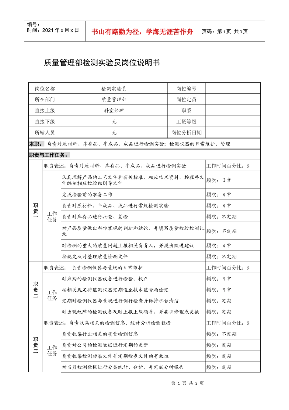
第1页共3页编号:时间:2021年x月x日书山有路勤为径,学海无涯苦作舟页码:第1页共3页质量管理部检测实验员岗位说明书岗位名称检测实验员岗位编号所在部门质量管理部岗位定员直接上级科室经理职系直接下级无工资等级所辖人员无岗位分析日期本职:负责对原材料、库存品、半成品、成品进行检测实验;检测仪器的日常维护、管理职责与工作任务:职责一职责表述:负责对原材料、库存品、半成品、成品进行检测实验工作时间百分比:%工作任务认真理解产品的工艺文件和有关标准,相应技术资料,按程序文件编制相应检验细则等文件频次:日常完成检验前的准备工作频次:日常负责对原材料、半成品、成品进行常规检测实验频次:日常负责对库存品进行抽查、复检频次:不定期对产品质量做出科学客观的判断和结论,并填写质量检验检测记录频次:不定期对检测的重大的质量问题上报相关负责人,并提出改进建议频次:日常按规定及时整理质量检测文件频次:不定期职责二职责表述:负责检测仪器与量规的日常维护工作时间百分比:%工作任务对采购的检测仪器设备进行检验、校正频次:日常按相关规定将监测仪器定期送至技术监督局检定频次:日常定期对检测仪器与量规进行例行检查并保持机台清洁频次:定期对出现故障的检测设备及时上报上级领导,并要求修理或更换频次:定期职责三职责表述:负责收集相关的检测信息、统计分析检测数据工作时间百分比:%工作任务负责收集行业相关的质量检测信息频次:不定期负责对公司的检测数据进行定期的更新频次:定期负责收集检测标准文件并定期检查文件的有效性频次:定期对当月检测数据进行分类统计、分析,并完成分析报告频次:定期第2页共3页第1页共3页编号:时间:2021年x月x日书山有路勤为径,学海无涯苦作舟页码:第2页共3页职责四职责表述:完成领导交办的其他工作工作时间百分比:%权力:对检测产品的质量有裁定权对材料使用有建议权对材料采用有监督权对检测仪器、设备有管理权对与产品质量有关的信息有向相关部门的索取权工作协作关系:内部协调关系采购物控科、原材料仓库、营销公司、各分厂外部协调关系各级质量技术监督局任职资格:教育水平大专及以上学历专业制鞋工艺检测等相关专业培训经历鞋帽检验、皮革工艺、底材工艺等相关培训经验一年以上的皮革、鞋材方面检测的工作经验知识具有鞋帽检验工资格证书,具备相应的皮革、底材、制鞋方面知识,了解国家标准、质量标准技能技巧熟练使用全套检测设备,电脑办公软件、具有一定分析、写作能力其它:使用工具设备皮革耐挠性试验机、鞋子弯折试验机等高铁检测仪器设备;电脑等工作环境产品检测实验室工作时间特征正常工作时间,需要加班所需记录文档产品检测报告单备注:第3页共3页第2页共3页编号:时间:2021年x月x日书山有路勤为径,学海无涯苦作舟页码:第3页共3页

1、当您付费下载文档后,您只拥有了使用权限,并不意味着购买了版权,文档只能用于自身使用,不得用于其他商业用途(如 [转卖]进行直接盈利或[编辑后售卖]进行间接盈利)。
2、本站所有内容均由合作方或网友上传,本站不对文档的完整性、权威性及其观点立场正确性做任何保证或承诺!文档内容仅供研究参考,付费前请自行鉴别。
3、如文档内容存在违规,或者侵犯商业秘密、侵犯著作权等,请点击“违规举报”。

碎片内容

制鞋企业质量管理部检测实验员岗位说明书

精品中小学文档+ 关注
实名认证
内容提供者

精品资料,值得下载

确认删除?
VIP
微信客服
  • 扫码咨询
会员Q群
  • 会员专属群点击这里加入QQ群
客服邮箱
回到顶部