电脑桌面
添加小米粒文库到电脑桌面
安装后可以在桌面快捷访问

工程建设监理大纲(住宅样本)VIP免费

工程建设监理大纲(住宅样本)_第1页
1/64
工程建设监理大纲(住宅样本)_第2页
2/64
工程建设监理大纲(住宅样本)_第3页
3/64
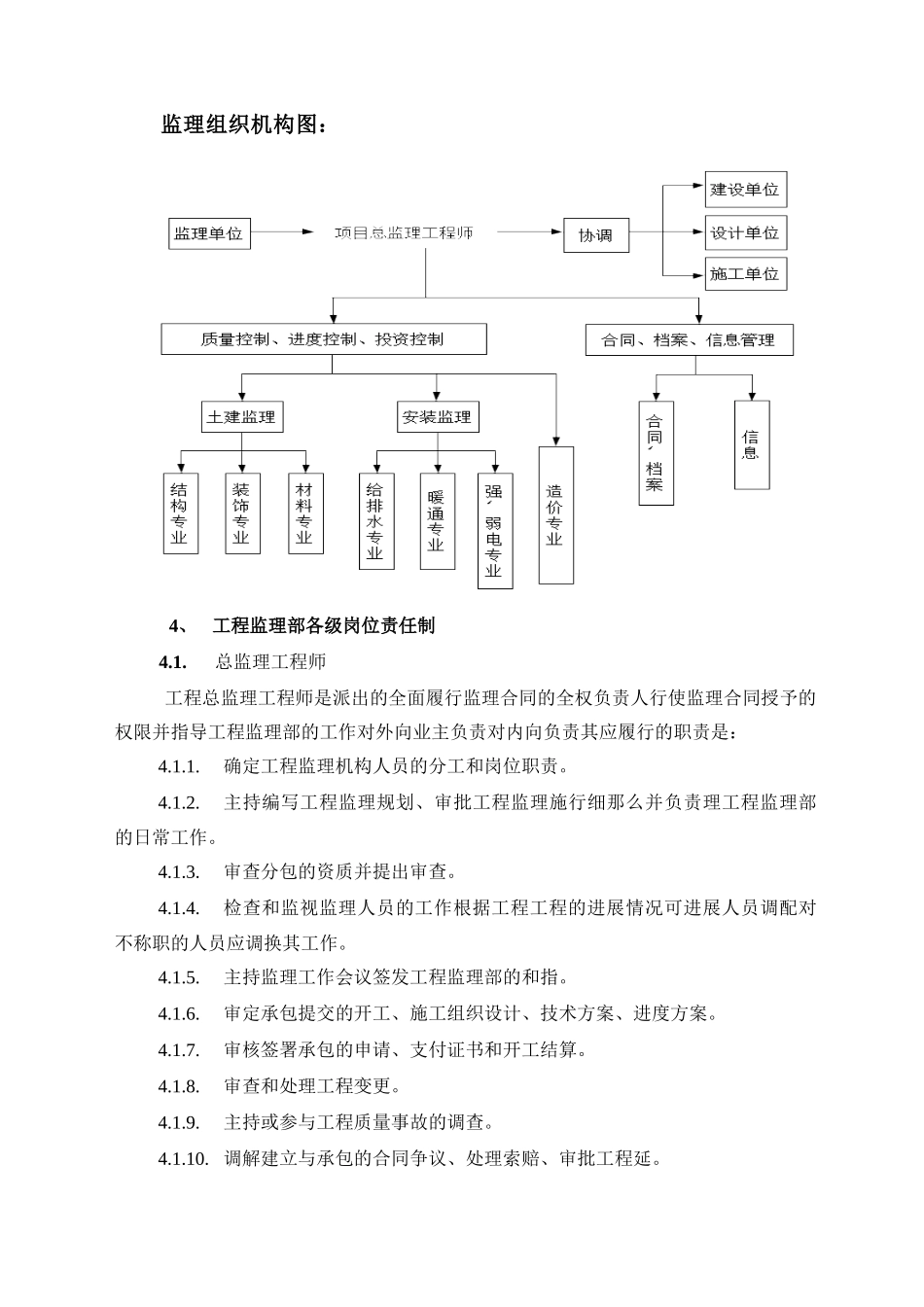
工程建立监理大纲第一章工程概况根据监理介绍本工程概况:建立:工程名称:建立地点:建筑规模〔建筑面积〕:约万m2构造类型及层次:砖混层设计:工程造价:万元人民币质量目的:合格。到达验收备案要求方案开开工日:年月日至年月日第二章委托监理的范围监理工作范围:桩基、土建、电气、给排水、附属工程。第三章监理工作根据1、建立方面的相关法律、行政法规、部门规章、地规及规章。2、有关建筑设计、施工、规程、工程质量验收工程建立强迫性。3、城建规划批准书、基建前有关、施工答应证。4、工程建立的勘察、设计图纸、设计等资料。5、工程设计合同、施工承包合同、材料设备购货合同及其他有关合同。6、现行建立工程概定额及相应执行。7、业主与监理签订的委托监理合同。8、监理规划、监理细那么。第四章监理目的及控制措施本一贯以“顾客至上〞为宗旨以“每位员工做每件事都要预防为主;每个工程每项效劳都让顾客满意〞为方针以进步“工程合格率〞、“顾客满意率〞为首要工作目的。从成立至今我在“工程合格率≥95顾客满意率≥95〞的根底上始终坚持稳定地向着这一目的迈进。要到达这一目的必须从质量、进度、、平安文明各方面进展详细规划、监控、落实。1、质量控制目的以建安施工中标质量为根据进展控制。按相应及合同要求进展质量控制工程质量到达业主要求的质量合格并满足备案要求争取获得优质工程。催促施工严格按施工技术、质量验收和设计的规定组织施工:以化的和程序完善施工的质量保证体系;按、的有关规定工程监理部认真做好对施工自检资料的签认和监理的现场检查工作;要重视事前控制防止质量通病注意抓好地下室及主体钢筋混凝土工程质量细致地抓好装饰工程特别重视设备安装和系统运行的质量及时消除质量事故隐患确保工程到达质量目的。2、进度控制目的按施工合同确定的工严格控制。确保建立的要求工。监理将以建立方与施工签订的合同工为监理进度控制目的监视施工制定详细的施工方案并不断根据施工进度的实际情况分析施工安排的合理性查找影响进度的主要因素并能提出合理的解决。在保证质量的前提下确保按或提早实现。3、控制目的监理将以业主要求的本工程的控制在设计概算要求内为监理控制目的根据工程量、经监理验收的质量合格资料、技术及“计量支付〞条款和设计图纸施工中按质按量按进度核定施工的施工工程量以及付款要求确保业主的付款额不超过施工承包合同所规定的限额。及时、准确地进展工程量的计量和的审核严把变更、签证关加强审核并报业主认定确保目的的实现。4、平安、文明施工目的加强平安、文明施工的监视确保无重大平安事故按照法律、法规和工程建立强迫性对施工执行平安消费的法律、法规和工程建立强迫性及落施行工平安技术措施等情况进展监理对建筑工程施工组织设计和专项平安施工方案进展审核、确认并加强对施工现场的巡查和检查催促施工落实平安消费责任和平安消费技术措施。对易发事故的危险源和薄弱环节采取施工平安技术措施实行重点监控保障工程质量和平安施工。第五章现场监理组织机构1、人员及构成根据监理范围及工程情况经研究委派名专业理根底扎实、施工理经历丰富、屡次完成大型工程工程监理工作、具有同类工程监理经历的监理人员组成工程监理部完成工程的监理工作。工程总监理工程师由担任。本工程监理部的监理人员数量满足工程监理的需要按工程专业装备监理人员各专业构造齐全专业对口年龄适当并具有同类工程的监理资历。监理人员均持有监理资格上岗证。监理人员均有良好的职业道德和严谨的工作作风。工程监理部在总监指导下开展监理业务总监全面负责委托监理合同的履行主持工程监理部日常监理工作。各专业监理人员到位后严格根据制订的人员岗位责任制结合实际条件做到明确分工各司其职。各专业监理人员按工程进展情况及时安排进退场。2、人员职能分工:〔监理人员资料详见书附件〕3、监理组织机构:根据工程建立规模的详细情况本工程现场工程工程监理部按专业职能分解的监理组织形式如下:监理组织机构图:4、工程监理部各级岗位责任制4.1.总监理工程师工程总监理工程师是派出的全面履行监理合同的全权负责人行使监理合同授予的权...

1、当您付费下载文档后,您只拥有了使用权限,并不意味着购买了版权,文档只能用于自身使用,不得用于其他商业用途(如 [转卖]进行直接盈利或[编辑后售卖]进行间接盈利)。
2、本站所有内容均由合作方或网友上传,本站不对文档的完整性、权威性及其观点立场正确性做任何保证或承诺!文档内容仅供研究参考,付费前请自行鉴别。
3、如文档内容存在违规,或者侵犯商业秘密、侵犯著作权等,请点击“违规举报”。

碎片内容

工程建设监理大纲(住宅样本)

确认删除?
VIP
微信客服
  • 扫码咨询
会员Q群
  • 会员专属群点击这里加入QQ群
客服邮箱
回到顶部