电脑桌面
添加小米粒文库到电脑桌面
安装后可以在桌面快捷访问

工程(交通部分)勘察设计收费标准VIP免费

工程(交通部分)勘察设计收费标准_第1页
1/45
工程(交通部分)勘察设计收费标准_第2页
2/45
工程(交通部分)勘察设计收费标准_第3页
3/45
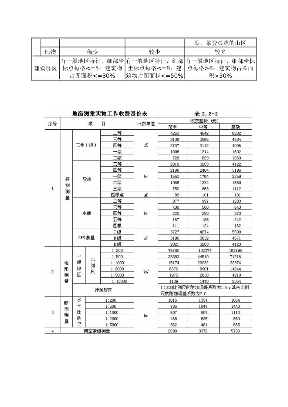
一、工程勘察设计收费标准1总则1.0.1工程勘察收费是指勘察人根据发包人的委托,收集已有资料、现场踏勘、制订勘察纲要,进行测绘、勘探、取样、试验、测试、检测、监测等勘察作业,以及编制工程勘察文件和岩土工程设计文件等收取的费用。1.0.2工程勘察收费标准分为通用工程勘察收费标准和专业工程勘察收费标准。1通用工程勘察收费标准适用于工程测量、岩土工程勘察、岩土工程设计与检测监测、水文地质勘察、工程水文气象勘察、工程物探、室内试验等工程勘察的收费。2专业工程勘察收费标准分别适用于煤炭、水利水电、电力、长输管道、铁路、公路、通信、海洋工程等工程勘察的收费。专业工程勘察中的一些项目可以执行通用工程勘察收费标准。1.0.3通用工程勘察收费采取实物工作量定额计费方法计算,由实物工作收费和技术工作收费两部分组成。专业工程勘察收费方法和标准,分别在煤炭、水利水电、电力、长输管道、铁路、公路、通信、海洋工程等章节中规定。1.0.4通用工程勘察收费按照下列公式计算1工程勘察收费=工程勘察收费基准价×(1±浮动幅度值)2工程勘察收费基准价=工程勘察实物工作收费+工程勘察技术工作收费3工程勘察实物工作收费=工程勘察实物工作收费基价×实物工作量×附加调整系数4工程勘察技术工作收费=工程勘察实物工作收费×技术工作收费比例1.0.5工程勘察收费基准价工程勘察收费基准价是按照本收费标准计算出的工程勘察基准收费额,发包人和勘察人可以根据实际情况在规定的浮动幅度内协商确定工程勘察收费合同额。1.0.6工程勘察实物工作收费基价工程勘察实物工作收费基价是完成每单位工程勘察实物工作内容的基本价格。工程勘察实物工作收费基价在相关章节的《实物工作收费基价表》中查找确定。1.0.7实物工作量实物工作量由勘察人按照工程勘察规范、规程的规定和勘察作业实际情况在勘察纲要中提出,经发包人同意后,在工程勘察合同中约定。1.0.8附加调整系数附加调整系数是对工程勘察的自然条件、作业内容和复杂程度差异进行调整的系数。附加调整系数分别列于总则和各章节中。附加调整系数为两个或者两个以上的,附加调整系数不能连乘。将各附加调整系数相加,减去附加调整系数的个数,加上定值1,作为附加调整系数值。1.0.9在气温(以当地气象台、站的气象报告为准)≥35℃或者≤-10℃条件下进行勘察作业时,气温附加调整系数为1.2。1.0.10在海拔高程超过2000m地区进行工程勘察作业时,高程附加调整系数如下:海拔高程2000~3000m为1.1海拔高程3001~3500m为1.2海拔高程3501~4000m为1.3海拔高程4001m以上的,高程附加调整系数由发包人与勘察人协商确定。1.0.11建设项目工程勘察由两个或者两个以上勘察人承担的,其中对建设项目工程勘察合理性和整体性负责的勘察人,按照该建设项目工程勘察收费基准价的5%加收主体勘察协调费。1.0.12工程勘察收费基准价不包括以下费用:办理工程勘察相关许可,以及购买有关资料费;拆除障碍物,开挖以及修复地下管线费;修通至作业现场道路,接通电源、水源以及平整场地费;勘察材料以及加工费;水上作业用船、排、平台以及水监费;勘察作业大型机具搬运费;青苗、树木以及水域养殖物赔偿费等。发生以上费用的,由发包人另行支付。1.0.13工程勘察组日、台班收费基价如下:工程测量、岩土工程验槽、检测监测、工程物探1000元/组日岩土工程勘察1360元/台班水文地质勘察1680元/台班1.0.14勘察人提供工程勘察文件的标准份数为4份。发包人要求增加勘察文件份数的,由发包人另行支付印制勘察文件工本费。1.0.15本收费标准不包括本总则1.0.1以外的其他服务收费。其他服务收费,国家有收费规定的,按照规定执行;国家没有收费规定的,由发包人与勘察人协商确定。2工程测量2.1技术工作工程测量技术工作费比例为22%。2.2地面测量地面测量复杂程度表表2.2-1类别简单中等复杂一般地区地形起伏小或比高<=20m的平原起伏大但有规律,或比高<=80m的丘陵地起伏变化很大或高>80m的山地通视良好,隐蔽地区面积<=20%一般,隐蔽地区面积<=40%困难,隐蔽地区面积<=60%通行较好,植物低矮,比高较小的梯田地区一般,植物较高,比高较大的梯田,容易通过...

1、当您付费下载文档后,您只拥有了使用权限,并不意味着购买了版权,文档只能用于自身使用,不得用于其他商业用途(如 [转卖]进行直接盈利或[编辑后售卖]进行间接盈利)。
2、本站所有内容均由合作方或网友上传,本站不对文档的完整性、权威性及其观点立场正确性做任何保证或承诺!文档内容仅供研究参考,付费前请自行鉴别。
3、如文档内容存在违规,或者侵犯商业秘密、侵犯著作权等,请点击“违规举报”。

碎片内容

工程(交通部分)勘察设计收费标准

确认删除?
VIP
微信客服
  • 扫码咨询
会员Q群
  • 会员专属群点击这里加入QQ群
客服邮箱
回到顶部