电脑桌面
添加小米粒文库到电脑桌面
安装后可以在桌面快捷访问

工程给排水、通风空调工程施工组织方案(51页)VIP免费

工程给排水、通风空调工程施工组织方案(51页)_第1页
1/45
工程给排水、通风空调工程施工组织方案(51页)_第2页
2/45
工程给排水、通风空调工程施工组织方案(51页)_第3页
3/45
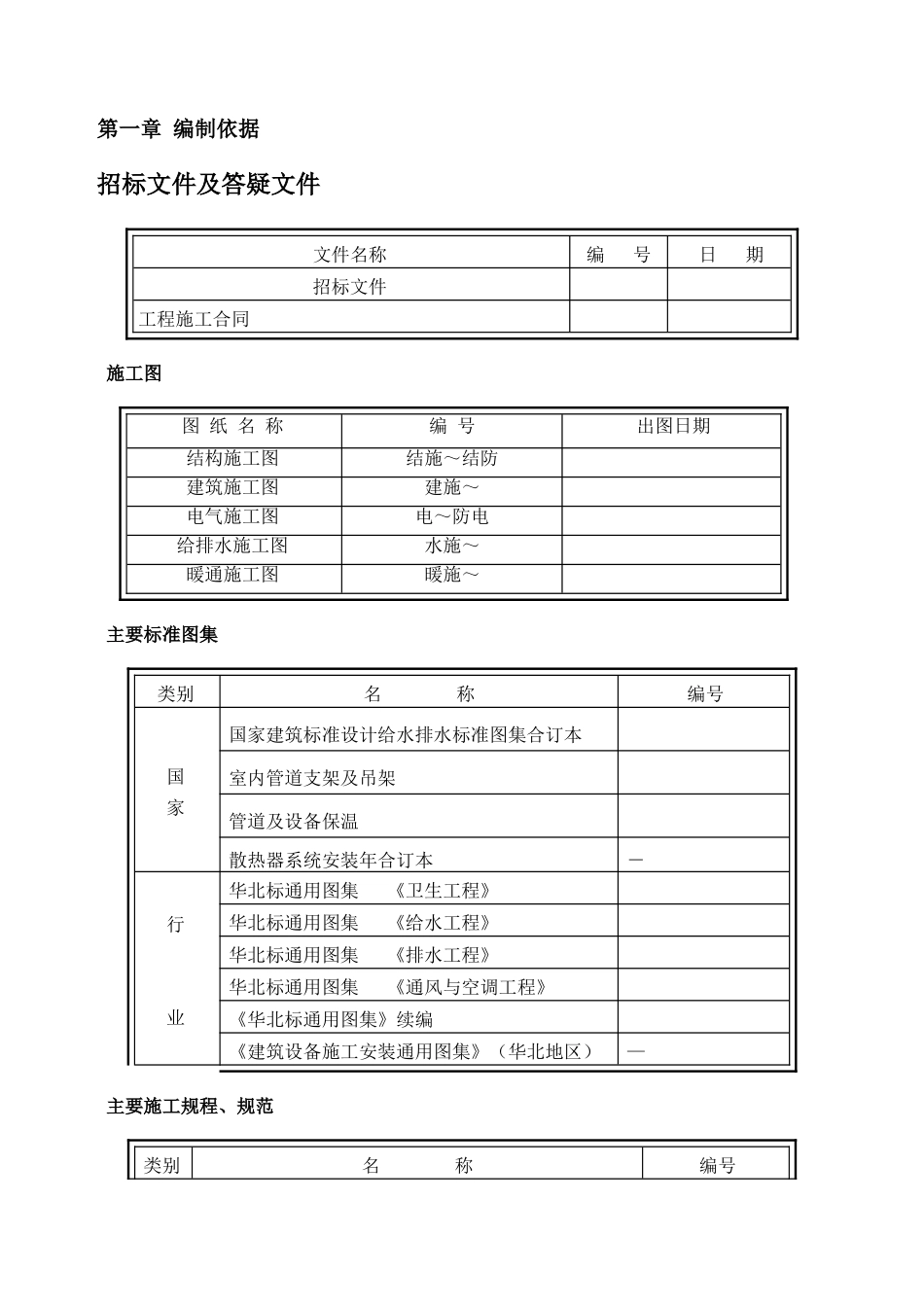
目录第一章编制依据招标文件及答疑文件文件名称编号日期招标文件工程施工合同施工图图纸名称编号出图日期结构施工图结施~结防建筑施工图建施~电气施工图电~防电给排水施工图水施~暖通施工图暖施~主要标准图集类别名称编号国家国家建筑标准设计给水排水标准图集合订本室内管道支架及吊架管道及设备保温散热器系统安装年合订本-行业华北标通用图集《卫生工程》华北标通用图集《给水工程》华北标通用图集《排水工程》华北标通用图集《通风与空调工程》《华北标通用图集》续编《建筑设备施工安装通用图集》(华北地区)—主要施工规程、规范类别名称编号国家《人防工程施工及验收规范》《建筑给水排水及采暖工程施工质量验收规范》《通风与空调工程施工质量验收规范》《自动喷水灭火系统施工及验收规范(年版)》《建筑灭火器配置设计规范》《工业锅炉安装工程施工及验收规范》《制冷设备、空气分离设备安装工程施工及验收规范》《压缩机、风机、泵安装工程施工及验收规范》《机械设备安装工程施工及验收通用规范》《工业金属管道工程施工及验收规范》《现场设备、工业管道焊接工程施工及验收规范》《给水排水管道工程施工及验收规范》《压缩机、风机、泵安装工程施工及验收规范》《工业设备及管道绝热工程施工及验收规范》行业《施工现场临时用电安全技术规范》-《建筑施工高处作业安全技术规程》《建筑工程冬季施工规程》《热水锅炉安全技术监察规程》;()号《压力容器安全技术监察规程》()号《建筑机械使用安全技术规程》地方《建筑工程资料管理工艺规程》北京市建筑安装分项工程施工工艺规程(第六分册)01-26-2003主要标准类别名称编号国家《建筑工程施工质量验收统一标准》地方《建筑结构长城杯工程质量评审标准》《建筑长城杯工程质量评审标准》主要法规类别名称编号国家《中华人民共和国建筑法》《中华人民共和国环境保护法》《建设工程施工现场管理规定》建设部号令《建设工程质量管理条例》国务院令第号《工程建设标准强制性条文(房屋建筑部分)》其他相关文件、我公司编制的工程概算资料;、建筑推广应用和限制禁止使用技术(年);、关于转发建设部《房屋建筑工程市政基础设施工程见证取样和送检的规定》京建质字{}号;、我公司《综合管理手册》;、我公司《综合管理体系文件》;、我公司《施工组织设计管理办法》;、《北京市建设工程现场管理环境保护工作基本标准》;第二章工程概况工程简介项目内容工程名称工程地理位置建设单位勘察单位设计单位监理单位质量监督单位施工单位合同范围合同工期合同质量目标建筑概况序号项目内容建筑功能博物馆、办公楼建筑特点地上为博物馆展厅、交流中心办公及餐厅、行政办公楼、交流中心客房。地下一层为车库、厨房、游泳池。地下二层为车库、设备用房、地下博物馆、游泳池。地下二层车库为六级人防,战时为物资库。建筑面积(㎡)总建筑面积规划用地面积地下面积地上面积建筑层数地上交流中心办公及餐厅博物馆办公楼交流中心客房地下建筑层高()地下部分层高、、地上部分层高、、、建筑高度绝对标高室内外高差、()基底标高、、、最大基坑深度-檐口标高、、、建筑总高度建筑平面横轴编号-纵轴编号横轴距离()、、、、纵轴距离()、、、建筑防火耐火等级一级墙面保温混凝土墙、陶粒砖墙抹厚聚苯颗粒屋面保温厚聚苯板,-厚硬泡体聚氨脂防水保温一体化材料悬挑部位厚聚苯板外装修外墙装修花岗石墙面、玻璃幕墙、仿石涂料墙面等屋面上人屋面仿石砖保护层屋面不上人屋面水泥砂浆屋面内装修顶棚防火乳胶漆顶棚、铝合金条板吊顶、矿棉吸音板吊顶、纸面石膏板吊顶楼(地)面细石混凝土楼地面、水泥楼地面、地砖楼地面、防滑地砖楼地面、大理石楼地面、架空抗静电楼面、环氧自流平地面内墙水泥砂浆墙面、防火乳胶漆墙面、面砖墙面、花岗石墙面门窗普通门窗木门特种门窗防火门等防水工程地下采用改性沥青防水卷材,总厚度3mm3mm。屋面屋面防水等级为一级,采用改性沥青防水卷材,总厚度3mm3mm。室内厚聚氨酯涂膜防水层游泳池无毒防水卷材给排水与采暖概况分部工程系统名称系统概况(注明系统特点、材质及连接方式)建筑给水排水...

1、当您付费下载文档后,您只拥有了使用权限,并不意味着购买了版权,文档只能用于自身使用,不得用于其他商业用途(如 [转卖]进行直接盈利或[编辑后售卖]进行间接盈利)。
2、本站所有内容均由合作方或网友上传,本站不对文档的完整性、权威性及其观点立场正确性做任何保证或承诺!文档内容仅供研究参考,付费前请自行鉴别。
3、如文档内容存在违规,或者侵犯商业秘密、侵犯著作权等,请点击“违规举报”。

碎片内容

工程给排水、通风空调工程施工组织方案(51页)

确认删除?
VIP
微信客服
  • 扫码咨询
会员Q群
  • 会员专属群点击这里加入QQ群
客服邮箱
回到顶部