电脑桌面
添加小米粒文库到电脑桌面
安装后可以在桌面快捷访问

单项工程成本表格(南阳#1机密封瓦检修)XXXX23---XXXX28VIP免费

单项工程成本表格(南阳#1机密封瓦检修)XXXX23---XXXX28_第1页
1/9
单项工程成本表格(南阳#1机密封瓦检修)XXXX23---XXXX28_第2页
2/9
单项工程成本表格(南阳#1机密封瓦检修)XXXX23---XXXX28_第3页
3/9
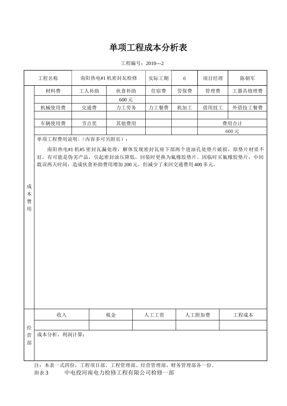
检修一部单项工程管理文件包单项工程管理文件包内容:1、单项工程立项审批表(附表1)2、单项工程成本分析表(附表2)3、劳保用品收货单(附表3)4、租用器械明细表(附表4)5、物资计划申请表(附表5)6、物资计划申请明细表(附表6)7、单项工程成本费用表(附表7)8、单项工程考勤统计表(附表8)9、其它相关费用说明(列表说明)附表1中电投河南电力检修工程有限公司检修一部单项工程立项审批表项目编号:2010---2工程名称南阳热电#1机密封瓦检修项目经理陈朝军计划工期6天竣工日期2010.2.8单项工程概况(内容多可另附页):1.南阳热电#1机#5密封瓦漏处理。2.翻#5瓦检查下瓦。专业汽机锅炉电气热工综合燃料负责人王爱乐人数4工日24外借技工工日力工工日合同价款总成本600元成本费用材料费工人补助伙食补助住宿费劳保费管理费工器具修理费600元机械费交通费力工劳务力工餐费机加工借用技工外借技工餐费费用合计车辆使用费节点奖其他费用工程部意见经营部意见公司领导意见注:本表一式四份,工程项目部、工程管理部、经营管理部、财务管理部各一份。附表2中电投河南电力检修工程有限公司检修一部单项工程成本分析表工程编号:2010---2工程名称南阳热电#1机密封瓦检修实际工期6项目经理陈朝军成本费用材料费工人补助伙食补助住宿费劳保费管理费工器具修理费600元机械使用费交通费力工劳务力工餐费机加工借用技工外借技工餐费车辆使用费节点奖其他费用费用合计600元单项工程费用说明:(内容多可另附页):南阳热电#1机#5密封瓦漏处理,解体发现密封瓦座下部两个进油孔处垫片破损,原垫片材质不好,有可能是伪劣产品,引起密封油压降低,回装时更换为氟橡胶垫片。因临时买氟橡胶垫片,中间耽误两天时间,造成伙食补助费用增加200元,但减少了来回交通费用400多元。经营部收入税金人工工资人工附加费工程成本成本分析、利润计算:注:本表一式四份,工程项目部、工程管理部、经营管理部、财务管理部各一份。附表3中电投河南电力检修工程有限公司检修一部劳保用品收货单销货单位:收货时间:序号品名规格单位数量单价(元)合计(元)合计工程项目及用途:主管:部门:收货:采购:注:本表一式四份,工程项目部、工程管理部、经营管理部、财务管理部各一份。附表4中电投河南电力检修工程有限公司检修一部租用器械明细表序号器械类别用途价格(元)时间经手人备注合计工程项目及用途:注:本表一式四份,工程项目部、工程管理部、经营管理部、财务管理部各一份。中电投河南电力检修工程有限公司检修一部物资计划申请表用料单位工程名称费用来源计划金额公司领导批准:经营部审核:工程部审核:部门审核:编制:200年月日注:本表一式四份,工程项目部、工程管理部、经营管理部、财务管理部各一份。附表6中电投河南电力检修工程有限公司检修一部200年物资计划申请明细表部门:物资类别:序号物质名称规格型号图号单位数量单价合价备注(生产厂家)1.2.3.4.5.6.7.8.9.10.11.12.13.14.15.16.17.合计注:本表一式四份,工程项目部、工程管理部、经营管理部、财务管理部各一份。附表7单项工程成本费用表工程名称:信阳华豫#2机循环水系统A级检修序号名称汽机锅炉电气热工综合其他项目部合计备注1生活费6002工人补助3内借人员4力工费用5力工餐费6节点奖7管理费8住宿费9材料费10机加工11交通费12车辆使用费13机械费14劳务费15劳保费16其他费用小计1工程外委2主材小计合计注:本表一式四份,工程项目部、工程管理部、经营管理部、财务管理部各一份。1、材料费指主材和耗材(分别列出)。2管理费指工程所发生的出入证手续、办公费、招待费等的费用。3、机械使用费指施工过程中所租用的工程车、吊车、货、客车等费用。4、交通费指施工人员乘坐火车、公交车等发生的费用。5、车辆使用费指公司内部车辆使用所发生的各种费用。附表8中电投河南电力检修工程有限公司检修一部单项工程考勤统计表工程编号:2010---2工程名称信阳华豫#2机循环水系统A级检修工程工期6序号姓名专业正常工日加班工日合计工日序号姓名专业正常工日加班工日合计工日1陈朝军汽机62152王爱乐汽机61163刘晓明汽机61174李晓飞汽机6...

1、当您付费下载文档后,您只拥有了使用权限,并不意味着购买了版权,文档只能用于自身使用,不得用于其他商业用途(如 [转卖]进行直接盈利或[编辑后售卖]进行间接盈利)。
2、本站所有内容均由合作方或网友上传,本站不对文档的完整性、权威性及其观点立场正确性做任何保证或承诺!文档内容仅供研究参考,付费前请自行鉴别。
3、如文档内容存在违规,或者侵犯商业秘密、侵犯著作权等,请点击“违规举报”。

碎片内容

单项工程成本表格(南阳#1机密封瓦检修)XXXX23---XXXX28

您可能关注的文档

确认删除?
VIP
微信客服
  • 扫码咨询
会员Q群
  • 会员专属群点击这里加入QQ群
客服邮箱
回到顶部