电脑桌面
添加小米粒文库到电脑桌面
安装后可以在桌面快捷访问

广州市xxx服装有限公司VIP免费

广州市xxx服装有限公司_第1页
1/77
广州市xxx服装有限公司_第2页
2/77
广州市xxx服装有限公司_第3页
3/77
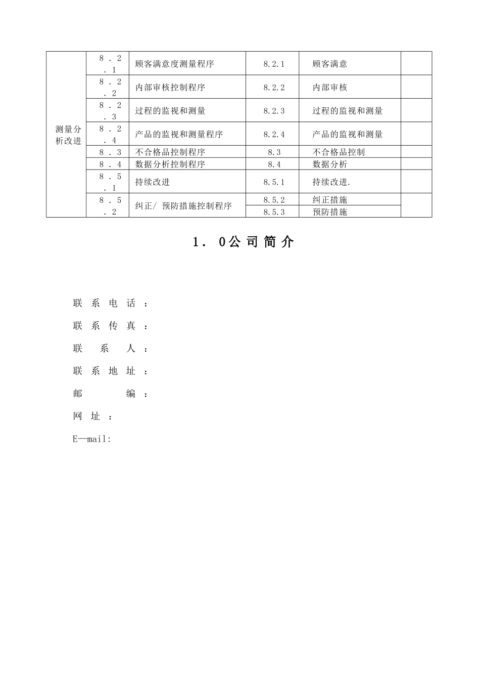
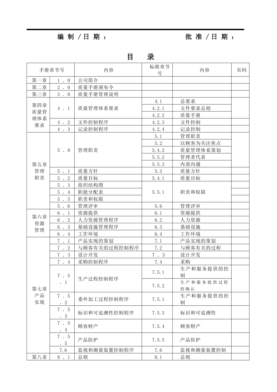
广州市xxx服装有限公司质量手册(包含所有程序文件)文件编号:AYL/QM—2004文件版本:A分发号:2004年元月05日发布2004年元月10日实施编制/日期:批准/日期:目录手册章节号内容标准章节号内容页码第一章1.0公司简介第二章2.0质量手册颁布令第三章3.0质量手册管理说明第四章质量管理体系要求4.1质量管理体系要求4.1总要求4.2.1文件要求总则4.2.2质量手册4.2文件控制程序4.2.3文件控制4.3记录控制程序4.2.4记录控制第五章管理职责5.0管理职责5.1管理职责5.2以顾客为关注焦点5.4.2质量管理体系策划5.5.2管理者代表5.5.3内部沟通5.1质量方针5.3质量方针5.2质量目标5.4.1质量目标5.3组织结构图5.5.1职责和权限5.4职能分配表5.5职责和权限5.6管理评审5.6管理评审第六章资源管理6.1资源提供6.1资源提供6.2人力资源管理程序6.2人力资源6.3基础设施管理程序6.3基础设施6.4工作环境6.4工作环境第七章产品实现7.1产品实现的策划7.1产品实现的策划7.2与顾客有关的过程控制程序7.2与顾客有关的过程7.3设计开发7.3设计开发7.4采购控制程序7.4采购7.5.1生产过程控制程序7.5.1生产和服务提供的控制7.5.2生产和服务提供过程的确认7.5.2委外加工过程控制程序7.5.1生产和服务提供的控制7.5.3标识和可追溯性控制程序7.5.3标识和可追溯性7.5.4顾客财产7.5.4顾客财产7.5.5产品防护7.5.5产品防护7.6监视和测量装置控制程序7.6监视和测量装置控制第八章8.1总则8.1总则测量分析改进8.2.1顾客满意度测量程序8.2.1顾客满意8.2.2内部审核控制程序8.2.2内部审核8.2.3过程的监视和测量8.2.3过程的监视和测量8.2.4产品的监视和测量程序8.2.4产品的监视和测量8.3不合格品控制程序8.3不合格品控制8.4数据分析控制程序8.4数据分析8.5.1持续改进8.5.1持续改进.8.5.2纠正/预防措施控制程序8.5.2纠正措施8.5.3预防措施1.0公司简介联系电话:联系传真:联系人:联系地址:邮编:网址:E—mail:2.0质量手册颁布令本公司质量手册依依据GB/T19001:2000idtISO9001:2000《质量管理体系要求》并结合本公司实际情况编制而成,是本公司质量管理体系有效运行的纲领性文件,是向外界证实本公司具有稳定地提供满足顾客和法律法规要求产品——服装产品的能力的法规性文件。本手册于年月日编制完毕,通过公司总经理总经理的批准,现予以颁发实施,望公司全体上下遵照此文件规定进行工作,确保本公司所建立的质量管理体系得以有效实施。总经理:广州市安约璐服装有限公司2004年元月02日3.0质量手册管理说明1.手册内容本手册系依据GB/T19001:2000idtISO9001:2000《质量管理体系——要求》并结合本公司的实际情况编制而成,主要包括以下内容:a.公司质量管理体系范围,除了7.5.4顾客财产不适用删减外,GB/T19001:2000idtISO19001:2000标准其他过程都已覆盖。b.公司质量管理体系运行需要新增加的和GB/T19001:2000idtISO9001:2000《质量管理体系——要求》要求的程序文件。c.公司质量管理体系所包括各过程的顺序和相互作用的阐述。d.质量方针和质量目标及分质量目标e.质量管理体系组织结构图以及职能分配表f.管理者代表任命书g.质量手册管理说明2.适用范围适用于公司产品服装的设计、生产与销售过程。3.术语和定义本手册除了采用GB/T19000:2000idtISO9000:2000《质量管理体系——基础和术语》中的有关术语和定义外,并对以下术语进行定义规定:(本)公司——广州市安约璐服装有限公司安约璐——广州市安约璐服装有限公司总(副)经理——最高管理者4.本手册为公司质量管理体系文件的一部分,属于受控文件,由公司最高管理者之一总经理批准颁布实施,本手册管理的所有相关事宜均由办公室统一负责,包括编号、发布、更改回收等,未经管理者代表批准,任何人不得以任何理由提供给公司以外人员,手册持有者调离工作岗位时,应将手册直接移交给接替其职位的人员并办理移交手续。5.手册持有者应妥善保管,存放于通风干燥之文件柜或适宜之处,以防潮、防霉、防丢失或不期望情况出现。6.在手册实施期间,若因实际情况需要更改时,应按《文件控制程序》有关规定程序执行。第四章...

1、当您付费下载文档后,您只拥有了使用权限,并不意味着购买了版权,文档只能用于自身使用,不得用于其他商业用途(如 [转卖]进行直接盈利或[编辑后售卖]进行间接盈利)。
2、本站所有内容均由合作方或网友上传,本站不对文档的完整性、权威性及其观点立场正确性做任何保证或承诺!文档内容仅供研究参考,付费前请自行鉴别。
3、如文档内容存在违规,或者侵犯商业秘密、侵犯著作权等,请点击“违规举报”。

碎片内容

广州市xxx服装有限公司

墨香书阁+ 关注
实名认证
内容提供者

热爱教学事业,对互联网知识分享很感兴趣

确认删除?
VIP
微信客服
  • 扫码咨询
会员Q群
  • 会员专属群点击这里加入QQ群
客服邮箱
回到顶部