电脑桌面
添加小米粒文库到电脑桌面
安装后可以在桌面快捷访问

各潜在供应商:VIP免费

各潜在供应商:_第1页
1/15
各潜在供应商:_第2页
2/15
各潜在供应商:_第3页
3/15
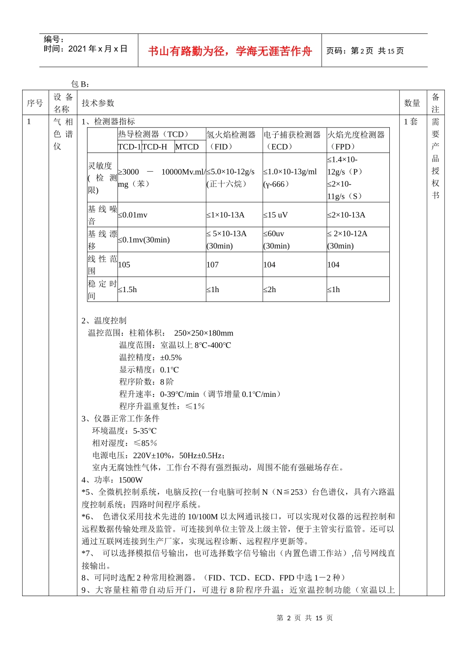
第1页共15页编号:时间:2021年x月x日书山有路勤为径,学海无涯苦作舟页码:第1页共15页各潜在供应商:河南省科教仪器设备招标有限公司受委托,拟对一批教学设备进行招标采购,现将各设备的技术参数及要求上网公示,请各潜在供应商对是否针对某一品牌、是否有明显的排他性等内容提出有关意见。所有意见应于2010年6月18日12:00(北京时间)前以书面形式(注明联系人、联系电话并加盖单位公章)递交至河南省科教仪器设备招标有限公司,逾期不予受理。联系人:冯美禄联系电话:0371-66396893河南省科教仪器设备招标有限公司2010年6月13日包A:序号设备名称技术参数数量备注1双层玻璃反应釜设有加大冷凝器,接收瓶和PTFE切换阀,可进行回流和蒸馏;可用于常温反应,此时可将普通自来水作为冷却水接入夹层玻璃之间,以迅速带走反应热;夹层中接入循环冷冻液,即可进行低温反应;将真空泵与冷凝管的抽气口相接,即可进行真空状态的反应;电子/变频调速,电机无火花;电机与搅拌棒全不锈钢万向节连接,克服运转的附加力,方便安装;特殊PTFE搅拌系统,双轴承支承,特种超硬、绝不磨损、耐腐材料和特种超耐磨PTFE组成旋转密封元件,使仪器的搅拌杆永不磨损,且能耐氯仿等强腐蚀溶剂的浸泡,以长期保证真空<-0.092MPa;PTFE下出料截止阀的结构形式独特,釜内绝无搅拌死角,确保反应充分,毫无泄露;(配循环油浴,真空泵)1台2葡萄糖测定仪采用大屏幕蓝色液晶显示屏,全中文菜单操作系统,具有人机对话功能,使用户无需看说明书,只需按屏幕提示即可进行操作使用。根据用户的使用反馈,全面创新改进了仪器的反应清洗系统,采用新型蠕动泵,性能更优和寿命更长,使仪器的实用性得到了进一步明显强化。仪器配套的PC接口通讯程序对仪器的所有设置操作可通过PC机实现,支持Windows操作系统对仪器进行参数设置,也可对保存于仪器内的数据进行读入和删除。读入PC的数据以专用格式进入保存。1台3纤维素测定仪(科研仪器)采用高质量抗腐蚀材料制成,经久耐用;采用蠕动泵排除样品;蠕动泵流注试剂;带报警的计时器;电子式可变温度设定;独立的试剂和冷却水出口。分析样品量:6个/批,单个样品量:0.5-3.0g1台需要产品授权书4数码生物显微镜放大倍率:40X-1600X;转换器:内倾式内定位五孔转换器;目镜:10X大视野、高眼点平场目镜,视场数Φ20mm;物镜:无限远平场消色差物镜:4×、10×、20×、40×(弹簧)、100×(弹簧,油);聚光镜:N.A.1.25阿贝式聚光镜(带可变光栏);拉照明系统::6V/20W卤素灯(宽电压输入:85V-265V),视场光栏,中心可调6V/30W卤素灯(宽电压输入:85V-265V),视场光栏,中心可调LED冷光源照明系统;320万象素CCD,OPTPRO2008图像处理软件。1台第2页共15页第1页共15页编号:时间:2021年x月x日书山有路勤为径,学海无涯苦作舟页码:第2页共15页包B:序号设备名称技术参数数量备注1气相色谱仪1、检测器指标热导检测器(TCD)氢火焰检测器(FID)电子捕获检测器(ECD)火焰光度检测器(FPD)TCD-1TCD-HMTCD灵敏度(检测限)≥3000-10000Mv.ml/mg(苯)≤5.0×10-12g/s(正十六烷)≤1.0×10-13g/ml(γ-666)≤1.4×10-12g/s(P)≤2×10-11g/s(S)基线噪音≤0.01mv≤1×10-13A≤15uV≤2×10-13A基线漂移≤0.1mv(30min)≤5×10-13A(30min)≤60uv(30min)≤2×10-12A(30min)线性范围105107104104稳定时间≤1.5h≤1h≤2h≤1h2、温度控制温控范围:柱箱体积:250×250×180mm温度范围:室温以上8-400℃℃温控精度:±0.5%显示精度:0.1℃程序阶数:8阶程升速率:0-39/min℃(调节增量0.1/min℃)程序升温重复性:≤1%3、仪器正常工作条件环境温度:5-35℃相对湿度:≤85%电源电压:220V±10%,50Hz±0.5Hz;室内无腐蚀性气体,工作台不得有强烈振动,周围不能有强磁场存在。4、功率:1500W*5、全微机控制系统,电脑反控(一台电脑可控制N(N253≦)台色谱仪,具有六路温度控制系统;四路时间程序系统。*6、色谱仪采用技术先进的10/100M以太网通讯接口,可以实现对仪器的远程控制和远程数据传输处理及监管。可连接到单位主管及上级主管,便于主管实行监管。还可以通过互联网连接到生产厂家...

1、当您付费下载文档后,您只拥有了使用权限,并不意味着购买了版权,文档只能用于自身使用,不得用于其他商业用途(如 [转卖]进行直接盈利或[编辑后售卖]进行间接盈利)。
2、本站所有内容均由合作方或网友上传,本站不对文档的完整性、权威性及其观点立场正确性做任何保证或承诺!文档内容仅供研究参考,付费前请自行鉴别。
3、如文档内容存在违规,或者侵犯商业秘密、侵犯著作权等,请点击“违规举报”。

碎片内容

各潜在供应商:

确认删除?
VIP
微信客服
  • 扫码咨询
会员Q群
  • 会员专属群点击这里加入QQ群
客服邮箱
回到顶部