电脑桌面
添加小米粒文库到电脑桌面
安装后可以在桌面快捷访问

大型吊装工程力学计算与常用材料物理数据概述VIP免费

大型吊装工程力学计算与常用材料物理数据概述_第1页
1/41
大型吊装工程力学计算与常用材料物理数据概述_第2页
2/41
大型吊装工程力学计算与常用材料物理数据概述_第3页
3/41
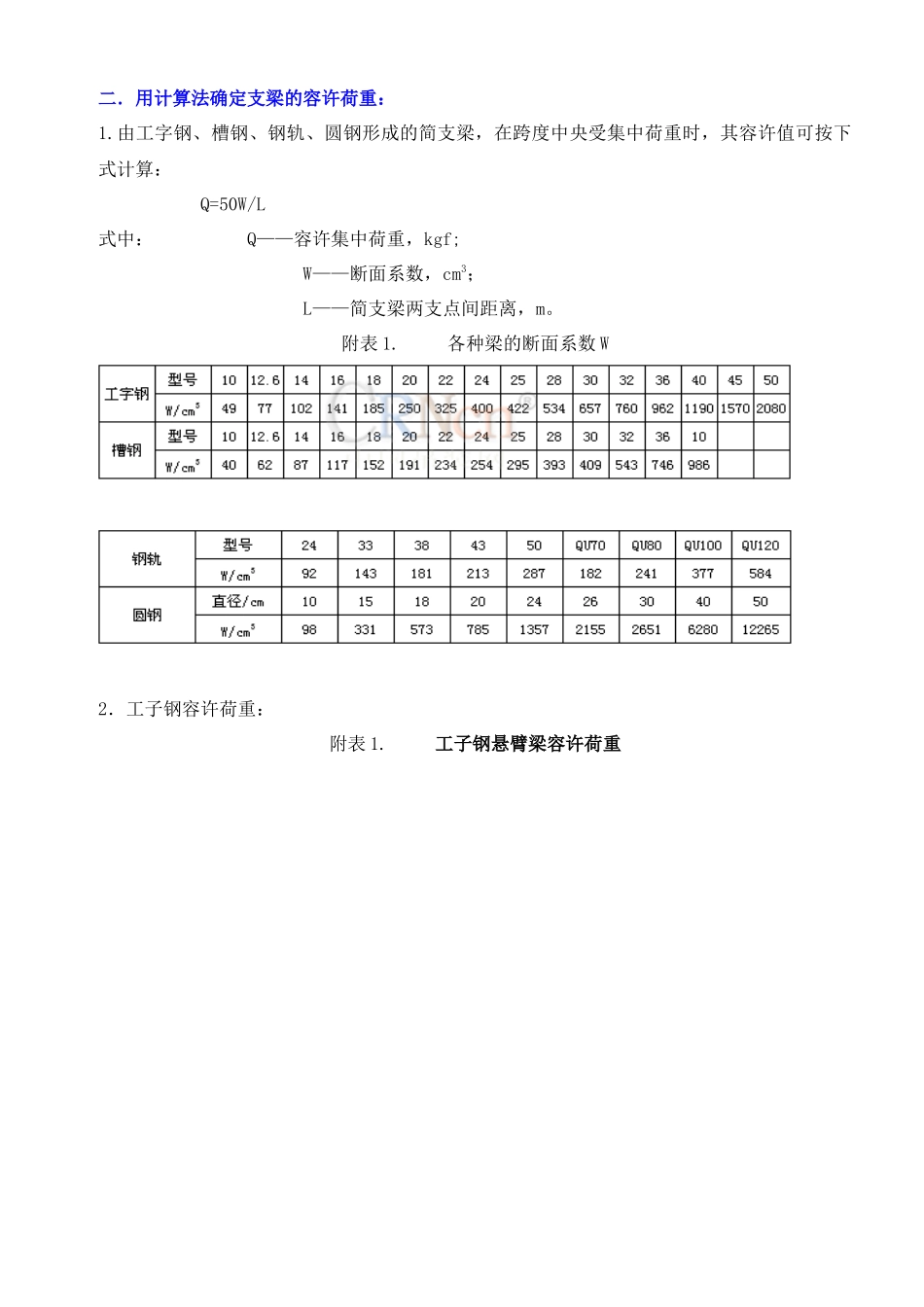
大型吊装工程力学计算及常用材料物理数据一、滚动、滑动摩擦系数附表1.滚动摩擦系数μ附表2.滑动摩擦系数f二.用计算法确定支梁的容许荷重:1.由工字钢、槽钢、钢轨、圆钢形成的简支梁,在跨度中央受集中荷重时,其容许值可按下式计算:Q=50W/L式中:Q——容许集中荷重,kgf;W——断面系数,cm3;L——简支梁两支点间距离,m。附表1.各种梁的断面系数W2.工子钢容许荷重:附表1.工子钢悬臂梁容许荷重注:1.材料为Q235-A;2.允许应力为140MPa。附表2.工子钢简支梁容许荷重注:1.材料为Q235-A;2.允许应力为140MPa。3.几种钢材的断面常数:(一)热轧等边角钢附表1等边角钢断面常数注:1.r1=1/3d,r20,r0=0,r0=0;2.角钢长度:2~4#,长3~9m;4.5~8#,长4~12m;9~14#,长4~19m;16~20#,长6~19;3.一般采用材料:Q215-A、Q235-AF、Q275。(二)热轧普通槽钢附表1热轧普通槽钢断面常数注:1.槽钢长度:5号~8号,长5~12m;10号~18号,长5~19m;20号~40号,长6~19m;2.一般采用材料:Q215~A、Q235~AF、Q275。(三)热轧普通工字钢附表1热轧普通工字钢断面常数注:1.工字钢长度:10号~18号,长5~19m;20号~63号,长6~19m;2.一般采用材料:Q215-A、Q235-AF、Q275。(四)钢轨附表1钢轨断面常数(五)起重机钢轨附表1起重机钢轨断面常数(六)圆形钢管附表1圆形钢管截面的断面常数钢管(几种常用钢管及用角钢加强的钢管)桅杆的中心受压容许压应力折减系数φ附表1钢管(几种常用钢管及用角钢加强的钢管)桅杆的中心受压容许压应力折减系数附表1桅杆钢管(单钢管及用角钢加强的钢管)断面常数轴心受压钢结构件的稳定系数附表1轴心受压钢构件的截面分类附表2Q235钢a类截面轴心受压结构件的稳定系数φ附表3Q235钢b类截面轴心受压构件的稳定系数φ附表416Mn钢、16Mnq钢a类截面轴心受压构件的稳定系数φ附表516Mn钢、16Mnq钢b类截面轴心受压构件的稳定系数φ钢材的容许应力附表1钢材的容许应力(MPa)注;3号镇静钢第2组钢材的容许应力应按表中数值增加5%。附表2焊缝的容许应力(MPa)附表3松木和纵木的容许应力(MPa)附表4除松木和枞木外其他木材容许应力修正系数附表5随木材的湿度而定的容许应力钢材及连接的强度设计值常用受静载荷梁的计算附表1受静载荷梁的计算截面的几何及力学特性附表1截面的几何及力学特性常用几何体的面积、体积及重心位置附表1几何体的面积、体积及重心位置常用单位换算表1单位换算长度单位面积、体积单位质量、力单位压强单位力矩单位应用材料强度单位数学用表及三角形计算公式附表1平方、立方、平方根、立方根、圆周长、圆面积、倒数附表2三角函数(0°~90°)

1、当您付费下载文档后,您只拥有了使用权限,并不意味着购买了版权,文档只能用于自身使用,不得用于其他商业用途(如 [转卖]进行直接盈利或[编辑后售卖]进行间接盈利)。
2、本站所有内容均由合作方或网友上传,本站不对文档的完整性、权威性及其观点立场正确性做任何保证或承诺!文档内容仅供研究参考,付费前请自行鉴别。
3、如文档内容存在违规,或者侵犯商业秘密、侵犯著作权等,请点击“违规举报”。

碎片内容

大型吊装工程力学计算与常用材料物理数据概述

您可能关注的文档

墨香书阁+ 关注
实名认证
内容提供者

热爱教学事业,对互联网知识分享很感兴趣

确认删除?
VIP
微信客服
  • 扫码咨询
会员Q群
  • 会员专属群点击这里加入QQ群
客服邮箱
回到顶部