电脑桌面
添加小米粒文库到电脑桌面
安装后可以在桌面快捷访问

墩身施工安全专项方案VIP免费

墩身施工安全专项方案_第1页
1/40
墩身施工安全专项方案_第2页
2/40
墩身施工安全专项方案_第3页
3/40
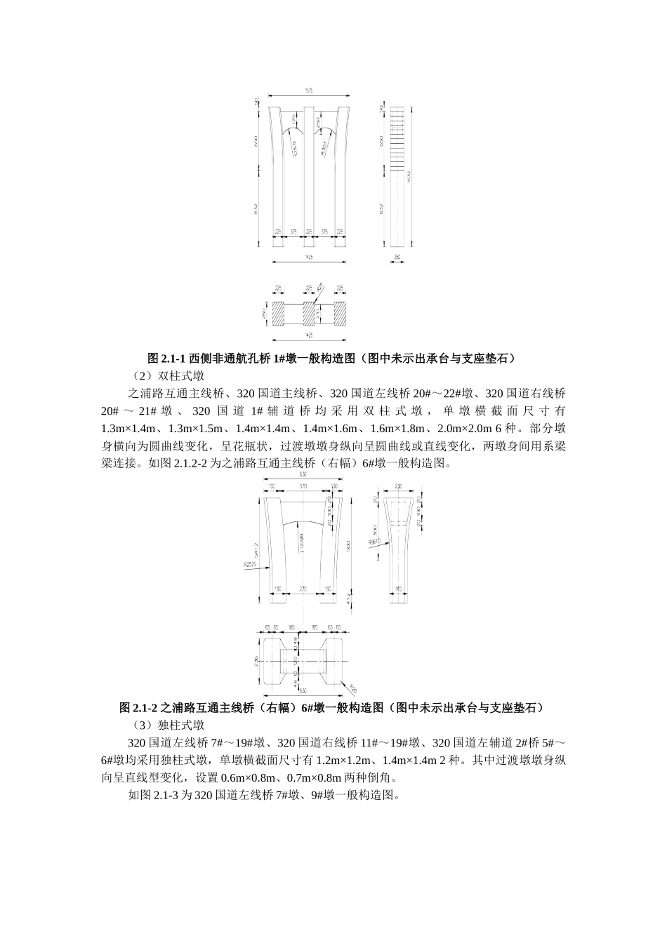
1.编制说明1.1编制依据1)、《中华人民共和国安全生产法》2)、建设部《建设工程安全生产管理条例》(中华人民共和国国务院令第393号);3)、交通部《公路工程施工安全技术规范》(JTJ076-95);4)、《特种设备安全监督条例》;5)、《公路水运工程安全生产监督管理办法》6)、《杭州市交通建设危险性较大工程安全专项施工方案编制及论证审查办法》7)、《杭州市公路水运工程施工人员安全教育培训管理规定》8)、《施工现场临时用电安全技术规范》(JGJ49-88)9)、《浙江省交通建设工程安全生产文明施工的规定》。10)、《中交二公局杭新景高速公路延伸线(之江大桥)工程墩身施工技术方案》1.2编制目的(1)确保施工全过程不发生人员死亡安全事故。(2)确保施工全过程不发生重伤安全事故和职业病伤害事故。(3)减少施工过程中人员一般受伤事故发生几率,杜绝火灾事故的发生,将自然灾害造成的损失降到最低。(4)确保施工全过程人员负伤率低于1%。1.3适用范围杭州市西湖区双铺镇麦岭沙村618号中交二公局杭新景高速公路延伸线(之江大桥)工程第1施工项目部墩身施工及其附属工程的施工。2.工程概况2.1工程简介之江大桥位于钱塘江大桥和钱江五桥之间,连接杭千高速公路与滨江彩虹快速路。该大桥属于钱塘江上规划建设的十座大桥之一,之江大桥建成后对便捷两岸交通、促进杭州市东部经济发展,特别是加快南岸滨江区的城市化进程,无疑具有重要的意义。图1.1-1之江大桥地理位置图之江大桥全长4724m,西侧非通航孔桥为(60+60+60)m预应力砼等高度连续梁桥,东侧非通航孔桥为(60+11×86+60)m变截面连续梁桥。主桥为拱形钢塔钢箱梁双索面三跨连续斜拉桥,其跨径布置116+246+116=478m,采用半漂浮结构体系。2.1.1主要工程构造及工程数量本合同段共有桥墩285个,全部墩身按照柔性墩设计,均为实心墩,根据其结构形式分为4类:三柱式墩、双柱式墩、独柱式墩、板式墩。2.1.2墩身一般构造(1)三柱式墩西非通航孔0#~3#墩均采用三柱式矩形实体墩。0#、1#桥墩截面为2.25m×2.6m矩形,2#、3#桥墩截面为2.75m×3.0m矩形。墩身上部横向为圆曲线,呈花瓶型,1#、2#墩据墩顶50cm处设置一道横梁,0#、3#墩墩顶设置盖梁。如图2.1-1所示为西非通航孔桥1#墩一般构造图。图2.1-1西侧非通航孔桥1#墩一般构造图(图中未示出承台与支座垫石)(2)双柱式墩之浦路互通主线桥、320国道主线桥、320国道左线桥20#~22#墩、320国道右线桥20#~21#墩、320国道1#辅道桥均采用双柱式墩,单墩横截面尺寸有1.3m×1.4m、1.3m×1.5m、1.4m×1.4m、1.4m×1.6m、1.6m×1.8m、2.0m×2.0m6种。部分墩身横向为圆曲线变化,呈花瓶状,过渡墩墩身纵向呈圆曲线或直线变化,两墩身间用系梁梁连接。如图2.1.2-2为之浦路互通主线桥(右幅)6#墩一般构造图。图2.1-2之浦路互通主线桥(右幅)6#墩一般构造图(图中未示出承台与支座垫石)(3)独柱式墩320国道左线桥7#~19#墩、320国道右线桥11#~19#墩、320国道左辅道2#桥5#~6#墩均采用独柱式墩,单墩横截面尺寸有1.2m×1.2m、1.4m×1.4m2种。其中过渡墩墩身纵向呈直线型变化,设置0.6m×0.8m、0.7m×0.8m两种倒角。如图2.1-3为320国道左线桥7#墩、9#墩一般构造图。图2.1-3320国道左线桥7#墩、9#墩一般构造图(图中未示出承台与支座垫石)(4)板式墩320国道左线桥0#~6#墩、320国道右线桥0#~10#墩、320国道左辅道2#桥1#~4#墩、320国道右辅道2#桥1#~6#墩均采用板式墩,单墩截面尺寸有4.7m×1.2m、4.7m×1.4m2种。板式墩横向呈直线变化,变化斜率为1:8,过渡墩纵向呈直线变化,设置0.6m×0.8m、0.7m×0.8m两种倒角。如图2.1-4为320国道左辅道2#桥4#墩一般构造图。图2.1-4320国道左辅道2#桥4#墩一般构造图(图中未示出承台与支座垫石)2.1.3墩身结构一般参数表详见表2.1-1。表2.1-1墩身结构一般参数表桥梁名称墩身数量(个)墩身高度范围(m)(保留一位小数)三柱式墩双柱式墩独柱式墩板式墩小计三柱式墩双柱式墩独柱式墩板式墩西侧非通航孔桥8------815.2~15.7------之浦路互通主线桥--77--77--1.6~12.8----G320主线桥--18----18--1.7~9.2----G320左线桥--376786--7.2~10.44.4...

1、当您付费下载文档后,您只拥有了使用权限,并不意味着购买了版权,文档只能用于自身使用,不得用于其他商业用途(如 [转卖]进行直接盈利或[编辑后售卖]进行间接盈利)。
2、本站所有内容均由合作方或网友上传,本站不对文档的完整性、权威性及其观点立场正确性做任何保证或承诺!文档内容仅供研究参考,付费前请自行鉴别。
3、如文档内容存在违规,或者侵犯商业秘密、侵犯著作权等,请点击“违规举报”。

碎片内容

墩身施工安全专项方案

确认删除?
VIP
微信客服
  • 扫码咨询
会员Q群
  • 会员专属群点击这里加入QQ群
客服邮箱
回到顶部