电脑桌面
添加小米粒文库到电脑桌面
安装后可以在桌面快捷访问

基槽开挖隐蔽工程检查记录VIP免费

基槽开挖隐蔽工程检查记录_第1页
1/37
基槽开挖隐蔽工程检查记录_第2页
2/37
基槽开挖隐蔽工程检查记录_第3页
3/37
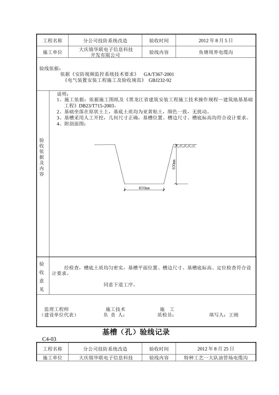
基槽(孔)验线记录C4-03工程名称分公司技防系统改造验收时间2012年7月25日施工单位大庆锦华联电子信息科技开发有限公司验线内容作业三大队电缆沟验线依据:依据《安防视频监控系统技术要求》GA/T367-2001《电气装置安装工程施工及验收规范》GBJ232-92验收依据及内容说明:1、施工依据:依据施工图纸及《黑龙江省建筑安装工程施工技术操作规程—建筑地基基础工程》DB23/T715-2003。2、基础坐落在原状土上,基底土质均为亚黄粘土,颜色一致,无扰动。3、基槽采用人工开挖,几何尺寸正确,基槽位置、槽边尺寸、槽底标高均符合设计要求。4、附剖面图:验收意见经检查,槽底土质均匀密实,基槽平面位置、槽边尺寸、基槽底标高、定位检查符合设计要求。同意下道工序。监理工程师施工技术施工(建设单位代表)负责人:质检员:填写人:王刚基槽(孔)验线记录C4-03工程名称分公司技防系统改造验收时间2012年8月5日施工单位大庆锦华联电子信息科技开发有限公司验线内容鱼塘周界电缆沟验线依据:依据《安防视频监控系统技术要求》GA/T367-2001《电气装置安装工程施工及验收规范》GBJ232-92验收依据及内容说明:1、施工依据:依据施工图纸及《黑龙江省建筑安装工程施工技术操作规程—建筑地基基础工程》DB23/T715-2003。2、基础坐落在原状土上,基底土质均为亚黄粘土,颜色一致,无扰动。3、基槽采用人工开挖,几何尺寸正确,基槽位置、槽边尺寸、槽底标高均符合设计要求。4、附剖面图:验收意见经检查,槽底土质均匀密实,基槽平面位置、槽边尺寸、基槽底标高、定位检查符合设计要求。同意下道工序。监理工程师施工技术施工(建设单位代表)负责人:质检员:填写人:王刚基槽(孔)验线记录C4-03工程名称分公司技防系统改造验收时间2012年8月25日施工单位大庆锦华联电子信息科技验线内容特种工艺一大队油管场电缆沟开发有限公司验线依据:依据《安防视频监控系统技术要求》GA/T367-2001《电气装置安装工程施工及验收规范》GBJ232-92验收依据及内容说明:1、施工依据:依据施工图纸及《黑龙江省建筑安装工程施工技术操作规程—建筑地基基础工程》DB23/T715-2003。2、基础坐落在原状土上,基底土质均为亚黄粘土,颜色一致,无扰动。3、基槽采用人工开挖,几何尺寸正确,基槽位置、槽边尺寸、槽底标高均符合设计要求。4、附剖面图:验收意见经检查,槽底土质均匀密实,基槽平面位置、槽边尺寸、基槽底标高、定位检查符合设计要求。同意下道工序。监理工程师施工技术施工(建设单位代表)负责人:质检员:填写人:王刚基槽(孔)验线记录C4-03工程名称分公司技防系统改造验收时间2012年9月5日施工单位大庆锦华联电子信息科技开发有限公司验线内容特一小队电缆沟验线依据:依据《安防视频监控系统技术要求》GA/T367-2001《电气装置安装工程施工及验收规范》GBJ232-92验收依据及内容说明:1、施工依据:依据施工图纸及《黑龙江省建筑安装工程施工技术操作规程—建筑地基基础工程》DB23/T715-2003。2、基础坐落在原状土上,基底土质均为亚黄粘土,颜色一致,无扰动。3、基槽采用人工开挖,几何尺寸正确,基槽位置、槽边尺寸、槽底标高均符合设计要求。4、附剖面图:验收意见经检查,槽底土质均匀密实,基槽平面位置、槽边尺寸、基槽底标高、定位检查符合设计要求。同意下道工序。监理工程师施工技术施工(建设单位代表)负责人:质检员:填写人:王刚基槽(孔)验线记录C4-03工程名称分公司技防系统改造验收时间2012年8月5日施工单位大庆锦华联电子信息科技开发有限公司验线内容作业三大队周界防范系统电缆沟验线依据:依据《安防视频监控系统技术要求》GA/T367-2001《电气装置安装工程施工及验收规范》GBJ232-92验收依据及内容说明:1、施工依据:依据施工图纸及《黑龙江省建筑安装工程施工技术操作规程—建筑地基基础工程》DB23/T715-2003。2、基础坐落在原状土上,基底土质均为亚黄粘土,颜色一致,无扰动。3、基槽采用人工开挖,几何尺寸正确,基槽位置、槽边尺寸、槽底标高均符合设计要求。4、附剖面图:验收意见经检查,槽底土质均匀密实,基槽平面位置、槽边尺寸、基槽底标高、定位检查符合...

1、当您付费下载文档后,您只拥有了使用权限,并不意味着购买了版权,文档只能用于自身使用,不得用于其他商业用途(如 [转卖]进行直接盈利或[编辑后售卖]进行间接盈利)。
2、本站所有内容均由合作方或网友上传,本站不对文档的完整性、权威性及其观点立场正确性做任何保证或承诺!文档内容仅供研究参考,付费前请自行鉴别。
3、如文档内容存在违规,或者侵犯商业秘密、侵犯著作权等,请点击“违规举报”。

碎片内容

基槽开挖隐蔽工程检查记录

确认删除?
VIP
微信客服
  • 扫码咨询
会员Q群
  • 会员专属群点击这里加入QQ群
客服邮箱
回到顶部