电脑桌面
添加小米粒文库到电脑桌面
安装后可以在桌面快捷访问

建筑工程安全监督程序审查表VIP免费

建筑工程安全监督程序审查表_第1页
1/3
建筑工程安全监督程序审查表_第2页
2/3
建筑工程安全监督程序审查表_第3页
3/3
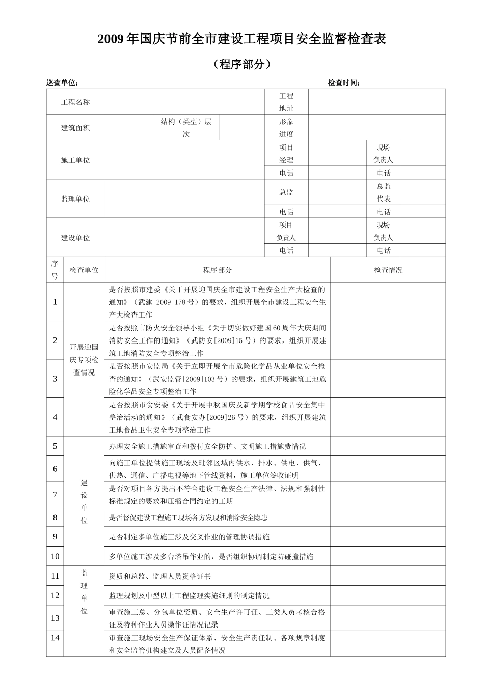
2009年国庆节前全市建设工程项目安全监督检查表(程序部分)巡查单位:检查时间:工程名称工程地址建筑面积结构(类型)层次形象进度施工单位项目经理现场负责人电话电话监理单位总监总监代表电话电话建设单位项目负责人现场负责人电话电话序号检查单位程序部分检查情况1开展迎国庆专项检查情况是否按照市建委《关于开展迎国庆全市建设工程安全生产大检查的通知》(武建[2009]178号)的要求,组织开展全市建设工程安全生产大检查工作2是否按照市防火安全领导小组《关于切实做好建国60周年大庆期间消防安全工作的通知》(武防安[2009]15号)的要求,组织开展建筑工地消防安全专项整治工作3是否按照市安监局《关于立即开展全市危险化学品从业单位安全检查的通知》(武安监管[2009]103号)的要求,组织开展建筑工地危险化学品安全专项整治工作4是否按照市食安委《关于开展中秋国庆及新学期学校食品安全集中整治活动的通知》(武食安办[2009]26号)的要求,组织开展建筑工地食品卫生安全专项整治工作5建设单位办理安全施工措施审查和拨付安全防护、文明施工措施费情况6向施工单位提供施工现场及毗邻区域内供水、排水、供电、供气、供热、通信、广播电视等地下管线资料,施工单位签收证明7是否对项目各方提出不符合建设工程安全生产法律、法规和强制性标准规定的要求和压缩合同约定的工期8是否督促建设工程施工现场各方发现和消除安全隐患9是否制定多单位施工涉及交叉作业的管理协调措施10多单位施工涉及多台塔吊作业的,是否组织协调制定防碰撞措施11监理单位资质和总监、监理人员资格证书12监理规划及中型以上工程监理实施细则的制定情况13审查施工总、分包单位资质、安全生产许可证、三类人员考核合格证及特种作业人员操作证情况记录14审查施工现场安全生产保证体系、安全生产责任制、各项规章制度和安全监管机构建立及人员配备情况15审核施工现场应急救援预案和安全防护、文明施工措施费使用计划情况16审查施工现场起重机械备案、安装(拆除)告知、检测、使用登记等情况17审查施工组织设计中的安全技术措施和危险性较大的分部分项工程安全专项施工方案的编制、审核、论证情况18定期巡视检查危险性较大的工程和实施旁站监理情况19督促、参与分部分项工程检查验收情况20监理单位在实施监理过程中,发现存在安全事故隐患的,是否下达整改;情况严重的,是否要求施工单位暂时停止施工,并及时报告建设单位;施工单位拒不整改或者不停止施工的,是否向有关主管部门报告21施工单位总承包、分包单位资质及安全生产许可证22总承包与分包单位安全生产协议签订情况23总承包、分包单位项目经理、安全员资格证书及三类人员考核合格证书,按规定配备专职安全管理人员情况24特种作业人员操作证书25各分部分项工程履行检查、验收手续情况26施工现场是否按国家和省有关安全生产的法律法规、标准规范及我市《安全质量标准化达标手册》进行安全施工和防护情况27施工现场起重运输设备安装(拆除)告知、报检和使用登记及检查维修保养记录情况28安全生产教育培训制度和各级、各工种的安全生产责任制29重大危险源登记、公示及监控制度和安全生产事故应急救援预案30安全生产事故的报告和调查处理制度和隐患排查专项治理开展情况31安全防护、文明施工措施费用的使用登记制度32施工组织设计及专项施工方案基坑支护与降水工程33土方开挖工程34模板工程35起重吊装工程36高度超过24M的落地式钢管脚手架37附着式升降脚手架(包括整体提升式与分片式)38悬挑式脚手架39吊篮脚手架40卸料平台41施工用电42安全防护43其他危险性较大的工程44建筑幕墙的安装施工建设单位代表:项目总监:项目经理:监督检查人员:注:1、该表主要用于安全施工措施审查后的安全监督检查,施工现场如无该表所列内容做缺项处理;2、施工过程中如有单位、人员及方案的新增和变更则按照该表内容进行补充检查。

1、当您付费下载文档后,您只拥有了使用权限,并不意味着购买了版权,文档只能用于自身使用,不得用于其他商业用途(如 [转卖]进行直接盈利或[编辑后售卖]进行间接盈利)。
2、本站所有内容均由合作方或网友上传,本站不对文档的完整性、权威性及其观点立场正确性做任何保证或承诺!文档内容仅供研究参考,付费前请自行鉴别。
3、如文档内容存在违规,或者侵犯商业秘密、侵犯著作权等,请点击“违规举报”。

碎片内容

建筑工程安全监督程序审查表

海纳百川+ 关注
实名认证
内容提供者

热爱教学事业,对互联网知识分享很感兴趣

确认删除?
VIP
微信客服
  • 扫码咨询
会员Q群
  • 会员专属群点击这里加入QQ群
客服邮箱
回到顶部