电脑桌面
添加小米粒文库到电脑桌面
安装后可以在桌面快捷访问

钢筋工程绑扎及安装工程技术交底VIP免费

钢筋工程绑扎及安装工程技术交底_第1页
1/4
钢筋工程绑扎及安装工程技术交底_第2页
2/4
钢筋工程绑扎及安装工程技术交底_第3页
3/4
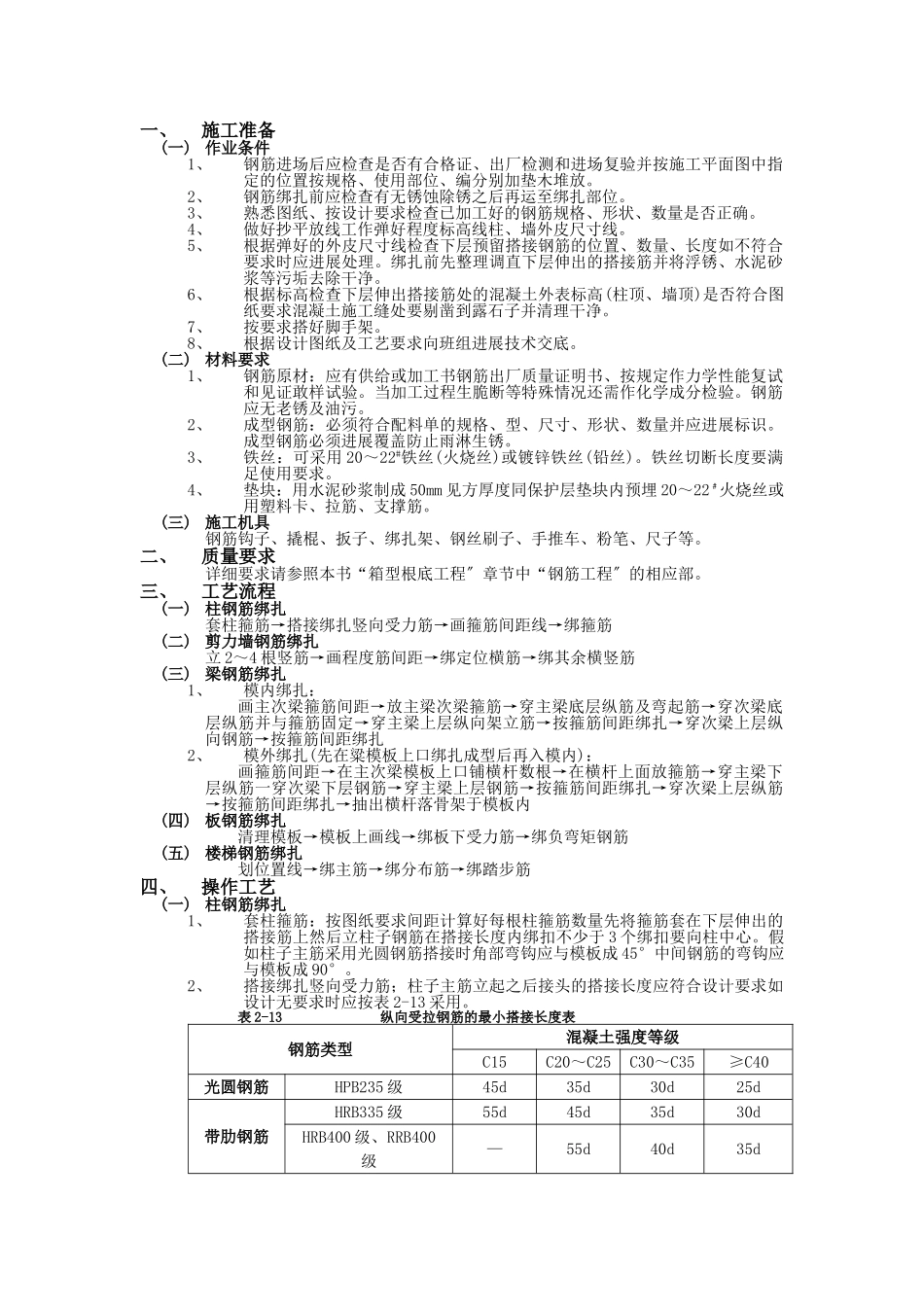
一、施工准备(一)作业条件1、钢筋进场后应检查是否有合格证、出厂检测和进场复验并按施工平面图中指定的位置按规格、使用部位、编分别加垫木堆放。2、钢筋绑扎前应检查有无锈蚀除锈之后再运至绑扎部位。3、熟悉图纸、按设计要求检查已加工好的钢筋规格、形状、数量是否正确。4、做好抄平放线工作弹好程度标高线柱、墙外皮尺寸线。5、根据弹好的外皮尺寸线检查下层预留搭接钢筋的位置、数量、长度如不符合要求时应进展处理。绑扎前先整理调直下层伸出的搭接筋并将浮锈、水泥砂浆等污垢去除干净。6、根据标高检查下层伸出搭接筋处的混凝土外表标高(柱顶、墙顶)是否符合图纸要求混凝土施工缝处要剔凿到露石子并清理干净。7、按要求搭好脚手架。8、根据设计图纸及工艺要求向班组进展技术交底。(二)材料要求1、钢筋原材:应有供给或加工书钢筋出厂质量证明书、按规定作力学性能复试和见证敢样试验。当加工过程生脆断等特殊情况还需作化学成分检验。钢筋应无老锈及油污。2、成型钢筋:必须符合配料单的规格、型、尺寸、形状、数量并应进展标识。成型钢筋必须进展覆盖防止雨淋生锈。3、铁丝:可采用20~22#铁丝(火烧丝)或镀锌铁丝(铅丝)。铁丝切断长度要满足使用要求。4、垫块:用水泥砂浆制成50mm见方厚度同保护层垫块内预埋20~22﹟火烧丝或用塑料卡、拉筋、支撑筋。(三)施工机具钢筋钩子、撬棍、扳子、绑扎架、钢丝刷子、手推车、粉笔、尺子等。二、质量要求详细要求请参照本书“箱型根底工程〞章节中“钢筋工程〞的相应部。三、工艺流程(一)柱钢筋绑扎套柱箍筋→搭接绑扎竖向受力筋→画箍筋间距线→绑箍筋(二)剪力墙钢筋绑扎立2~4根竖筋→画程度筋间距→绑定位横筋→绑其余横竖筋(三)梁钢筋绑扎1、模内绑扎:画主次梁箍筋间距→放主梁次梁箍筋→穿主梁底层纵筋及弯起筋→穿次梁底层纵筋并与箍筋固定→穿主梁上层纵向架立筋→按箍筋间距绑扎→穿次梁上层纵向钢筋→按箍筋间距绑扎2、模外绑扎(先在粱模板上口绑扎成型后再入模内):画箍筋间距→在主次梁模板上口铺横杆数根→在横杆上面放箍筋→穿主梁下层纵筋一穿次梁下层钢筋→穿主梁上层钢筋→按箍筋间距绑扎→穿次梁上层纵筋→按箍筋间距绑扎→抽出横杆落骨架于模板内(四)板钢筋绑扎清理模板→模板上画线→绑板下受力筋→绑负弯矩钢筋(五)楼梯钢筋绑扎划位置线→绑主筋→绑分布筋→绑踏步筋四、操作工艺(一)柱钢筋绑扎1、套柱箍筋:按图纸要求间距计算好每根柱箍筋数量先将箍筋套在下层伸出的搭接筋上然后立柱子钢筋在搭接长度内绑扣不少于3个绑扣要向柱中心。假如柱子主筋采用光圆钢筋搭接时角部弯钩应与模板成45°中间钢筋的弯钩应与模板成90°。2、搭接绑扎竖向受力筋;柱子主筋立起之后接头的搭接长度应符合设计要求如设计无要求时应按表2-13采用。表2-13纵向受拉钢筋的最小搭接长度表钢筋类型混凝土强度等级C15C20~C25C30~C35≥C40光圆钢筋HPB235级45d35d30d25d带肋钢筋HRB335级55d45d35d30dHRB400级、RRB400级—55d40d35d注:两根直径不同钢筋的搭接长度以较细钢筋的直径计算。3、柱竖向筋采用机械或焊接连接时按要求同一段面50接头位置。第一步接头距楼板面大于500mm且大于H/6不在箍筋加区。4、画箍筋间距线:在立好的柱子竖向钢筋上按图纸要求用粉笔划箍筋间距线。5、柱箍筋绑扎:(1)按已划好的箍筋位置线将已套好的箍筋往上挪动由上往下绑扎宜采用缠扣绑扎如图2-15。(2)箍筋与主筋要垂直箍筋转角处与主筋交点均要绑扎主筋与箍筋非转角部的相交点成梅花交织绑扎。(3)箍筋的弯钩叠合处应沿拄子竖筋交织布置并绑扎结实见图2-16。(4)有抗震要求的地区柱箍筋端头应弯成135°平直部长度不小于10d(d为箍筋直径)见图2-17。(5)柱上下两端箍筋应加加区长度及加区内箍筋问距应符合设计图纸及施工不大于100mm且不大于5d的要求(d为主筋直径)。如设计要求箍筋设拉筋时拉筋应钩住箍筋见图2-18。(6)柱筋保护层厚度应符合要求如主筋外皮为25mm垫块应绑在柱竖筋外皮上间距一般1000mm(或用塑料卡卡在外竖筋上)以保证主筋保护层厚度准确。同时可采用钢筋定距框来保证钢筋位置的正确性。当柱截面尺寸有变化时柱应在板内弯折弯后的...

1、当您付费下载文档后,您只拥有了使用权限,并不意味着购买了版权,文档只能用于自身使用,不得用于其他商业用途(如 [转卖]进行直接盈利或[编辑后售卖]进行间接盈利)。
2、本站所有内容均由合作方或网友上传,本站不对文档的完整性、权威性及其观点立场正确性做任何保证或承诺!文档内容仅供研究参考,付费前请自行鉴别。
3、如文档内容存在违规,或者侵犯商业秘密、侵犯著作权等,请点击“违规举报”。

碎片内容

钢筋工程绑扎及安装工程技术交底

您可能关注的文档

海纳百川+ 关注
实名认证
内容提供者

热爱教学事业,对互联网知识分享很感兴趣

确认删除?
VIP
微信客服
  • 扫码咨询
会员Q群
  • 会员专属群点击这里加入QQ群
客服邮箱
回到顶部