电脑桌面
添加小米粒文库到电脑桌面
安装后可以在桌面快捷访问

工程变更(完善)设计申报资料VIP免费

工程变更(完善)设计申报资料_第1页
1/9
工程变更(完善)设计申报资料_第2页
2/9
工程变更(完善)设计申报资料_第3页
3/9
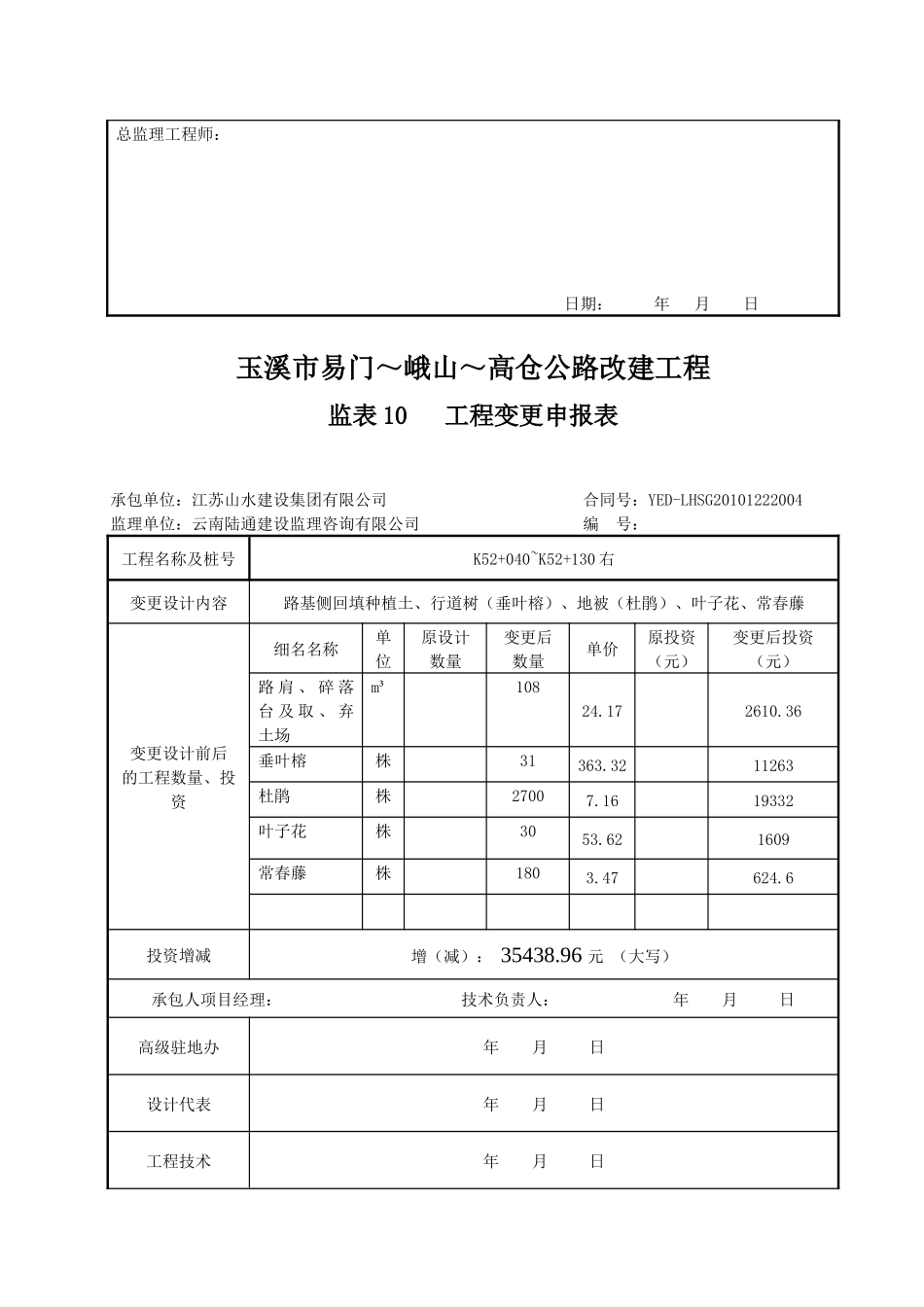
玉溪市易门~峨山~高仓公路改建工程绿化第四合同段工程变更(完善)设计申报资料申报编号:YED-LHSG20101222004-承包单位:江苏山水建设集团有限公司监理单位:云南陆通建设监理咨询有限公司建设单位:玉溪市易峨高公路建设指挥部申报日期:2011年月日玉溪市易门~峨山~高仓公路改建工程监表09工程变更令承包单位:江苏山水建设集团有限公司合同号:YED-LHSG20101222004监理单位:云南陆通建设监理咨询有限公司编号:变更理由及要点说明:经现场勘察,此段具备绿化施工条件,可进行乔木及灌木(地被)的栽植,不仅能达到景观再造、协调公路与周围环境关系等的绿化景观效果,且能达到防尘隔音、遮挡周边废渣土及废弃施工垃圾的实际效果。清单编号项目名称单位原设计数量变更后数量变更增加变更减少702-2-3路肩、碎落台及取、弃土场m³108108704-1-6-24垂叶榕株3131704-2-1-1杜鹃株27002700704-2-3-12叶子花株3030704-3-4-2常春藤株180180变更金额合计(元):35438.96元附件:工程变更现场处理卡、完善设计图总监理工程师:日期:年月日玉溪市易门~峨山~高仓公路改建工程监表10工程变更申报表承包单位:江苏山水建设集团有限公司合同号:YED-LHSG20101222004监理单位:云南陆通建设监理咨询有限公司编号:工程名称及桩号K52+040~K52+130右变更设计内容路基侧回填种植土、行道树(垂叶榕)、地被(杜鹃)、叶子花、常春藤变更设计前后的工程数量、投资细名名称单位原设计数量变更后数量单价原投资(元)变更后投资(元)路肩、碎落台及取、弃土场m³10824.172610.36垂叶榕株31363.3211263杜鹃株27007.1619332叶子花株3053.621609常春藤株1803.47624.6投资增减增(减):35438.96元(大写)承包人项目经理:技术负责人:年月日高级驻地办年月日设计代表年月日工程技术年月日合同处年月日总监理工程师合同处年月日总工程师年月日业主年月日玉溪市易门~峨山~高仓公路改建工程监表10-1工程变更设计现场处理卡承包单位:江苏山水建设集团有限公司合同段号:YED-LHSG20101222004监理单位:云南陆通建设监理咨询有限公司编号:工程名称路基侧绿化起止桩号K52+040~K52+130右处理日期2011年9月30日变更(完善)原因:经现场勘察,此段具备绿化施工条件,可进行乔木、灌木(地被)及爬藤植物的栽植,不仅能达到景观再造、协调公路与周围环境关系等的绿化景观效果,且能达到防尘隔音、遮挡周边废渣土及废弃施工垃圾的实际效果。处理意见(变更(完善)方案、原则、要求、简图):因地制宜,合理构建完整的公路景观体系,坚持生态性、安全性、协调性、服务性原则,突出地方特色(红色记忆—花鼓之乡),根据当地气候条件选择适宜树种,及指挥部《易峨高公路改建工程峨山段绿化工程会议纪要》中提出的针对各施工地点的详细设计具体意见第4条“按适地适树原则,峨山县住建局园林绿化站建议乔木以三角枫、垂叶榕、香樟、滇朴、高山榕、清香木为主。灌木以杜鹃、鸭脚木、叶子花、野蔷薇为主。藤本以常春藤、英格藤、五爪金龙为主。竹子按5株一丛栽植。”为基础。路基侧绿化选择乔木垂叶榕为行道树间距3m,中间间植叶子花(冠幅50-80cm,含80cm),地被植物选择杜鹃。爬藤植物选择常春藤。四方代表会签施工单位监理单位设计单位建设单位玉溪市易门~峨山~高仓公路改建工程监表10-2工程变更数量及金额汇总表承包单位:江苏山水建设集团有限公司合同号:YED-LHSG20101222004监理单位:云南陆通建设监理咨询有限公司编号:细目编号细目名称单位合同单价补充单价变更数量变更金额(元)增加减少增加减少702-2-3路肩、碎落台及取、弃土场m³24.171082610.36704-1-6-24垂叶榕株363.323111263704-2-1-1杜鹃株7.16270019332704-2-3-12叶子花株53.62301609704-3-4-2常春藤株3.47180624.6变更金额合计(元):增加:35438.96元减少:人员:承包人计算承包人复核专业监理工程师驻地高监签名:玉溪市易门~峨山~高仓公路改建工程监表10-3工程变更设计工程数量计算书承包单位:江苏山水建设集团有限公司合同号:YED-LHSG20101222004监理单位:云南陆通建设监理咨询有限公司编号:简图、计算式及说明:附件:1.变更...

1、当您付费下载文档后,您只拥有了使用权限,并不意味着购买了版权,文档只能用于自身使用,不得用于其他商业用途(如 [转卖]进行直接盈利或[编辑后售卖]进行间接盈利)。
2、本站所有内容均由合作方或网友上传,本站不对文档的完整性、权威性及其观点立场正确性做任何保证或承诺!文档内容仅供研究参考,付费前请自行鉴别。
3、如文档内容存在违规,或者侵犯商业秘密、侵犯著作权等,请点击“违规举报”。

碎片内容

工程变更(完善)设计申报资料

海纳百川+ 关注
实名认证
内容提供者

热爱教学事业,对互联网知识分享很感兴趣

确认删除?
VIP
微信客服
  • 扫码咨询
会员Q群
  • 会员专属群点击这里加入QQ群
客服邮箱
回到顶部