电脑桌面
添加小米粒文库到电脑桌面
安装后可以在桌面快捷访问

屋面工程施工方案(41页)VIP免费

屋面工程施工方案(41页)_第1页
1/24
屋面工程施工方案(41页)_第2页
2/24
屋面工程施工方案(41页)_第3页
3/24
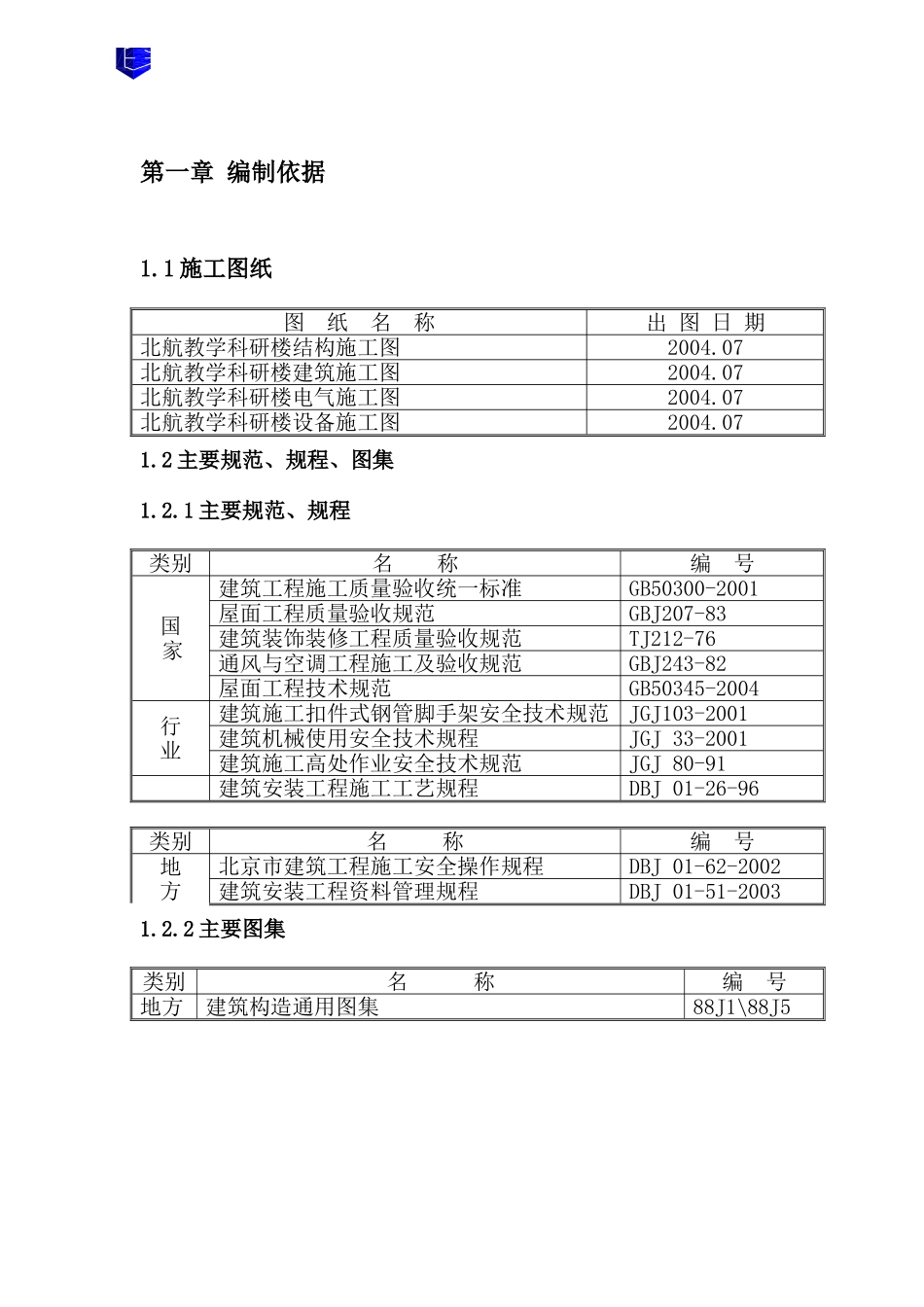
第一章编制依据1.1施工图纸图纸名称出图日期北航教学科研楼结构施工图2004.07北航教学科研楼建筑施工图2004.07北航教学科研楼电气施工图2004.07北航教学科研楼设备施工图2004.071.2主要规范、规程、图集1.2.1主要规范、规程类别名称编号国家建筑工程施工质量验收统一标准GB50300-2001屋面工程质量验收规范GBJ207-83建筑装饰装修工程质量验收规范TJ212-76通风与空调工程施工及验收规范GBJ243-82屋面工程技术规范GB50345-2004行业建筑施工扣件式钢管脚手架安全技术规范JGJ103-2001建筑机械使用安全技术规程JGJ33-2001建筑施工高处作业安全技术规范JGJ80-91建筑安装工程施工工艺规程DBJ01-26-96类别名称编号地方北京市建筑工程施工安全操作规程DBJ01-62-2002建筑安装工程资料管理规程DBJ01-51-20031.2.2主要图集类别名称编号地方建筑构造通用图集88J1\88J5第二章工程概况2.1工程简介北京航空航天大学东南区教学科研楼工程为现浇钢筋混凝土框架-抗震墙结构,集教学、科研、国际交流于一体。地上主体部分11层,局部6层;地下2层,为车库及设备用房;中心区地上1层,地下1层、局部两层,为学术交流使用。工程总占地面积为64308m2,总建筑面积为216500m2,其中地上部分174647.3m2,地下部分41852.7m2;容积率2.72。±0.000相当于绝对标高49.60m,屋面工程总面积14900m22.2屋面做法简介2.2.1架空屋面做法(A,G座11层)1、广场砖,用10厚水泥砂浆铺卧;2、130厚500×500预制架空板,用1:4水泥增稠粉砂浆铺砌,架空板侧边粘二块2-5厚发泡橡胶块,以形成宽缝、排水、通风;3、20厚1:3水泥砂浆保护层;4、两层三元乙丙丁基橡胶防水卷材组合;5、20厚1:3水泥砂浆找平层;6、最薄30厚1:0.2:3.5(重量比)水泥、粉煤灰、页岩陶粒,找1.5%坡;7、50厚聚苯保温板,容重大于30Kg/m³;8、现制刚性防水钢筋混凝土屋面板。2.2.2屋3-B1-Ⅱ1改B(3~6层内庭;3、7、11层屋顶平台)1、10厚广场砖用1:3水泥砂浆铺卧离缝3宽,用砂填满;2、3厚麻刀灰或纸筋灰隔离层;3、两层三元乙丙丁基橡胶防水卷材组合,厚度≥1.5+1.2;4、20厚1:3水泥砂浆找平层;5、最薄30厚1:0.2:3.5(重量比)水泥、粉煤灰、页岩陶粒,找1.5%坡;6、50厚聚苯保温板,容重大于30Kg/m³;7、现制刚性防水钢筋混凝土屋面板。2.2.3种植土屋面(中心区)1、专用种植土;2、过滤布(土工布);3、隔根层;4、60厚C20钢筋混凝土保护层;5、20厚1:5水泥增稠粉砂浆找微坡;6、两层三元乙丙丁基橡胶防水卷材组合;7、20厚1:5水泥增稠粉砂浆找平层;8、50厚挤塑苯板;9、隔气层:1.5厚聚合物水泥基复合防水涂料;10、20厚1:3水泥砂浆找平层;11、钢筋混凝土屋面板。2.2.4种植土屋面(七层花池)1、专用种植土;2、过滤布(土工布);3、蓄排水盘;4、滤水层;5、聚脂无纺布保湿毯6、隔根层;7、聚脂无纺布;8、两层三元乙丙丁基橡胶防水卷材组合;9、20厚1:3水泥砂浆找平层;10、最薄30厚1:0.2:3.5水泥粉煤灰找1.5%坡;11、20厚1:5水泥增稠粉砂浆找平层;12、50厚挤塑苯板;13、钢筋混凝土屋面板。2.2.5屋-B(3~6层内庭院)1、20厚厚花岗石(正背面及四周满涂防污剂)灌彩色水泥浆擦缝;2、撒素水泥面(撒适量清水);3、30厚1:3干硬性水泥砂浆粘结层;4、2.5厚单组聚氨脂涂膜防水层;5、20厚1:3水泥砂浆找平层;6、20厚1:0.2:3.5(重量比)水泥、粉煤灰、页岩陶粒,找1.5%坡;7、现制刚性防水钢筋混凝土板;8、25厚有机硅保温涂料。2.2.6花岗岩屋面(中心区)1、60厚毛面花岗石板面层;2、30厚干性水泥砂浆粘结层;3、60厚C20钢筋混凝土保护层;4、20厚1:3水泥砂浆保护层;5、两层三元乙丙丁基橡胶防水卷材组合;6、20厚1:5水泥增稠粉砂浆找平层;7、最薄30厚1:0.2:3.5(重量比)水泥、粉煤灰、页岩陶粒,找1.5%坡;8、50厚聚苯板,容重大于30Kg/m³;9、隔气层:1.5厚聚合物水泥基复合防水涂料;10、1:5水泥砂浆增稠砂浆找平层;11、现制刚性防水钢筋混凝土屋面板。2.2.7屋3-B1-Ⅱ1改A(首层内庭院)1、30厚花岗石(正背面满涂防污剂)灌彩色水泥浆擦缝;2、撒素水泥面(撒适量清水);3、30厚1:3干硬性水泥砂浆粘结层;...

1、当您付费下载文档后,您只拥有了使用权限,并不意味着购买了版权,文档只能用于自身使用,不得用于其他商业用途(如 [转卖]进行直接盈利或[编辑后售卖]进行间接盈利)。
2、本站所有内容均由合作方或网友上传,本站不对文档的完整性、权威性及其观点立场正确性做任何保证或承诺!文档内容仅供研究参考,付费前请自行鉴别。
3、如文档内容存在违规,或者侵犯商业秘密、侵犯著作权等,请点击“违规举报”。

碎片内容

屋面工程施工方案(41页)

您可能关注的文档

确认删除?
VIP
微信客服
  • 扫码咨询
会员Q群
  • 会员专属群点击这里加入QQ群
客服邮箱
回到顶部