电脑桌面
添加小米粒文库到电脑桌面
安装后可以在桌面快捷访问

安全生产管理目标考核表(年月)VIP免费

安全生产管理目标考核表(年月)_第1页
1/11
安全生产管理目标考核表(年月)_第2页
2/11
安全生产管理目标考核表(年月)_第3页
3/11
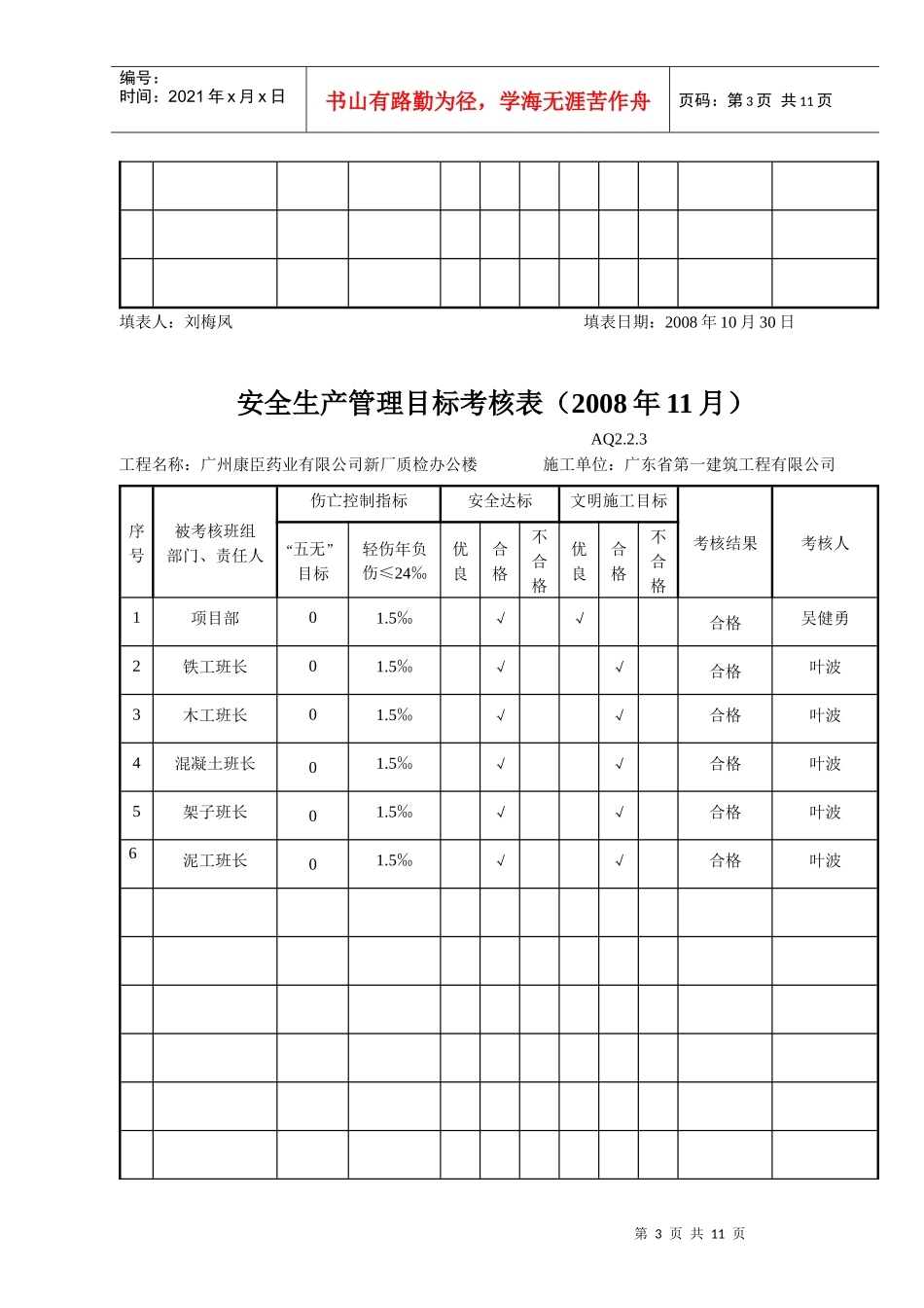
第1页共11页编号:时间:2021年x月x日书山有路勤为径,学海无涯苦作舟页码:第1页共11页安全生产管理目标考核表(2009年11月)AQ2.2.3工程名称:美赞臣营养品(中国)有限公司厂房扩建、改造工程施工单位:广州市建协建设有限公司序号被考核班组部门、责任人伤亡控制指标安全达标文明施工目标考核结果考核人“五无”目标轻伤年负伤≤24‰优良合格不合格优良合格不合格1项目部01.5‰√√优良郑振镇2铁工班长01.5‰√√优良黄石3电工班长01.5‰√√合格焦峰4木工班长01.5‰√√合格周祥平5混凝土班长01.5‰√√合格张洪第2页共11页第1页共11页编号:时间:2021年x月x日书山有路勤为径,学海无涯苦作舟页码:第2页共11页填表人:戴利剑填表日期:2009年11月30日安全生产管理目标考核表(2008年10月)AQ2.2.3工程名称:广州康臣药业有限公司新厂质检办公楼施工单位:广东省第一建筑工程有限公司序号被考核班组部门、责任人伤亡控制指标安全达标文明施工目标考核结果考核人“五无”目标轻伤年负伤≤24‰优良合格不合格优良合格不合格1项目部01.5‰√√优良吴健勇2铁工班长01.5‰√√合格叶波3木工班长01.5‰√√合格叶波4混凝土班长01.5‰√√合格叶波5架子班长01.5‰√√合格叶波第3页共11页第2页共11页编号:时间:2021年x月x日书山有路勤为径,学海无涯苦作舟页码:第3页共11页填表人:刘梅凤填表日期:2008年10月30日安全生产管理目标考核表(2008年11月)AQ2.2.3工程名称:广州康臣药业有限公司新厂质检办公楼施工单位:广东省第一建筑工程有限公司序号被考核班组部门、责任人伤亡控制指标安全达标文明施工目标考核结果考核人“五无”目标轻伤年负伤≤24‰优良合格不合格优良合格不合格1项目部01.5‰√√合格吴健勇2铁工班长01.5‰√√合格叶波3木工班长01.5‰√√合格叶波4混凝土班长01.5‰√√合格叶波5架子班长01.5‰√√合格叶波6泥工班长01.5‰√√合格叶波第4页共11页第3页共11页编号:时间:2021年x月x日书山有路勤为径,学海无涯苦作舟页码:第4页共11页填表人:刘梅凤填表日期:2008年11月30日安全生产管理目标考核表(2008年12月)AQ2.2.3工程名称:广州康臣药业有限公司新厂质检办公楼施工单位:广东省第一建筑工程有限公司序号被考核班组部门、责任人伤亡控制指标安全达标文明施工目标考核结果考核人“五无”目标轻伤年负伤≤24‰优良合格不合格优良合格不合格1项目部01.5‰√√优良吴健勇2泥工班长01.5‰√√优良叶波3泥工班长01.5‰√√优良叶波4铝窗班长01.5‰√√优良叶波第5页共11页第4页共11页编号:时间:2021年x月x日书山有路勤为径,学海无涯苦作舟页码:第5页共11页填表人:刘梅凤填表日期:2008年12月30日安全生产管理目标考核表(2009年1月)AQ2.2.3工程名称:广州康臣药业有限公司新厂质检办公楼施工单位:广东省第一建筑工程有限公司序号被考核班组部门、责任人伤亡控制指标安全达标文明施工目标考核结果考核人“五无”目标轻伤年负伤≤24‰优良合格不合格优良合格不合格1项目部01.5‰√√优良吴健勇2泥工班长01.5‰√√合格叶波3泥工班长01.5‰√√合格叶波4铝窗班长01.5‰√√合格叶波第6页共11页第5页共11页编号:时间:2021年x月x日书山有路勤为径,学海无涯苦作舟页码:第6页共11页填表人:刘梅凤填表日期:2009年1月30日安全生产管理目标考核表(2009年2月)AQ2.2.3工程名称:广州康臣药业有限公司新厂质检办公楼施工单位:广东省第一建筑工程有限公司序号被考核班组部门、责任人伤亡控制指标安全达标文明施工目标考核结果考核人“五无”目标轻伤年负伤≤24‰优良合格不合格优良合格不合格1项目部01.5‰√√优良吴健勇2泥工班长01.5‰√√合格叶波3油漆班长01.5‰√√合格叶波4水电班长01.5‰√√合格叶波第7页共11页第6页共11页编号:时间:2021年x月x日书山有路勤为径,学海无涯苦作舟页码:第7页共11页填表人:刘梅凤填表日期:2009年2月28日安全生产管理目标考核表(2009年3月)AQ2.2.3工程名称:广州康臣药业有限公司新厂质检办公楼施工单位:广东省第一建筑工程有限公司序号被考核班组部门、责任人伤亡控制指标安全达标文明施工目标考核结果...

1、当您付费下载文档后,您只拥有了使用权限,并不意味着购买了版权,文档只能用于自身使用,不得用于其他商业用途(如 [转卖]进行直接盈利或[编辑后售卖]进行间接盈利)。
2、本站所有内容均由合作方或网友上传,本站不对文档的完整性、权威性及其观点立场正确性做任何保证或承诺!文档内容仅供研究参考,付费前请自行鉴别。
3、如文档内容存在违规,或者侵犯商业秘密、侵犯著作权等,请点击“违规举报”。

碎片内容

安全生产管理目标考核表(年月)

您可能关注的文档

确认删除?
VIP
微信客服
  • 扫码咨询
会员Q群
  • 会员专属群点击这里加入QQ群
客服邮箱
回到顶部