电脑桌面
添加小米粒文库到电脑桌面
安装后可以在桌面快捷访问

室内采暖管道安装VIP免费

室内采暖管道安装_第1页
1/13
室内采暖管道安装_第2页
2/13
室内采暖管道安装_第3页
3/13
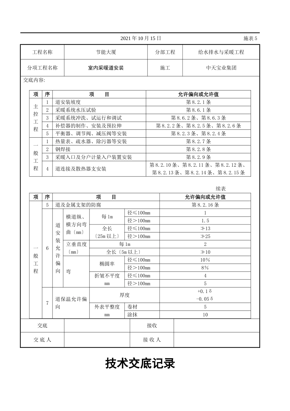
技术交底记录2021年10月15日施表5工程名称节能大厦分部工程给水排水与采暖工程分项工程名称室内采暖道安装施工中天宝业集团交底内容:一、施工准备(一)作业条件1.干安装:位于地沟内的干应把地沟内杂物清理干净安装好托吊、卡架未盖沟盖板前安装。位于楼板下及顶层的干应在构造封顶后或构造进入安装层的一层以上后安装。2.立安装必须在确定准确的地面标高后进展。3.支安装必须在墙面抹灰后进展。(二)材料要求1、材:碳索钢、无缝钢。材不得弯曲、锈蚀无飞刺、重皮及凹凸不平现象。2、件:无偏扣、方扣、乱扣、断丝不得有砂眼、裂纹和角度不准确现象。3、阀门:铸造规矩、无毛刺、无裂纹、开关灵敏严丝扣无损伤直度和角度正确强度符合要求手轮无损伤。安装前应进展强度、严性试验主控阀门100试验其他阀门抽检10假设有不合格那么抽查20还有不合格那么逐个检验。4、其他材料:型钢、圆钢、卡子、螺栓、螺母、油、麻、垫、电气焊条等。选用时应符合设计要求。5、在住宅工程中的室内局部中制止使用铸铁截止阀。6、各类材、阀门、调压装置、绝热材料应有质量合格证和材质检验热量表应有计量检定证书等。(三)主要机具砂轮锯、套丝机、台钻、电焊机、煨弯器等。二、质量要求质量要求符合?建筑给水排水及采暖工程施工质量验收标准?(GB50242-2002)的规定。三、工艺流程安装准备→预制加工→卡架安装→干安装→立安装→支安装→试压→冲洗→防腐→保温→调试交底接收交底人接收人技术交底记录2021年10月15日施表5工程名称节能大厦分部工程给水排水与采暖工程分项工程名称室内采暖道安装施工中天宝业集团交底内容:项序项目允许偏向或允许值主控工程1道安装坡度第8.2.1条2采暖系统水压试验第8.6.1条3采暖系统冲洗、试运行和调试第8.6.2条、第8.6.3条4补偿器的制作、安装及预拉伸第8.2.2条、第8.2.5条、第8.2.6条5平衡器、调节阀、减压阀等安装第8.2.3条、第8.2.4条一般工程1热量表、疏水器、除污器等安装第8.2.7条2钢焊接第8.2.8条3采暖入口及分户计量入户装置安装第8.2.9条4道连接及散热器支安装第8.2.10条、第8.2.11条、第8.2.12条、第8.2.13条、第8.2.14条、第8.2.15条续表项序项目允许偏向或允许值一般工程5道及金属支架的防腐第8.2.16条6道安装允许偏向横道纵、横方向弯曲〔mm〕每1m径≤100mm1径>100mm1.5全长〔25m以上〕径≤100mm≯13径>100mm≯25立垂直度〔mm〕每1m2全长〔5m以上〕≯10弯椭圆率径≤100mm10%径>100mm8%折皱不平度mm径≤100mm4径>100mm57道保温允许偏向厚度+0.1δ-0.05δ外表平整度mm卷材5涂抹10交底接收交底人接收人技术交底记录2021年10月15日施表5工程名称节能大厦分部工程给水排水与采暖工程分项工程名称室内采暖道安装施工中天宝业集团交底内容:四、操作工艺(一)安装准备1、认真熟悉图纸配合土建施工进度预留槽洞及安装预埋件。2、按设计图纸画出路的位置、径、变径、预留口、坡向、卡架位置等施工草图包括干起点、末端和拐弯、节点、预留日、坐标位置等。绘制草图时注意:(1)公称直径≤32mm的道宜采用螺纹连接公称直径>32mm的宜采用焊接。(2)多种道穿插时的避让原那么:冷水让热水小让大等。(二)干安装1、干安装按道定位、画线(或挂线)、支架安装、子上架、接口连接、立短开孔焊接、水压试验、防腐保温等施工顺序进展。按施工草图进展段的加工预制包括断、套丝、上零件、调直、核对尺寸按环路分组编码放整齐。2、安装卡架按设计要求或规定间距安装将在墙上画出的道定位坡度线按照中心与墙、柱的间隔程度外移挂线作为卡架安装的基准线。吊环按间距位置套在上再把抬起穿上螺栓拧上螺母将固定。安装托架上的道时先把就位在托架上把第一节装好U形卡然后安装第二节以后各节均照此进展紧固好螺栓。3、干安装应从进户或分支路点开场装前要检查腔并通过拉扫(钢丝缠布)清理干净。在丝头处涂好铅油缠好麻一人在末端扶平道用钳咬住前节件用另一把钳转动至松紧适度对准调直时的标记要求丝扣外露2~3扣并清掉麻头依此装完为止(道穿过伸缩缝或过沟处必须先穿好钢套)。4、制作羊角弯时应煨两个75°左右的弯头在连接处锯出坡日主锯成鸭嘴形拼好后即应点焊、找平...

1、当您付费下载文档后,您只拥有了使用权限,并不意味着购买了版权,文档只能用于自身使用,不得用于其他商业用途(如 [转卖]进行直接盈利或[编辑后售卖]进行间接盈利)。
2、本站所有内容均由合作方或网友上传,本站不对文档的完整性、权威性及其观点立场正确性做任何保证或承诺!文档内容仅供研究参考,付费前请自行鉴别。
3、如文档内容存在违规,或者侵犯商业秘密、侵犯著作权等,请点击“违规举报”。

碎片内容

室内采暖管道安装

确认删除?
VIP
微信客服
  • 扫码咨询
会员Q群
  • 会员专属群点击这里加入QQ群
客服邮箱
回到顶部