电脑桌面
添加小米粒文库到电脑桌面
安装后可以在桌面快捷访问

十大优质结构工程申请表VIP免费

十大优质结构工程申请表_第1页
1/72
十大优质结构工程申请表_第2页
2/72
十大优质结构工程申请表_第3页
3/72
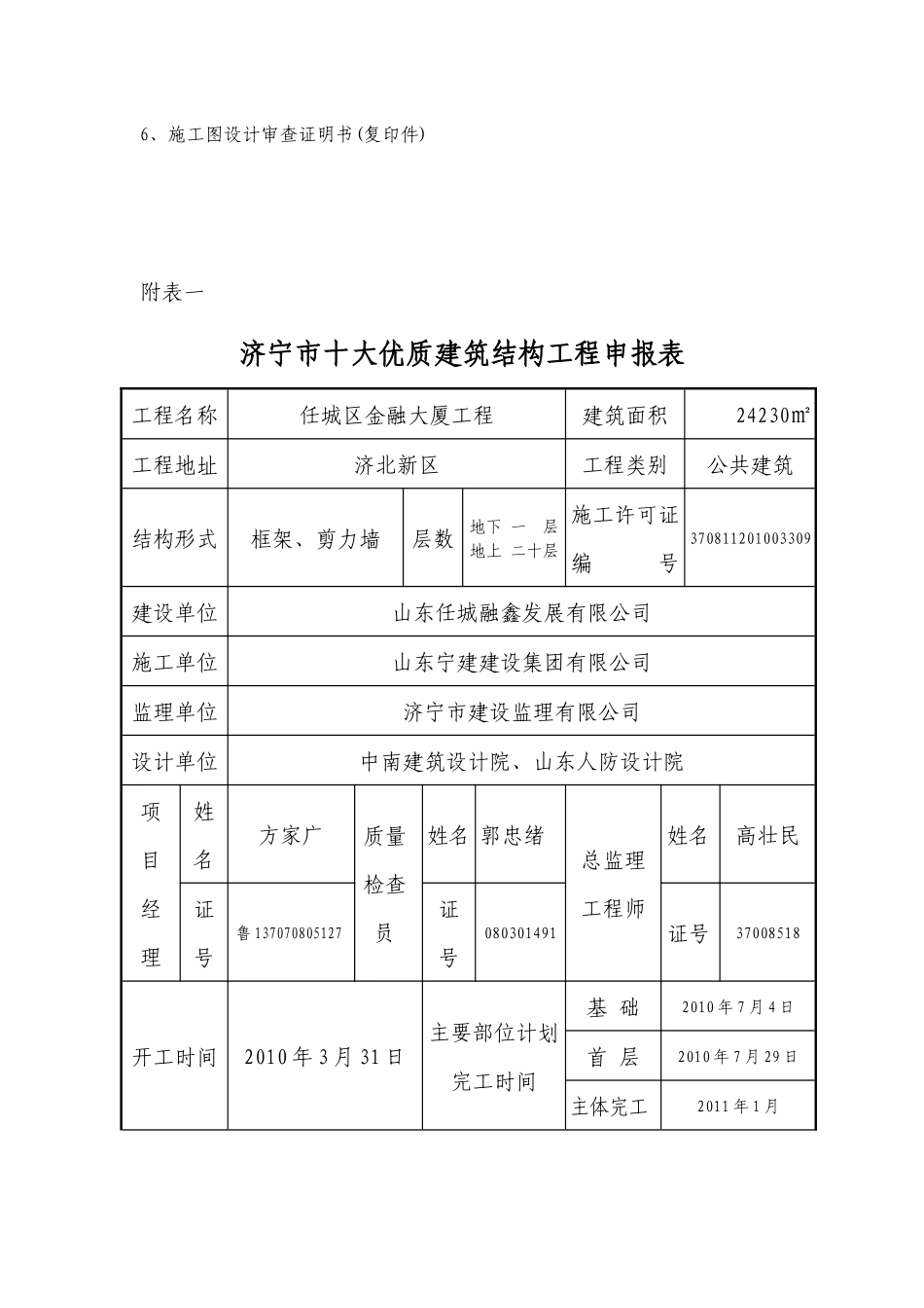
济宁市十大优质建筑结构工程申报资料工程名称:任城区金融大厦工程施工单位:山东宁建建设集团有限公司目录1、济宁市优质建筑结构工程申报表济宁市十大优质建筑结构工程申报表(附表一)济宁市十大优质建筑结构工程评审申请表(一)(附表二)济宁市十大优质建筑结构工程评审申请表(附表二)济宁市十大优质建筑结构工程评审申请表(二)(附表二)2、总承包、单项工程施工合同(复印件)3、结构工程质量创优计划和措施编制说明第一章工程概况第二章创优计划设想第三章总体创优计划第四章质量创优计划4.1、质量保证点(原材料、成品和半成品等)控制4.2、质量校核点(工程质量验收)控制4.3、隐蔽工程追溯点(工程隐蔽项目)控制4.4、质量控制点(安全及功能项目)控制4.5、施工过程创优策划及控制4、工程施工许可证5、工程质量监督通知书(复印件)6、施工图设计审查证明书(复印件)附表一济宁市十大优质建筑结构工程申报表工程名称任城区金融大厦工程建筑面积24230㎡工程地址济北新区工程类别公共建筑结构形式框架、剪力墙层数地下一层地上二十层施工许可证编号370811201003309建设单位山东任城融鑫发展有限公司施工单位山东宁建建设集团有限公司监理单位济宁市建设监理有限公司设计单位中南建筑设计院、山东人防设计院项目经理姓名方家广质量检查员姓名郭忠绪总监理工程师姓名高壮民证号鲁137070805127证号080301491证号37008518开工时间2010年3月31日主要部位计划完工时间基础2010年7月4日首层2010年7月29日主体完工2011年1月申报单位:经办人:电话:(公章)年月日工程所在地质量监督站意见:(公章)年月日附表二济宁市十大优质建筑结构工程评审申请表(一)工程名称任城区金融大厦工程建筑面积24230㎡工程地址济北新区工程类别公共建筑结构形式框架、剪力墙层数地下一层地上二十层施工许可证编号370811201003309开工时间2010年3月31日主体完工时间2011年1月建设单位山东任城融鑫发展有限公司施工单位山东宁建建设集团有限公司监理单位济宁市建设监理有限公司设计单位中南建筑设计院、山东人防设计院项目经理姓名方家广质量检查员姓名郭忠绪总监理工程师姓名高壮民证号鲁137070805127证号080301491证号37008518是否使用国家、省、市明令禁止和淘汰的建筑材料、构配件、产品和施工技术否主体结构是否被隐蔽或因保密无法检查否地基承载力、单桩竖向抗压承载力是否符合设计要求是地下工程渗漏是否超过规范规定否工程不均匀沉降是否超过规范规定否结构裂缝是否超过规范规定否是否有加固补强的部位否施工过程中是否发生重大安全、质量事故否是否获得省级及其以上科技进步奖是否获得省级及其以上科技示范工程是否使用先进施工技术并通过验收附表二济宁市十大优质建筑结构工程评审申请表监理单位意见:单位(公章)年月日建设单位意见:单位(公章)年月日工程所在地质量监督站推荐意见:单位(公章)年月日附表二济宁市十大优质建筑结构工程评审申请表(二)采用新材料情况1、HRB400级钢筋的应用2、清水混凝土模板应用技术3、新型墙体应用技术及施工技术4、合成高分子防水卷材采用新技术情况1、灌注桩后注浆技术;2、混凝土裂缝防治技术3、粗直径钢筋直螺纹机械连接技术4、早拆模板成套技术5、外挂式脚手架和悬挑式脚手架应用技术6、管线布置综合平衡技术7、火灾自动报警及联动系统8、施工放样技术9、工具类技术采用新工艺情况1、粗直径钢筋直螺纹机械连接技术2、体积混凝土温度监测和控制其它主要特点施工单位自评得分情况监理单位评价得分情况申报单位:经办人:电话:(公章)年月日工程质量创优计划和措施编制说明任城区金融大厦工程位于济宁市新规划的济北新区内,北靠仁通路,东临供销路,西侧为规划一路,南侧为仁和路。本工程地下室为人防地下室,平时作为车库,战时作为人员掩蔽室;裙房对外服务和内部办公;主楼内部办公,建设规模大,设计定位高,采用多项先进合理的施工新技术。工程建设伊始,建设、设计、监理以及承建方将“精品工程”作为工程目标进行实施,并提出了安全目标确保“省标化”,质量目标确保“泰山杯”。精品工程创建需要从策划、过程实施、总结提炼全过程...

1、当您付费下载文档后,您只拥有了使用权限,并不意味着购买了版权,文档只能用于自身使用,不得用于其他商业用途(如 [转卖]进行直接盈利或[编辑后售卖]进行间接盈利)。
2、本站所有内容均由合作方或网友上传,本站不对文档的完整性、权威性及其观点立场正确性做任何保证或承诺!文档内容仅供研究参考,付费前请自行鉴别。
3、如文档内容存在违规,或者侵犯商业秘密、侵犯著作权等,请点击“违规举报”。

碎片内容

十大优质结构工程申请表

您可能关注的文档

确认删除?
VIP
微信客服
  • 扫码咨询
会员Q群
  • 会员专属群点击这里加入QQ群
客服邮箱
回到顶部